Pb levier de vitesse
Modérateur : Equipe du site
-
armandaz
- Passager(ère)

- Messages : 2
- Enregistré le : 12 oct. 2023, 11:28
- : : :
- Modèle : [Espace I 2.0 carburateur]
- Finition : GTS
- Année : 1989
- : : :
- : : :
Pb levier de vitesse
Bonjour,
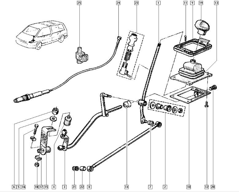
Quelqu'un pourrait-il m'indiquer la référence de la pièce qui fait la jonction entre le levier de vitesse et la tringle qui va vers la boîte ?
Ou par quoi remplacer cette pièce ?
Actuellement je m'en suis sorti avec des colliers plastiques, mais la vrai pièce ça devrait être plus sécure.
Merci d'avance.
Quelqu'un pourrait-il m'indiquer la référence de la pièce qui fait la jonction entre le levier de vitesse et la tringle qui va vers la boîte ?
Ou par quoi remplacer cette pièce ?
Actuellement je m'en suis sorti avec des colliers plastiques, mais la vrai pièce ça devrait être plus sécure.
Merci d'avance.
- troublouse
- Fou (folle) du volant

- Messages : 1782
- Enregistré le : 03 nov. 2013, 15:37
- : : :
- Modèle : [Espace I 2.0 carburateur]
- Finition : TSE
- Année : 1985
- : : :
- 2ème modèle : [Espace I 2.0 injection]
- finition : Connoly
- Année : 1990
- : : :
- 3ème modèle : [Espace I Quadra]
- Finition : TXE injection
- Année : 1989
- Localisation : Tours
Re: Pb levier de vitesse
Bonjour ,armandaz a écrit : 19 oct. 2023, 19:25 Bonjour,
Quelqu'un pourrait-il m'indiquer la référence de la pièce qui fait la jonction entre le levier de vitesse et la tringle qui va vers la boîte ?
Ou par quoi remplacer cette pièce ?
Actuellement je m'en suis sorti avec des colliers plastiques, mais la vrai pièce ça devrait être plus sécure.
Merci d'avance.
si c'est le repère 7 : 7700692252 setrouve facilement chez les vendeurs de pièces auto.
A+
Yves
ESPACE 1 Phase 1 2000 TSE T005741 Gris Titane de 1985 306 000 km
ESPACE 1 Phase 1 2000 GTS T001652 Gris Titane de 1985 216 000 Km ( donneur d'organes )
ESPACE 1 Phase 2 2000 GTS T050343 Ambulance SANICAR de 1990 234 000 Km
ESPACE 1 Phase 2 2.0i TXE Quadra T008896 Bleu Sidéral de 1989 452 840 Km
ESPACE 1 Phase 2 2.0i Connolly T013161 Gris Pluton de 1990 408 500 Km
ESPACE 1 Phase 2 2.0i Connolly T012899 Gris Pluton de 1991 425 000 Km
ESPACE 2 V6 PRV GPL Grand Ecran T021606 Vert Illusion de 1995 338864
ESPACE 3 V6 24 Privilège T013671 Gris Titane métallisé de 2002 140 000 Km
ESPACE 3 V6 PRV 12 GPL Lagardère T004134 Brun Toscane de 1998 19000 Km
AVANTIME V6 Privilège PE2 volcan BVA T003587 Gris Acier de 2002 245 000 Km
BMW R1100RT
ESPACE 1 Phase 1 2000 GTS T001652 Gris Titane de 1985 216 000 Km ( donneur d'organes )
ESPACE 1 Phase 2 2000 GTS T050343 Ambulance SANICAR de 1990 234 000 Km
ESPACE 1 Phase 2 2.0i TXE Quadra T008896 Bleu Sidéral de 1989 452 840 Km
ESPACE 1 Phase 2 2.0i Connolly T013161 Gris Pluton de 1990 408 500 Km
ESPACE 1 Phase 2 2.0i Connolly T012899 Gris Pluton de 1991 425 000 Km
ESPACE 2 V6 PRV GPL Grand Ecran T021606 Vert Illusion de 1995 338864
ESPACE 3 V6 24 Privilège T013671 Gris Titane métallisé de 2002 140 000 Km
ESPACE 3 V6 PRV 12 GPL Lagardère T004134 Brun Toscane de 1998 19000 Km
AVANTIME V6 Privilège PE2 volcan BVA T003587 Gris Acier de 2002 245 000 Km
BMW R1100RT
- Sigma
- Fou (folle) du volant

- Messages : 1652
- Enregistré le : 11 août 2022, 19:21
- : : :
- Modèle : [Espace II 2.1 TD]
- Finition : Base
- Année : 1994
- : : :
- : : :
- Localisation : en dérapage
Re: Pb levier de vitesse
J'en profite
j'ai acheté plusieurs de ces kits (trouvables entre 5 et 6€) et je ne vois pas où caser la rondelle caoutchouc noire...
Aussi un conseil pour le montage: graisser à fond l'intérieur des caches-rotules. Et pour ma part ça a été plus simple d'enquiller le cache rotule sur la rotule en premier, puis de bourriner le tout dans le trou de la barre.
j'ai acheté plusieurs de ces kits (trouvables entre 5 et 6€) et je ne vois pas où caser la rondelle caoutchouc noire...
Aussi un conseil pour le montage: graisser à fond l'intérieur des caches-rotules. Et pour ma part ça a été plus simple d'enquiller le cache rotule sur la rotule en premier, puis de bourriner le tout dans le trou de la barre.
Renault Espace II RN J8S 1994 290000Km (le Sapin de noël), CG véhicule collection depuis le 09/2024
Peugeot 306 Berline "Symbio" 1.9D XUD9 1997 258000Km (Farce à la Rouille)
Peugeot 306 Berline "Symbio" 1.9D XUD9 1997 258000Km (Farce à la Rouille)
- troublouse
- Fou (folle) du volant

- Messages : 1782
- Enregistré le : 03 nov. 2013, 15:37
- : : :
- Modèle : [Espace I 2.0 carburateur]
- Finition : TSE
- Année : 1985
- : : :
- 2ème modèle : [Espace I 2.0 injection]
- finition : Connoly
- Année : 1990
- : : :
- 3ème modèle : [Espace I Quadra]
- Finition : TXE injection
- Année : 1989
- Localisation : Tours
Re: Pb levier de vitesse
Je met les caoutchoucs dans de l’eau très chaude et ça rentre presque facilement
ESPACE 1 Phase 1 2000 TSE T005741 Gris Titane de 1985 306 000 km
ESPACE 1 Phase 1 2000 GTS T001652 Gris Titane de 1985 216 000 Km ( donneur d'organes )
ESPACE 1 Phase 2 2000 GTS T050343 Ambulance SANICAR de 1990 234 000 Km
ESPACE 1 Phase 2 2.0i TXE Quadra T008896 Bleu Sidéral de 1989 452 840 Km
ESPACE 1 Phase 2 2.0i Connolly T013161 Gris Pluton de 1990 408 500 Km
ESPACE 1 Phase 2 2.0i Connolly T012899 Gris Pluton de 1991 425 000 Km
ESPACE 2 V6 PRV GPL Grand Ecran T021606 Vert Illusion de 1995 338864
ESPACE 3 V6 24 Privilège T013671 Gris Titane métallisé de 2002 140 000 Km
ESPACE 3 V6 PRV 12 GPL Lagardère T004134 Brun Toscane de 1998 19000 Km
AVANTIME V6 Privilège PE2 volcan BVA T003587 Gris Acier de 2002 245 000 Km
BMW R1100RT
ESPACE 1 Phase 1 2000 GTS T001652 Gris Titane de 1985 216 000 Km ( donneur d'organes )
ESPACE 1 Phase 2 2000 GTS T050343 Ambulance SANICAR de 1990 234 000 Km
ESPACE 1 Phase 2 2.0i TXE Quadra T008896 Bleu Sidéral de 1989 452 840 Km
ESPACE 1 Phase 2 2.0i Connolly T013161 Gris Pluton de 1990 408 500 Km
ESPACE 1 Phase 2 2.0i Connolly T012899 Gris Pluton de 1991 425 000 Km
ESPACE 2 V6 PRV GPL Grand Ecran T021606 Vert Illusion de 1995 338864
ESPACE 3 V6 24 Privilège T013671 Gris Titane métallisé de 2002 140 000 Km
ESPACE 3 V6 PRV 12 GPL Lagardère T004134 Brun Toscane de 1998 19000 Km
AVANTIME V6 Privilège PE2 volcan BVA T003587 Gris Acier de 2002 245 000 Km
BMW R1100RT
- TheStone
- Fou (folle) du volant

- Messages : 20287
- Enregistré le : 02 août 2008, 14:22
- : : :
- Modèle : [Espace I 2.1 TD]
- Finition : TurboD
- Année : 1988
- : : :
- : : :
- Localisation : Au Nord de la Loire
Re: Pb levier de vitesse
+1
.... et un peu de vaseline peut aider 
Espace I Phase 2 Turbo-D acquis neuf en Janvier 1988 ...... Sauvons le soldat Ryan moteur J8S !!!
395000 kms ...... et CT à nouveau ok le 11/04/2019 à 384792 384792 384792 384792 384792 kms
On n'a jamais été aussi bien sur Terre que dans l'Espace...
Twingo I Kiss Cool Quickshift de Juin 2005, 105000 kms .... que du bonheur cette boîte robotisée
Twingo II Dynamique 75 LEV Eco2 de Juillet 2009, 130000 kms... et tout va bien
Fiat 128 150000 kms Ford Escort Ghia 1,6 de 1983 193200 kms
Güldner G15 A2KS Spessart sixties et beaucoup d'heures
395000 kms ...... et CT à nouveau ok le 11/04/2019 à 384792 384792 384792 384792 384792 kms
On n'a jamais été aussi bien sur Terre que dans l'Espace...
Twingo I Kiss Cool Quickshift de Juin 2005, 105000 kms .... que du bonheur cette boîte robotisée
Twingo II Dynamique 75 LEV Eco2 de Juillet 2009, 130000 kms... et tout va bien
Fiat 128 150000 kms Ford Escort Ghia 1,6 de 1983 193200 kms
Güldner G15 A2KS Spessart sixties et beaucoup d'heures
- cactus69
- Sur l'autoroute

- Messages : 908
- Enregistré le : 06 oct. 2014, 14:00
- : : :
- Modèle : [Espace I 2.0 carburateur]
- Finition : GTS
- Année : 1987
- : : :
- : : :
- Localisation : rhône
Re: Pb levier de vitesse
ces kit sont très bien, mais il manque une chose: Le silentbloc N°4 sur la vue éclatée. J'ai changé ce qui était dans le kit et me difficultés pour descendre de 2è en première ont été résolues.
Plus tard, des difficultés à passer les vitesses sont apparues quand j'ai jidangé l'huile en mettant de la Total GL4 NFJ; La Tranself TRX ne se faisant plus J'ai essayé la Motul Motylgear GL5, moins chère et c'est passé.
Maintenant, j'ai parfois un peu de mal à enquiller la première. Les autrent passent sans difficulté Je ne vois donc que ce silentbloc qui n'a pas été changé, comme cause du problème.
Si on pouvait en lancer une refabrication, je serai preneur et cela intéresserait aussi les possesseur de R25!
Plus tard, des difficultés à passer les vitesses sont apparues quand j'ai jidangé l'huile en mettant de la Total GL4 NFJ; La Tranself TRX ne se faisant plus J'ai essayé la Motul Motylgear GL5, moins chère et c'est passé.
Maintenant, j'ai parfois un peu de mal à enquiller la première. Les autrent passent sans difficulté Je ne vois donc que ce silentbloc qui n'a pas été changé, comme cause du problème.
Si on pouvait en lancer une refabrication, je serai preneur et cela intéresserait aussi les possesseur de R25!
_Espace 1 Ph 1 GTS d' octobre 87 couleur ivoire Bamako.
_Clio S de 93.
_Clio S de 93.
- TheStone
- Fou (folle) du volant

- Messages : 20287
- Enregistré le : 02 août 2008, 14:22
- : : :
- Modèle : [Espace I 2.1 TD]
- Finition : TurboD
- Année : 1988
- : : :
- : : :
- Localisation : Au Nord de la Loire
Re: Pb levier de vitesse
.... c'est possiblecactus69 a écrit : 24 oct. 2023, 21:18 ............................
Maintenant, j'ai parfois un peu de mal à enquiller la première. Les autrent passent sans difficulté Je ne vois donc que ce silentbloc qui n'a pas été changé, comme cause du problème.
............................
Espace I Phase 2 Turbo-D acquis neuf en Janvier 1988 ...... Sauvons le soldat Ryan moteur J8S !!!
395000 kms ...... et CT à nouveau ok le 11/04/2019 à 384792 384792 384792 384792 384792 kms
On n'a jamais été aussi bien sur Terre que dans l'Espace...
Twingo I Kiss Cool Quickshift de Juin 2005, 105000 kms .... que du bonheur cette boîte robotisée
Twingo II Dynamique 75 LEV Eco2 de Juillet 2009, 130000 kms... et tout va bien
Fiat 128 150000 kms Ford Escort Ghia 1,6 de 1983 193200 kms
Güldner G15 A2KS Spessart sixties et beaucoup d'heures
395000 kms ...... et CT à nouveau ok le 11/04/2019 à 384792 384792 384792 384792 384792 kms
On n'a jamais été aussi bien sur Terre que dans l'Espace...
Twingo I Kiss Cool Quickshift de Juin 2005, 105000 kms .... que du bonheur cette boîte robotisée
Twingo II Dynamique 75 LEV Eco2 de Juillet 2009, 130000 kms... et tout va bien
Fiat 128 150000 kms Ford Escort Ghia 1,6 de 1983 193200 kms
Güldner G15 A2KS Spessart sixties et beaucoup d'heures
- cactus69
- Sur l'autoroute

- Messages : 908
- Enregistré le : 06 oct. 2014, 14:00
- : : :
- Modèle : [Espace I 2.0 carburateur]
- Finition : GTS
- Année : 1987
- : : :
- : : :
- Localisation : rhône
Re: Pb levier de vitesse
mais dans ce cas, toutes les vitesses accrocheraient et il ne broute pas.TheStone a écrit : 24 oct. 2023, 22:41.... c'est possiblecactus69 a écrit : 24 oct. 2023, 21:18 ............................
Maintenant, j'ai parfois un peu de mal à enquiller la première. Les autrent passent sans difficulté Je ne vois donc que ce silentbloc qui n'a pas été changé, comme cause du problème.
............................![]()
.... mais il y a aussi potentiellement l'usure de l'embrayage comme élément perturbateur d'un bon passage de vitesse.
_Espace 1 Ph 1 GTS d' octobre 87 couleur ivoire Bamako.
_Clio S de 93.
_Clio S de 93.
-
max543
- Conduite accompagnée

- Messages : 195
- Enregistré le : 01 mai 2019, 11:01
- : : :
- Modèle : [Espace I 2.0 injection]
- Finition : TXE injection
- Année : 1988
- : : :
- 2ème modèle : [Espace I 2.1 TD]
- finition : TurboD
- Année : 1989
- : : :
Re: Pb levier de vitesse
Le club R25 français vend déjà les Silentbloc de Tringle de BV sur leurs site. Ce n'est d'ailleurs pas la seule pièces qu'ils ont fait refabriquer ( radiateur durites d'eau tirant de chasse)
Espace 1 ph2 txe injection 1988
Espace 1 ph2 TD ( banque de pièces)
En recherche pour plus tard: Espace 3 2,2dci clim régulateur de vitesse (long) même en panne
Espace 1 ph2 TD ( banque de pièces)
En recherche pour plus tard: Espace 3 2,2dci clim régulateur de vitesse (long) même en panne
- cactus69
- Sur l'autoroute

- Messages : 908
- Enregistré le : 06 oct. 2014, 14:00
- : : :
- Modèle : [Espace I 2.0 carburateur]
- Finition : GTS
- Année : 1987
- : : :
- : : :
- Localisation : rhône
Re: Pb levier de vitesse
à ma connaissance, ils ne font que le kit cité par troublouse; pas le silentbloc dont je parle, qui sert de lien entre la tringle et le sélecteur de vitesses.
_Espace 1 Ph 1 GTS d' octobre 87 couleur ivoire Bamako.
_Clio S de 93.
_Clio S de 93.
