Aménagement en mini-camper
Modérateur : Equipe du site
-
yves78
- Fou (folle) du volant

- Messages : 3858
- Enregistré le : 11 avr. 2012, 20:22
- : : :
- Modèle : [Grand Espace III 2.2 DCI 115]
- Finition : Expression
- Année : 2002
- : : :
- : : :
- Finition :
- Année : [Autre véhicule]
- Localisation : 78 Yvelines
Re: Aménagement en mini-camper
Et côté arrière droit à l'emplacement du compresseur version suspensions pneumatiques, bien sûr si ce n'est pas le cas !
Espace III 2.2 DCI Expression rallongé Année 2002 332 000 km réels, moteur changé à 8 000 km.
115 CV et 290 Nm passé à 136 CV et 350 Nm avec boîtier additionnel.
Arkana full hybride 145 Engenered
ZOE R110 50 kw
115 CV et 290 Nm passé à 136 CV et 350 Nm avec boîtier additionnel.
Arkana full hybride 145 Engenered
ZOE R110 50 kw
-
grostoto
- Fou (folle) du volant

- Messages : 8853
- Enregistré le : 09 mars 2011, 14:48
- : : :
- Modèle : [Espace III 2.0 16V BVM]
- Finition : RXT
- Année : 2000
- : : :
- : : :
- Localisation : centre
Re: Aménagement en mini-camper
non, c'est conçu avec le bms à l'intérieur.troublouse a écrit : 23 nov. 2023, 08:59Bonjour,Blitz a écrit : 22 nov. 2023, 23:11 Je compte mettre la batterie juste avant le passage de roue gauche dans le meuble qui ira de derrière le siège conducteur jusqu'à l'arrière.
J'ai changer de batterie pour une LifePO4 plus puissante, plus légère et aussi plus petite. C'est une bonne idée sous la caisse mais cela implique, j'imagine, de percer, souder et faire un coffrage pour la batterie. Cela m'intéresse que tu nous dise comment tu compte l'installer.
Cela doit être costaud et étanche.
Bienvenue sur Air Espace
Il ne faut pas un chargeur spécial pour ce type de batterie ?
A+
Yves
- troublouse
- Fou (folle) du volant

- Messages : 1802
- Enregistré le : 03 nov. 2013, 15:37
- : : :
- Modèle : [Espace I 2.0 carburateur]
- Finition : TSE
- Année : 1985
- : : :
- 2ème modèle : [Espace I 2.0 injection]
- finition : Connoly
- Année : 1990
- : : :
- 3ème modèle : [Espace I Quadra]
- Finition : TXE injection
- Année : 1989
- Localisation : Tours
Re: Aménagement en mini-camper
Ok ,merci de l'information.grostoto a écrit : 23 nov. 2023, 13:54non, c'est conçu avec le bms à l'intérieur.troublouse a écrit : 23 nov. 2023, 08:59Bonjour,Blitz a écrit : 22 nov. 2023, 23:11 Je compte mettre la batterie juste avant le passage de roue gauche dans le meuble qui ira de derrière le siège conducteur jusqu'à l'arrière.
J'ai changer de batterie pour une LifePO4 plus puissante, plus légère et aussi plus petite. C'est une bonne idée sous la caisse mais cela implique, j'imagine, de percer, souder et faire un coffrage pour la batterie. Cela m'intéresse que tu nous dise comment tu compte l'installer.
Cela doit être costaud et étanche.
Bienvenue sur Air Espace
Il ne faut pas un chargeur spécial pour ce type de batterie ?
A+
Yves
ESPACE 1 Phase 1 2000 TSE T005741 Gris Titane de 1985 306 000 km
ESPACE 1 Phase 1 2000 GTS T001652 Gris Titane de 1985 216 000 Km ( donneur d'organes )
ESPACE 1 Phase 2 2000 GTS T050343 Ambulance SANICAR de 1990 234 000 Km
ESPACE 1 Phase 2 2.0i TXE Quadra T008896 Bleu Sidéral de 1989 452 840 Km
ESPACE 1 Phase 2 2.0i Connolly T013161 Gris Pluton de 1990 408 500 Km
ESPACE 1 Phase 2 2.0i Connolly T012899 Gris Pluton de 1991 425 000 Km
ESPACE 2 V6 PRV GPL Grand Ecran T021606 Vert Illusion de 1995 338864
ESPACE 3 V6 24 Privilège T013671 Gris Titane métallisé de 2002 140 000 Km
ESPACE 3 V6 PRV 12 GPL Lagardère T004134 Brun Toscane de 1998 19000 Km
AVANTIME V6 Privilège PE2 volcan BVA T003587 Gris Acier de 2002 245 000 Km
BMW R1100RT
ESPACE 1 Phase 1 2000 GTS T001652 Gris Titane de 1985 216 000 Km ( donneur d'organes )
ESPACE 1 Phase 2 2000 GTS T050343 Ambulance SANICAR de 1990 234 000 Km
ESPACE 1 Phase 2 2.0i TXE Quadra T008896 Bleu Sidéral de 1989 452 840 Km
ESPACE 1 Phase 2 2.0i Connolly T013161 Gris Pluton de 1990 408 500 Km
ESPACE 1 Phase 2 2.0i Connolly T012899 Gris Pluton de 1991 425 000 Km
ESPACE 2 V6 PRV GPL Grand Ecran T021606 Vert Illusion de 1995 338864
ESPACE 3 V6 24 Privilège T013671 Gris Titane métallisé de 2002 140 000 Km
ESPACE 3 V6 PRV 12 GPL Lagardère T004134 Brun Toscane de 1998 19000 Km
AVANTIME V6 Privilège PE2 volcan BVA T003587 Gris Acier de 2002 245 000 Km
BMW R1100RT
-
Blitz
- Passager(ère)

- Messages : 18
- Enregistré le : 10 sept. 2023, 12:22
- : : :
- Modèle : [Espace III 2.2 DCI 115]
- Finition : The Race
- Année : 2002
- : : :
- : : :
- Localisation : Val d'oise
Re: Aménagement en mini-camper
Effectivement, j'en ai un avec une puissance de 20Ah + un coupleur/séparateur + un panneau photovoltaïque 160w. Il fait trop mauvais en ce moment pour que je puisse en faire l'installation mais dès que mon schéma élec sera finalisé et le temps plus clément je ferais un topo en images de l'installation.
Bienvenue sur Air Espace
Bienvenue sur Air Espace
Renault Espace III phase 2 DCI 115 "The Race" 147 000 KM - 2002 / Volvo 480 Turbo 120ch phase 2 - 1993 - 164 000 km
-
Blitz
- Passager(ère)

- Messages : 18
- Enregistré le : 10 sept. 2023, 12:22
- : : :
- Modèle : [Espace III 2.2 DCI 115]
- Finition : The Race
- Année : 2002
- : : :
- : : :
- Localisation : Val d'oise
Re: Aménagement en mini-camper
C'est sûr qu'avec une bonne étanchéité et une tête de noeud de 8, on peut vite arriver à une performance proche de zéro si l'on tient compte du rapport de la masse par rapport au quotient et à son étanchéité ! Dans ce cas, à mon avis, l'on se rapproche du niveau zéro de la réflexion et du parlé creux sans peine
, Il faut alors faire attention à l'esprit corrosif que distille la batterie et penser à faire une sieste pour recharger un minimum de 007 volts. Soyons taquins.
Bienvenue sur Air Espace
Bienvenue sur Air Espace
Renault Espace III phase 2 DCI 115 "The Race" 147 000 KM - 2002 / Volvo 480 Turbo 120ch phase 2 - 1993 - 164 000 km
-
Blitz
- Passager(ère)

- Messages : 18
- Enregistré le : 10 sept. 2023, 12:22
- : : :
- Modèle : [Espace III 2.2 DCI 115]
- Finition : The Race
- Année : 2002
- : : :
- : : :
- Localisation : Val d'oise
Re: Aménagement en mini-camper
Air-Espace de retour,
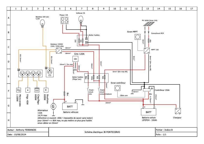
Après des prétentions d'aménagement je dois bien me rendre compte que le véhicule est toute en rondeur et qu'il est difficile de projeter un plan sur ses formes. Il faut l'attaquer sur place, modeler le mobilier en s'adaptant. J'avais dis que je voulais du 230v , un frigo, un micro-ondes et une banquette lit. Voici en image la V1 et son tableau électrique que je doit terminer. Vos avis sont les bien venus.
Après des prétentions d'aménagement je dois bien me rendre compte que le véhicule est toute en rondeur et qu'il est difficile de projeter un plan sur ses formes. Il faut l'attaquer sur place, modeler le mobilier en s'adaptant. J'avais dis que je voulais du 230v , un frigo, un micro-ondes et une banquette lit. Voici en image la V1 et son tableau électrique que je doit terminer. Vos avis sont les bien venus.
Renault Espace III phase 2 DCI 115 "The Race" 147 000 KM - 2002 / Volvo 480 Turbo 120ch phase 2 - 1993 - 164 000 km
-
Blitz
- Passager(ère)

- Messages : 18
- Enregistré le : 10 sept. 2023, 12:22
- : : :
- Modèle : [Espace III 2.2 DCI 115]
- Finition : The Race
- Année : 2002
- : : :
- : : :
- Localisation : Val d'oise
Re: Aménagement en mini-camper
Le tableau électrique avec le panneau photov 170W...
Bienvenu sur Air-Espace
Bienvenu sur Air-Espace
Renault Espace III phase 2 DCI 115 "The Race" 147 000 KM - 2002 / Volvo 480 Turbo 120ch phase 2 - 1993 - 164 000 km
- Henri13
- Apprenti-conducteur(trice)

- Messages : 86
- Enregistré le : 17 juil. 2018, 19:39
- : : :
- Modèle : [Grand Espace III 2.2 DT]
- Finition : RXT
- Année : 2000
- : : :
- 2ème modèle : [Grand Espace III 2.2 DT]
- finition : RXT
- Année : 1998
- : : :
- Localisation : Bouches-du-Rhône
Re: Aménagement en mini-camper
Vraiment chapeau bas. C'est très propre.
J'ai un aménagement temporaire de mon côté, mais j'me prendrais bien une autre espace pour faire comme toi, enfin il faut encore que j'ai le talent pour aha.
J'ai un aménagement temporaire de mon côté, mais j'me prendrais bien une autre espace pour faire comme toi, enfin il faut encore que j'ai le talent pour aha.
Grand Espace 3 2.2 DT de 2000 couleur Vert scarabée - 230 000km 250 000km 270 000km 290 000km 310 000km
(Nouveau) Grand Espace 3 2.2 DT de 1998 couleur Vert scarabée - achetée à 260 000km
A la recherche d'une Grand Espace 3 V6.
(Nouveau) Grand Espace 3 2.2 DT de 1998 couleur Vert scarabée - achetée à 260 000km
A la recherche d'une Grand Espace 3 V6.
-
Blitz
- Passager(ère)

- Messages : 18
- Enregistré le : 10 sept. 2023, 12:22
- : : :
- Modèle : [Espace III 2.2 DCI 115]
- Finition : The Race
- Année : 2002
- : : :
- : : :
- Localisation : Val d'oise
Re: Aménagement en mini-camper
Merci Henri13. Il faut aussi avoir du temps, et du temps car c'est très chronophage. Faire tout rentrer dans un Espace 3 n'est pas facile. De un c'est pas si grand et de deux, l'espace 3 est rempli de courbes ce qui complique la pose de meuble en bois. C'est presque au centimètre près. Les 3 contraintes de l'installation étaient d'être légère, solide et bien fixée. J'ai utilisé la base d'un fauteuil passager pour y boulonner le meuble qui est en CP de 10mm.
Enfin y a encore du boulot sinon ce serait pas drôle.
Enfin y a encore du boulot sinon ce serait pas drôle.
Renault Espace III phase 2 DCI 115 "The Race" 147 000 KM - 2002 / Volvo 480 Turbo 120ch phase 2 - 1993 - 164 000 km
-
JSP69
- Passager(ère)

- Messages : 2
- Enregistré le : 27 juin 2022, 15:52
- : : :
- Modèle : [Espace III 2.2 DT]
- Finition : RXT
- Année : 1998
- : : :
- : : :
Re: Aménagement en mini-camper
Salut Blitz,
Tu as mené une vraie guerre éclair. J'ai suivi ça, et franchement bravo, c'est super propre !
A+
Tu as mené une vraie guerre éclair. J'ai suivi ça, et franchement bravo, c'est super propre !
A+
Renault Espace 3 RXE 2.2 DT - 1998 - 214 000 km
Peugeot 205 GR 1.4 TU - 1992 - 300 000 km - Europ'Raid & 205 Trophée
"Qui ne tente rien, n'a rien"
Peugeot 205 GR 1.4 TU - 1992 - 300 000 km - Europ'Raid & 205 Trophée
"Qui ne tente rien, n'a rien"
