il crache de la suie

Modérateur : Equipe du site

Règles du forum
Nous sommes sur un forum d'entraide et de passionnés, assurez-vous avant de poster de respecter ceci: Image
Le bonjour est de coutume ici pour commencer ses messages ;)
marcokl
Conduite accompagnée
Conduite accompagnée
Messages : 177
Enregistré le : 14 mai 2005, 00:34
: : :
Modèle : [Espace II 2.2 BVM]
Finition : Hélios
Année : 1993
: : :
: : :

il crache de la suie

Message non lu par marcokl »

Bonjour tout le monde
Mon vieux cheval Espace 2 essence est tombé malade du jour au lendemain :evil:
quand je le démarre ,il crachouille ,pète et sortie de pot j'ai des gouttes noires qui marquent franchement au sol .et bien sûr il tourne comme une patate ,avec un ralenti très instable et irregulier (monte et baisse en régime !! )
:shock:
aaa.jpg
Modifié en dernier par marcokl le 29 mai 2025, 18:32, modifié 1 fois.
Avatar du membre
EAime
Fou (folle) du volant
Fou (folle) du volant
Messages : 20213
Enregistré le : 14 mars 2008, 14:07
: : :
Modèle : [N'a plus d'Espace]
Finition : TXE
Année : 1989
: : :
2ème modèle : [N'a plus d'Espace]
finition : RXE
Année : 1991
: : :
3ème modèle : [Espace III V6]
Finition : RXT
Année : 1998
Localisation : La Rochelle

Re: il crache de la suie

Message non lu par EAime »

Bonjour,

Bougie, filtre à carburant, carburant pollué (eau ?) .....
Renault Vel Satis Ph2 3.5L V6 Initiale 2006 - Gris Platine - 266 000km :D
Renault Espace "3" RXT 3.0 V6 PRV 1998 - Gris Titane - 157 000km
Renault Espace "1" TXE 1989 - Bleu Mandchourie - 245 000km - Offerte Téléthon 2019 :D
Renault Espace "2" 2.8L V6 RXE - 1991 - Gris Rafale - 216 000km C.G. Collection 12/2021 :D
Renault Espace "2" 2.1Dtv - 1997 - Bleu Impérial - 124 000km :D
Renault Espace "4" 2.0T / 170CV Initiale 2005 - Gris Platine - 214 000km
:twisted:
Toyota Yaris 1.5 Hybride Lounge - 2011 - Pack VIP - 106 000km. J'adore ! :D
BMW R850 RT - 2003 - Bleu Biarritz - 128 000km. Du bonheur ! :D

****Je ne réponds pas aux questions techniques envoyées par MP****

_______________________________________


"Ah ! Quand elles ont la tête comme ça, rentrée dans les épaules, c'est qu'elles sont pas contentes !" (Coluche)
grostoto
Fou (folle) du volant
Fou (folle) du volant
Messages : 8811
Enregistré le : 09 mars 2011, 14:48
: : :
Modèle : [Espace III 2.0 16V BVM]
Finition : RXT
Année : 2000
: : :
: : :
Localisation : centre

Re: il crache de la suie

Message non lu par grostoto »

Lambda ? Je ne sais même pas s'il y en a..lol

Bobine ?
marcokl
Conduite accompagnée
Conduite accompagnée
Messages : 177
Enregistré le : 14 mai 2005, 00:34
: : :
Modèle : [Espace II 2.2 BVM]
Finition : Hélios
Année : 1993
: : :
: : :

Re: il crache de la suie

Message non lu par marcokl »

Bonsoir Les bougies sont encore neuves ,elles ont moins de 2000 kms,
l'eau dans l'essence ??,comment ça serait possible? , je sais qu'on a eu des moussons terribles ces dernieres semaines :D
par contre ,le filtre à essence sous la voiture ,je l'ai changé une fois mais il a au moins 8 ans et vu le peu que je me sers de l'Espace,
j'ai même pas fait 20 000 kms depuis son achat en Mai 2005 :)
Donc je vais commencer par le filtre essence
Avatar du membre
Sigma
Fou (folle) du volant
Fou (folle) du volant
Messages : 1652
Enregistré le : 11 août 2022, 19:21
: : :
Modèle : [Espace II 2.1 TD]
Finition : Base
Année : 1994
: : :
: : :
Localisation : en dérapage

Re: il crache de la suie

Message non lu par Sigma »

Salut
tous les réservoirs ont de la condensation...
Pour les diesel, la flotte qui fiche le camp sous le gasoil permet à des bactéries de se développer et ça créé de gros problèmes (un truc très connu en diesel marine, d'où le traitement systématique du gasoil marine avec des produits anti-bactériens et disperseur de flotte).
Pour les essences c'est plus vicieux, je me demande même si la flotte ne finit pas par se mélanger au carburant (et quand on voit que le Sp95 et 98 sont additivés à l'éthanol qui est hydrophile ça ne rassure pas trop)...

A part ça... sur ton système d'injection faut y aller progressivement pour faire un diag correct.
Voilà les éléments sur J7T/R
Capture d’écran_2025-05-29_19-09-14.png
Capture d’écran_2025-05-29_19-09-40.png
Capture d’écran_2025-05-29_19-09-40.png (18.82 Kio) Vu 1615 fois
+ comme le dis grostoto: sonde Lambda sur le collecteur échappement.
Modifié en dernier par Sigma le 29 mai 2025, 21:02, modifié 1 fois.
Renault Espace II RN J8S 1994 290000Km (le Sapin de noël), CG véhicule collection depuis le 09/2024 :mrgreen:
Peugeot 306 Berline "Symbio" 1.9D XUD9 1997 258000Km (Farce à la Rouille)
Avatar du membre
EAime
Fou (folle) du volant
Fou (folle) du volant
Messages : 20213
Enregistré le : 14 mars 2008, 14:07
: : :
Modèle : [N'a plus d'Espace]
Finition : TXE
Année : 1989
: : :
2ème modèle : [N'a plus d'Espace]
finition : RXE
Année : 1991
: : :
3ème modèle : [Espace III V6]
Finition : RXT
Année : 1998
Localisation : La Rochelle

Re: il crache de la suie

Message non lu par EAime »

marcokl a écrit : 29 mai 2025, 18:29 Bonsoir Les bougies sont encore neuves ,elles ont moins de 2000 kms,
l'eau dans l'essence ??,comment ça serait possible? , je sais qu'on a eu des moussons terribles ces dernieres semaines :D
par contre ,le filtre à essence sous la voiture ,je l'ai changé une fois mais il a au moins 8 ans et vu le peu que je me sers de l'Espace,
j'ai même pas fait 20 000 kms depuis son achat en Mai 2005 :)
Donc je vais commencer par le filtre essence
Oublié dans la liste ! :mrgreen:
Renault Vel Satis Ph2 3.5L V6 Initiale 2006 - Gris Platine - 266 000km :D
Renault Espace "3" RXT 3.0 V6 PRV 1998 - Gris Titane - 157 000km
Renault Espace "1" TXE 1989 - Bleu Mandchourie - 245 000km - Offerte Téléthon 2019 :D
Renault Espace "2" 2.8L V6 RXE - 1991 - Gris Rafale - 216 000km C.G. Collection 12/2021 :D
Renault Espace "2" 2.1Dtv - 1997 - Bleu Impérial - 124 000km :D
Renault Espace "4" 2.0T / 170CV Initiale 2005 - Gris Platine - 214 000km
:twisted:
Toyota Yaris 1.5 Hybride Lounge - 2011 - Pack VIP - 106 000km. J'adore ! :D
BMW R850 RT - 2003 - Bleu Biarritz - 128 000km. Du bonheur ! :D

****Je ne réponds pas aux questions techniques envoyées par MP****

_______________________________________


"Ah ! Quand elles ont la tête comme ça, rentrée dans les épaules, c'est qu'elles sont pas contentes !" (Coluche)
grostoto
Fou (folle) du volant
Fou (folle) du volant
Messages : 8811
Enregistré le : 09 mars 2011, 14:48
: : :
Modèle : [Espace III 2.0 16V BVM]
Finition : RXT
Année : 2000
: : :
: : :
Localisation : centre

Re: il crache de la suie

Message non lu par grostoto »

si le camion a plus de 150 000km, alors la lambda sans hésiter une demi-seconde.. elle est de toute façon hs.

voir aussi la sonde t° eau, elle peut bloquer le systeme en démarrage à froid..
marcokl
Conduite accompagnée
Conduite accompagnée
Messages : 177
Enregistré le : 14 mai 2005, 00:34
: : :
Modèle : [Espace II 2.2 BVM]
Finition : Hélios
Année : 1993
: : :
: : :

Re: il crache de la suie

Message non lu par marcokl »

EAime a écrit : 29 mai 2025, 19:34
marcokl a écrit : 29 mai 2025, 18:29 Bonsoir Les bougies sont encore neuves ,elles ont moins de 2000 kms,
l'eau dans l'essence ??,comment ça serait possible? , je sais qu'on a eu des moussons terribles ces dernieres semaines :D
par contre ,le filtre à essence sous la voiture ,je l'ai changé une fois mais il a au moins 8 ans et vu le peu que je me sers de l'Espace,
j'ai même pas fait 20 000 kms depuis son achat en Mai 2005 :)
Donc je vais commencer par le filtre essence
Oublié dans la liste ! :mrgreen:
Ben non , tu l as bien mis dans ta liste !
Mes bougies sont bien noires et sèches
Sonde lambda , ça vaut combien ce truc ?
Sonde température eau , c est celle en haut ?
Le camion a 211 800 kms
Avatar du membre
EAime
Fou (folle) du volant
Fou (folle) du volant
Messages : 20213
Enregistré le : 14 mars 2008, 14:07
: : :
Modèle : [N'a plus d'Espace]
Finition : TXE
Année : 1989
: : :
2ème modèle : [N'a plus d'Espace]
finition : RXE
Année : 1991
: : :
3ème modèle : [Espace III V6]
Finition : RXT
Année : 1998
Localisation : La Rochelle

Re: il crache de la suie

Message non lu par EAime »

marcokl a écrit : 29 mai 2025, 20:23
EAime a écrit : 29 mai 2025, 19:34
marcokl a écrit : 29 mai 2025, 18:29 Bonsoir Les bougies sont encore neuves ,elles ont moins de 2000 kms,
l'eau dans l'essence ??,comment ça serait possible? , je sais qu'on a eu des moussons terribles ces dernieres semaines :D
par contre ,le filtre à essence sous la voiture ,je l'ai changé une fois mais il a au moins 8 ans et vu le peu que je me sers de l'Espace,
j'ai même pas fait 20 000 kms depuis son achat en Mai 2005 :)
Donc je vais commencer par le filtre essence
Oublié dans la liste ! :mrgreen:
Ben non , tu l as bien mis dans ta liste !
Mes bougies sont bien noires et sèches
Sonde lambda , ça vaut combien ce truc ?
Sonde température eau , c est celle en haut ?
Le camion a 211 800 kms
Ah, oui !!! :mrgreen:

Je suis un peu en vrac, en ce moment, dos encore bloqué après avoir agrandi la terrasse, et dégagé les allées des vieux pavés gravillonnés en 50 x 50, et pesant le poids d'un âne mort !
La dernière brouette (160kg) a été néfaste, ça a craqué dans les lombaires ! :( :twisted:
J'en ai encore 60 à dégager, et ça va attendre !
Renault Vel Satis Ph2 3.5L V6 Initiale 2006 - Gris Platine - 266 000km :D
Renault Espace "3" RXT 3.0 V6 PRV 1998 - Gris Titane - 157 000km
Renault Espace "1" TXE 1989 - Bleu Mandchourie - 245 000km - Offerte Téléthon 2019 :D
Renault Espace "2" 2.8L V6 RXE - 1991 - Gris Rafale - 216 000km C.G. Collection 12/2021 :D
Renault Espace "2" 2.1Dtv - 1997 - Bleu Impérial - 124 000km :D
Renault Espace "4" 2.0T / 170CV Initiale 2005 - Gris Platine - 214 000km
:twisted:
Toyota Yaris 1.5 Hybride Lounge - 2011 - Pack VIP - 106 000km. J'adore ! :D
BMW R850 RT - 2003 - Bleu Biarritz - 128 000km. Du bonheur ! :D

****Je ne réponds pas aux questions techniques envoyées par MP****

_______________________________________


"Ah ! Quand elles ont la tête comme ça, rentrée dans les épaules, c'est qu'elles sont pas contentes !" (Coluche)
Avatar du membre
Sigma
Fou (folle) du volant
Fou (folle) du volant
Messages : 1652
Enregistré le : 11 août 2022, 19:21
: : :
Modèle : [Espace II 2.1 TD]
Finition : Base
Année : 1994
: : :
: : :
Localisation : en dérapage

Re: il crache de la suie

Message non lu par Sigma »

marcokl a écrit : 29 mai 2025, 20:23 Sonde lambda , ça vaut combien ce truc ?
Sonde température eau , c est celle en haut ?
Le camion a 211 800 kms
Si tu n'as pas le dialogys pour avoir les refs OEM, il y a des alternatives:
https://partsouq.com/en/catalog/genuine ... AA8sOCO%24

Choisis ta motorisation et zou...
Ca te permettra d'effectuer une recherche avec la reférence correcte, et comparer les tarifs chez les revendeurs.

Sur J7T/R, la sonde T° eau est ici:
Capture d’écran_2025-05-29_20-58-11.png
Capture d’écran_2025-05-29_20-58-11.png (51.96 Kio) Vu 1537 fois
@Eric: je compatis pour la douleur lombaire!
Mais 160Kg c'était pas un poil "abusif" tout de même?
Vaut mieux la jouer "fourmi" et doubler les aller/retours pour y aller léger, plutôt que bourriner et se coincer les vertebres (surtout qu'elles peuvent encore servir!).
Je te souhaite de bien te reposer pour bien récupérer.
Renault Espace II RN J8S 1994 290000Km (le Sapin de noël), CG véhicule collection depuis le 09/2024 :mrgreen:
Peugeot 306 Berline "Symbio" 1.9D XUD9 1997 258000Km (Farce à la Rouille)
Avatar du membre
Pilou29
Site Admin
Site Admin
Messages : 13616
Enregistré le : 10 janv. 2008, 23:37
: : :
Modèle : [Espace I 2.0 carburateur]
Finition : TSE
Année : 1984
: : :
2ème modèle : [Espace III 2.0 16V BVA]
finition : Privilège
Année : 2001
: : :
3ème modèle : [Avantime V6-24 BVM]
Finition : AVANTIME :
Année : 2002

Re: il crache de la suie

Message non lu par Pilou29 »

Eric faut te faire une raison tu n'as plus 20 ans !
Ce genre de travaux est dévastateur pour le corps . Pour ce genre de travaux de force je fais appel à plus gaillard que moi, ça me coûte 20 euros de l'heure en chèque emploi service, mais je préserve mon vieux corps .;)
Espace I 2000 TSE (futur collector :lol: N° 2298 de septembre 1984 - le bonheur : pas d'électronique, ou presque )
Image_____Image_____Image
Espace II V6 Auto 1996 Bleu Boite HS :( (Parti à la casse !)
Espace III Privilège 2.0 16v Proactive 2001
Le petit dernier : Avantime V6 Privilège
La puce : Twingo 2001 jaune
Pépère ; Camping Car collector Ford 1988
Image
marcokl
Conduite accompagnée
Conduite accompagnée
Messages : 177
Enregistré le : 14 mai 2005, 00:34
: : :
Modèle : [Espace II 2.2 BVM]
Finition : Hélios
Année : 1993
: : :
: : :

Re: il crache de la suie

Message non lu par marcokl »

Bonsoir
la continuation, j'ai shunté le filtre essence ,et c'est pas mieux , donc le filtre fait son boulot, evidement ,je n'ai pas chengé encore la sonde de température ,mais je n"y crois pas trop .
reste la sonde lambda ,mais après 3 tentative sur 3 jours ,le tout bien imbibé de dégrippant chaque jour , impossible de desserrer cet s^^^^perie , normal ,ça fait 30 ans que c'est monté . je crois que je vais m'arreter là ,je n'ai plus guère l utilité de garder ce "camion" ,je vais donc certainement m'en séparer d'autant que le CT prends fin début Aout,je vais faire une annonce d ici peu(pas chère ) dans vente (ou échange,je vais le remplacer par ... une remorque :lol: )
grostoto
Fou (folle) du volant
Fou (folle) du volant
Messages : 8811
Enregistré le : 09 mars 2011, 14:48
: : :
Modèle : [Espace III 2.0 16V BVM]
Finition : RXT
Année : 2000
: : :
: : :
Localisation : centre

Re: il crache de la suie

Message non lu par grostoto »

débranche la lambda, et vois si ça tourne mieux (si elle est en cause, ça tournera mieux),
marcokl
Conduite accompagnée
Conduite accompagnée
Messages : 177
Enregistré le : 14 mai 2005, 00:34
: : :
Modèle : [Espace II 2.2 BVM]
Finition : Hélios
Année : 1993
: : :
: : :

Re: il crache de la suie

Message non lu par marcokl »

grostoto a écrit : 01 juin 2025, 22:31 débranche la lambda, et vois si ça tourne mieux (si elle est en cause, ça tournera mieux),
Tu penses bien que j'ai essayé ,c'est pareil voire pire encore :|
Avatar du membre
LeJeune6troeniste
Fou (folle) du volant
Fou (folle) du volant
Messages : 2742
Enregistré le : 01 juil. 2019, 18:39
: : :
Modèle : [Espace IV 2.0 T 165 BVM]
Finition : Privilège
Année : 2004
: : :
: : :

Re: il crache de la suie

Message non lu par LeJeune6troeniste »

Alors la sonde de température ! En plus c'est connu sur ce moteur il me semble.

Que disaient les anciens du forum ? Les sondes, toujours les sondes...
Espace IV 2.0T Privilège BVM de 04/2004 8) Bleu Orage, 262 652 km, dans la famille depuis 06/2014 et 87 898
:arrow: CT OK jusqu'en 03/2027 ! :D :D
Espace IV 2.0T Alyum Plus BVM de 01/2007 Noir Nacré, qui a servi de 07/19 à 11/21 sur 18 108 km, vendu
VW Golf III 1,8 Syncro de 10/1995 8), 301 560 km
Jaguar XJ40 3,6 BVA Sovereign de 02/1989 8), 92 607 km au total et ce depuis 2001 :cry: Soucis d'étincelle a priori trouvé, réfection du système d'alimentation en carburant en cours
grostoto
Fou (folle) du volant
Fou (folle) du volant
Messages : 8811
Enregistré le : 09 mars 2011, 14:48
: : :
Modèle : [Espace III 2.0 16V BVM]
Finition : RXT
Année : 2000
: : :
: : :
Localisation : centre

Re: il crache de la suie

Message non lu par grostoto »

+1: alors débranche la sonde de t°...
Avatar du membre
Sigma
Fou (folle) du volant
Fou (folle) du volant
Messages : 1652
Enregistré le : 11 août 2022, 19:21
: : :
Modèle : [Espace II 2.1 TD]
Finition : Base
Année : 1994
: : :
: : :
Localisation : en dérapage

Re: il crache de la suie

Message non lu par Sigma »

Salut
voilà les valeurs pour les sondes T°eau et air.
J7R:
Capture d’écran_2025-06-02_13-17-58.png

J7T:
J7T.png

Je me demandais aussi si pour la dépose d'une sonde Lambda coincée, on pouvait se servir d'une bombe à froid ou à l'inverse d'un décapeur thermique?
Renault Espace II RN J8S 1994 290000Km (le Sapin de noël), CG véhicule collection depuis le 09/2024 :mrgreen:
Peugeot 306 Berline "Symbio" 1.9D XUD9 1997 258000Km (Farce à la Rouille)
marcokl
Conduite accompagnée
Conduite accompagnée
Messages : 177
Enregistré le : 14 mai 2005, 00:34
: : :
Modèle : [Espace II 2.2 BVM]
Finition : Hélios
Année : 1993
: : :
: : :

Re: il crache de la suie

Message non lu par marcokl »

Bonjour, qu appelle tu Sonde Air ?laquelle et où ?.
Sinon j ai lu plein de chose hier soir pour défaire cette sonde lambda, ben , beaucoup galerent, certains ont même dû changer le collecteur d echappement !!!
grostoto
Fou (folle) du volant
Fou (folle) du volant
Messages : 8811
Enregistré le : 09 mars 2011, 14:48
: : :
Modèle : [Espace III 2.0 16V BVM]
Finition : RXT
Année : 2000
: : :
: : :
Localisation : centre

Re: il crache de la suie

Message non lu par grostoto »

pour la changer, il faut les bons outils.. et moteur bien chaud.
mais en tout état de cause, si le symptome est le même débranché, alors ce n'est pas la cause.

un injecteur bloqué ouvert ou qui pisse ?
Avatar du membre
Sigma
Fou (folle) du volant
Fou (folle) du volant
Messages : 1652
Enregistré le : 11 août 2022, 19:21
: : :
Modèle : [Espace II 2.1 TD]
Finition : Base
Année : 1994
: : :
: : :
Localisation : en dérapage

Re: il crache de la suie

Message non lu par Sigma »

marcokl a écrit : 02 juin 2025, 13:37 Bonjour, qu appelle tu Sonde Air ?laquelle et où ?.
Il y a une sonde T° air qui me semble être sur l'admission, entre le filtre à air et le collecteur:
Capture d’écran_2025-06-02_15-10-16.png
Encore des valeurs pour mesures:
air.png
Ensuite si tu regardes le synoptique du système injection, tu verras qu'il y a d'autres éléments:
capteur pression absolue
boitier papillon (on a aussi de la lecture à ce sujet sur le forum > encrassement ou "coincé"...)
régulateur ralenti (ça doit être genre de moteur pas à pas, non réglable)

Possible souci d'injecteur, comme le pense grostoto c'est un truc qui arrive, surtout avec les carburants pourris qu'on sert à la pompe (peu importe l'enseigne > tout est coupé à l'éthanol même le 98 dans presque toutes les stations).
Pour ma part j'aurais tendance à penser que sur ces anciens systèmes d'injection ça fait plus de mal que de bien.

Et bien sûr, un truc tout à fait "normal" sur nos voitures: la connectique générale, et en particulier celle du calculateur.
Renault Espace II RN J8S 1994 290000Km (le Sapin de noël), CG véhicule collection depuis le 09/2024 :mrgreen:
Peugeot 306 Berline "Symbio" 1.9D XUD9 1997 258000Km (Farce à la Rouille)
marcokl
Conduite accompagnée
Conduite accompagnée
Messages : 177
Enregistré le : 14 mai 2005, 00:34
: : :
Modèle : [Espace II 2.2 BVM]
Finition : Hélios
Année : 1993
: : :
: : :

Re: il crache de la suie

Message non lu par marcokl »

Ok , je pensais bien que c était la sonde sur admission d air .
Bon savez quoi ?
Je suis sorti sur la route , fait environ 25 kms via les petites routes à régime soutenu , et bien hormis que j ai éclaté le silencieux déjà bien fatigué, l espace ronronne plutôt bien . Plus de crachouille noire !!
Je refais la même chose demain pour voir , car la je suis revenu car mon niveau essence ⛽️ était allumé
grostoto
Fou (folle) du volant
Fou (folle) du volant
Messages : 8811
Enregistré le : 09 mars 2011, 14:48
: : :
Modèle : [Espace III 2.0 16V BVM]
Finition : RXT
Année : 2000
: : :
: : :
Localisation : centre

Re: il crache de la suie

Message non lu par grostoto »

cata pété ?
laine de silencieux qui obstruait l'echappement ?
marcokl
Conduite accompagnée
Conduite accompagnée
Messages : 177
Enregistré le : 14 mai 2005, 00:34
: : :
Modèle : [Espace II 2.2 BVM]
Finition : Hélios
Année : 1993
: : :
: : :

Re: il crache de la suie

Message non lu par marcokl »

Je ne pense pas que mon espace est catalysė
grostoto
Fou (folle) du volant
Fou (folle) du volant
Messages : 8811
Enregistré le : 09 mars 2011, 14:48
: : :
Modèle : [Espace III 2.0 16V BVM]
Finition : RXT
Année : 2000
: : :
: : :
Localisation : centre

Re: il crache de la suie

Message non lu par grostoto »

marcokl a écrit : 02 juin 2025, 18:16 Je ne pense pas que mon espace est catalysė
s'il y a une sonde lambda, il y a un catalyseur.. les 2 vont ensemble me semble t'il;,
Avatar du membre
Sigma
Fou (folle) du volant
Fou (folle) du volant
Messages : 1652
Enregistré le : 11 août 2022, 19:21
: : :
Modèle : [Espace II 2.1 TD]
Finition : Base
Année : 1994
: : :
: : :
Localisation : en dérapage

Re: il crache de la suie

Message non lu par Sigma »

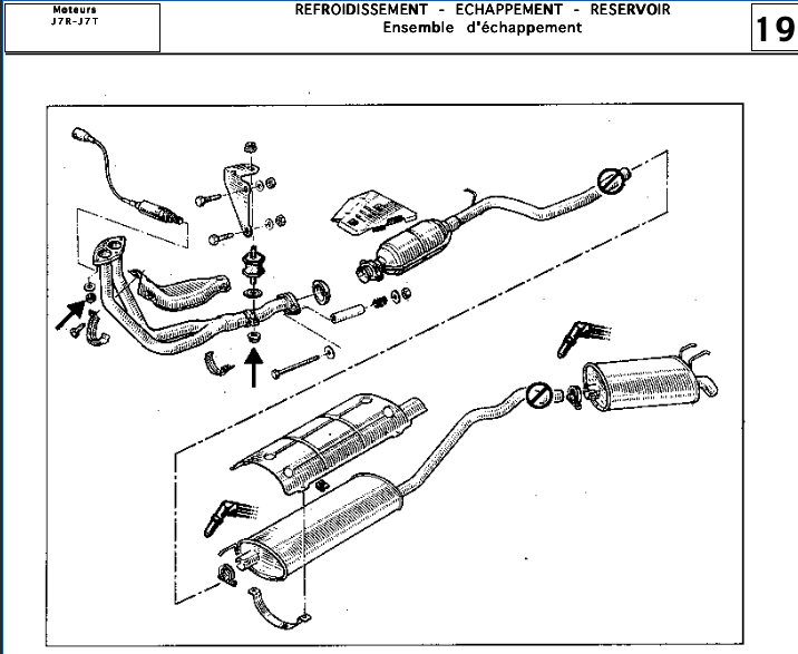
marcokl a écrit : 02 juin 2025, 18:16 Je ne pense pas que mon espace est catalysė
Tiens, t'as pas ce bidule qu'on voit juste après la descente collecteur échappement?
Capture d’écran_2025-06-02_19-04-30.png
Capture d’écran_2025-06-02_19-08-49.png
Capture d’écran_2025-06-02_19-08-49.png (12.27 Kio) Vu 1128 fois
Renault Espace II RN J8S 1994 290000Km (le Sapin de noël), CG véhicule collection depuis le 09/2024 :mrgreen:
Peugeot 306 Berline "Symbio" 1.9D XUD9 1997 258000Km (Farce à la Rouille)
Répondre