cache haut parleur
Modérateur : Equipe du site
-
florianlandes
- Passager(ère)

- Messages : 27
- Enregistré le : 01 nov. 2023, 11:36
- : : :
- Modèle : [Espace V 2.0 DCI 200]
- Finition : Initiale / Paris
- Année : 2019
- : : :
- : : :
cache haut parleur
Bonjour, je cherche a démonter le cache haut parleur av droit et gauche.
Quelqu'un serait me dire comment on les démonte ?
merci
Quelqu'un serait me dire comment on les démonte ?
merci
-
ledavidcom
- Sur la nationale

- Messages : 294
- Enregistré le : 31 déc. 2006, 15:03
Re: cache haut parleur
Bonjour
Normalement tu l attaques gentiment à la spatule plastique
Ça se tord fastoche
Il t'a fait quoi ?
Normalement tu l attaques gentiment à la spatule plastique
Ça se tord fastoche
Il t'a fait quoi ?
ESPACE 2 J8S 1996 (coussinets morts 180 000 km), ESPACE 3 G9T 2001 (coussinets morts 280 000 km), ESPACE 4 G9T 2006 (coussinets morts 100 000 km) Moteur changé, turbo mort a 15000, vilebrequin mort a 20 000, moteur rechangé. Bon jusque la ca va. Bon espace 5 160 boite auto. Encore du sport.
-
florianlandes
- Passager(ère)

- Messages : 27
- Enregistré le : 01 nov. 2023, 11:36
- : : :
- Modèle : [Espace V 2.0 DCI 200]
- Finition : Initiale / Paris
- Année : 2019
- : : :
- : : :
Re: cache haut parleur
j'ai essayer j'arrve pas a le sortir.
je n’ose pas trop forcé.
la grille a passé avec le soleil je voudrais les changer !
je n’ose pas trop forcé.
la grille a passé avec le soleil je voudrais les changer !
-
ledavidcom
- Sur la nationale

- Messages : 294
- Enregistré le : 31 déc. 2006, 15:03
Re: cache haut parleur
Je n'ose pas te conseiller de forcer
Mais bon, tu vas la changer de toutes façon
Moi je forcerais, ça finira bien par venir, ça doit être des clips plastique
Tout le tableau de bord est comme ça
des clips
Y compris la console centrale, 3 vis 50 clips
Mais bon, tu vas la changer de toutes façon
Moi je forcerais, ça finira bien par venir, ça doit être des clips plastique
Tout le tableau de bord est comme ça
des clips
Y compris la console centrale, 3 vis 50 clips
ESPACE 2 J8S 1996 (coussinets morts 180 000 km), ESPACE 3 G9T 2001 (coussinets morts 280 000 km), ESPACE 4 G9T 2006 (coussinets morts 100 000 km) Moteur changé, turbo mort a 15000, vilebrequin mort a 20 000, moteur rechangé. Bon jusque la ca va. Bon espace 5 160 boite auto. Encore du sport.
- nagrrra
- Fou (folle) du volant

- Messages : 1751
- Enregistré le : 23 sept. 2009, 10:32
- : : :
- Modèle : [Espace IV 2.2 DCI BVA]
- Finition : Privilège
- Année : 2006
- : : :
- : : :
- Localisation : Belfort (90) / Franche-Comté
Re: cache haut parleur
Dans un tel cas, on essaye de trouver des photos (de l'arrière) de la pièce sur le net afin de comprendre la méthode de fixation. Il est alors plus facile d'attaquer de la bonne méthode là où il faut...
Espace 4 Phase 2 Privilège de juin 2006 2.2 Dci 150 Cv / Boite auto / Aucun problème
-
ledavidcom
- Sur la nationale

- Messages : 294
- Enregistré le : 31 déc. 2006, 15:03
Re: cache haut parleur
Oui, j'ai regardé le dialogys
La pièce est la, pas de vis, pas le détail des clips
La pièce est la, pas de vis, pas le détail des clips
ESPACE 2 J8S 1996 (coussinets morts 180 000 km), ESPACE 3 G9T 2001 (coussinets morts 280 000 km), ESPACE 4 G9T 2006 (coussinets morts 100 000 km) Moteur changé, turbo mort a 15000, vilebrequin mort a 20 000, moteur rechangé. Bon jusque la ca va. Bon espace 5 160 boite auto. Encore du sport.
- nagrrra
- Fou (folle) du volant

- Messages : 1751
- Enregistré le : 23 sept. 2009, 10:32
- : : :
- Modèle : [Espace IV 2.2 DCI BVA]
- Finition : Privilège
- Année : 2006
- : : :
- : : :
- Localisation : Belfort (90) / Franche-Comté
Re: cache haut parleur
Alors, à partir de Dialogys, on peut avoir la référence de la pièce puis faire une recherche sur Google (image).
Espace 4 Phase 2 Privilège de juin 2006 2.2 Dci 150 Cv / Boite auto / Aucun problème
-
ledavidcom
- Sur la nationale

- Messages : 294
- Enregistré le : 31 déc. 2006, 15:03
Re: cache haut parleur
BOF
rien trouvé Ya presque tout sur le net
Le presque c'est que des enmerdes
rien trouvé Ya presque tout sur le net
Le presque c'est que des enmerdes
ESPACE 2 J8S 1996 (coussinets morts 180 000 km), ESPACE 3 G9T 2001 (coussinets morts 280 000 km), ESPACE 4 G9T 2006 (coussinets morts 100 000 km) Moteur changé, turbo mort a 15000, vilebrequin mort a 20 000, moteur rechangé. Bon jusque la ca va. Bon espace 5 160 boite auto. Encore du sport.
- nagrrra
- Fou (folle) du volant

- Messages : 1751
- Enregistré le : 23 sept. 2009, 10:32
- : : :
- Modèle : [Espace IV 2.2 DCI BVA]
- Finition : Privilège
- Année : 2006
- : : :
- : : :
- Localisation : Belfort (90) / Franche-Comté
Re: cache haut parleur
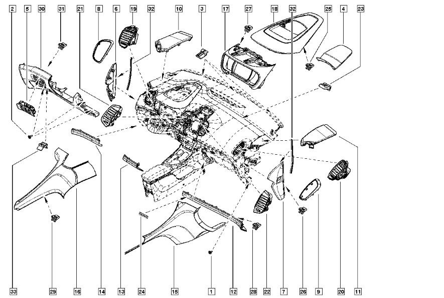
Ah ? Voici ce que j'ai trouvé et cette photo nous en apprend beaucoup :
Espace 4 Phase 2 Privilège de juin 2006 2.2 Dci 150 Cv / Boite auto / Aucun problème
-
ledavidcom
- Sur la nationale

- Messages : 294
- Enregistré le : 31 déc. 2006, 15:03
Re: cache haut parleur
hehe
joli
la on sait tout
spatule plastique
bourrin
les rebords on l air robustes, ça ne va pas tordre
ça va faire pop
joli
la on sait tout
spatule plastique
bourrin
les rebords on l air robustes, ça ne va pas tordre
ça va faire pop
ESPACE 2 J8S 1996 (coussinets morts 180 000 km), ESPACE 3 G9T 2001 (coussinets morts 280 000 km), ESPACE 4 G9T 2006 (coussinets morts 100 000 km) Moteur changé, turbo mort a 15000, vilebrequin mort a 20 000, moteur rechangé. Bon jusque la ca va. Bon espace 5 160 boite auto. Encore du sport.
-
florianlandes
- Passager(ère)

- Messages : 27
- Enregistré le : 01 nov. 2023, 11:36
- : : :
- Modèle : [Espace V 2.0 DCI 200]
- Finition : Initiale / Paris
- Année : 2019
- : : :
- : : :
Re: cache haut parleur
sur quel site arrivé vous a trouver les references constructeur ?
-
ultrapsg
- Conduite accompagnée

- Messages : 117
- Enregistré le : 23 août 2023, 21:40
- : : :
- Modèle : [Espace V 2.0 DCI 200]
- Finition : Initiale / Paris
- Année : 2020
- : : :
- : : :
- Localisation : Yvelines
Re: cache haut parleur
Bonjour,
Tu peux aller sur ce site
- https://partsouq.com/fr/catalog/genuine
- http://www.catcar.info/en/
Le premier est mieux car il est plus à jour par rapport au variante de véhicule.
Bonne soirée.
Tu peux aller sur ce site
- https://partsouq.com/fr/catalog/genuine
- http://www.catcar.info/en/
Le premier est mieux car il est plus à jour par rapport au variante de véhicule.
Bonne soirée.
Espace 5 phase 2 2.0 BLUEDCI 200 FAP INITIALE PARIS Juin 2020
-
florianlandes
- Passager(ère)

- Messages : 27
- Enregistré le : 01 nov. 2023, 11:36
- : : :
- Modèle : [Espace V 2.0 DCI 200]
- Finition : Initiale / Paris
- Année : 2019
- : : :
- : : :
Re: cache haut parleur
Top merci.
Et hormis chez Renault on peux commander les pièces ou ?
cdl
Et hormis chez Renault on peux commander les pièces ou ?
cdl
-
ultrapsg
- Conduite accompagnée

- Messages : 117
- Enregistré le : 23 août 2023, 21:40
- : : :
- Modèle : [Espace V 2.0 DCI 200]
- Finition : Initiale / Paris
- Année : 2020
- : : :
- : : :
- Localisation : Yvelines
Re: cache haut parleur
Tu met la référence sur internet et ensuite tu fais une recherche Google et des fois tu peux commander sur d’autres sites comme EBay ou autre site.
Espace 5 phase 2 2.0 BLUEDCI 200 FAP INITIALE PARIS Juin 2020
