[Tuto] Souci fermeture centralisée - Changement BFR Boitier Fusible Relais
Modérateur : Equipe du site
- Zegg12
- Conduite accompagnée

- Messages : 164
- Enregistré le : 28 août 2011, 12:43
- : : :
- Modèle : [Grand Espace IV 2.0 DCI 150 FAP BVA]
- Finition : Alyum Evolution
- Année : 2011
- : : :
- 2ème modèle : [GrandEspace IV V6 3.0 DCI 180]
- finition : Privilège
- Année : 2006
- : : :
Re: [Tuto] Souci fermeture centralisée - Changement BFR Boitier Fusible Relais
De mon côté même topo, car tout testé, batterie en premier (cf. Pilou
) et poignée côté conducteur. Je laisse cette douce besogne pour la rentrée. Quoiqu'il en soit, j'ai cru comprendre que pour noter la référence de boîtier fusibles relais d'habitacle il faut regarder sur le côté en bas du bloc fusibles se trouvant côté conducteur.
Ancien possesseur de l'Espace II 2.1 dtv Magellan de Kawa
« Qu'une nation ne fasse aucun effort, si elle veut, pour son bonheur, mais qu'elle ne travaille pas elle-même à sa ruine. », Etienne de La Boétie
«Les hommes naissent libres et égaux en droit. Après ils se démerdent.», Jean Yanne.
"Sachez que dans l'imaginaire du losange se cache la réalité du cric...", Carlos Ghosn.
« Qu'une nation ne fasse aucun effort, si elle veut, pour son bonheur, mais qu'elle ne travaille pas elle-même à sa ruine. », Etienne de La Boétie
«Les hommes naissent libres et égaux en droit. Après ils se démerdent.», Jean Yanne.
"Sachez que dans l'imaginaire du losange se cache la réalité du cric...", Carlos Ghosn.
- Bycker
- Apprenti-conducteur(trice)

- Messages : 94
- Enregistré le : 12 oct. 2019, 20:06
- : : :
- Modèle : [Grand Espace IV 2.0 DCI 175 FAP BVA]
- Finition : Initiale
- Année : 2011
- : : :
- : : :
Re: [Tuto] Souci fermeture centralisée - Changement BFR Boitier Fusible Relais
Bonjour à tous,
Voilà.... Moi aussi, centralisation en rade ! Mêmes symptômes que tout le monde, seul ma porte s'ouvre les autres reste fermé et plus de clignotement à la fermeture, juste bip claxon.
Donc j'ai commandé en suivant les presieus conseils de ce tuto un nouveau boîtier BFR d'occasion de laguna 2 en respectant la référence mais pas la lettre ! Je ferais l'échange la premier semaine d'août.... Je serais en vacances et avec un pote.... Toujours en suivant les conseil de chacun.
Je manquerai pas de faire quelque photos de l'installation.
Voilà... Souhaitez moi bonne chance !
Voilà.... Moi aussi, centralisation en rade ! Mêmes symptômes que tout le monde, seul ma porte s'ouvre les autres reste fermé et plus de clignotement à la fermeture, juste bip claxon.
Donc j'ai commandé en suivant les presieus conseils de ce tuto un nouveau boîtier BFR d'occasion de laguna 2 en respectant la référence mais pas la lettre ! Je ferais l'échange la premier semaine d'août.... Je serais en vacances et avec un pote.... Toujours en suivant les conseil de chacun.
Je manquerai pas de faire quelque photos de l'installation.
Voilà... Souhaitez moi bonne chance !
“Tu me dis, j'oublie. Tu m'enseignes, je me souviens. Tu m'impliques, j'apprends.”
M109R BOULEVARD 1800
M109R BOULEVARD 1800
- Zegg12
- Conduite accompagnée

- Messages : 164
- Enregistré le : 28 août 2011, 12:43
- : : :
- Modèle : [Grand Espace IV 2.0 DCI 150 FAP BVA]
- Finition : Alyum Evolution
- Année : 2011
- : : :
- 2ème modèle : [GrandEspace IV V6 3.0 DCI 180]
- finition : Privilège
- Année : 2006
- : : :
Re: [Tuto] Souci fermeture centralisée - Changement BFR Boitier Fusible Relais
En te souhaitant bonne chance, je le fais pour moi aussi...
Ancien possesseur de l'Espace II 2.1 dtv Magellan de Kawa
« Qu'une nation ne fasse aucun effort, si elle veut, pour son bonheur, mais qu'elle ne travaille pas elle-même à sa ruine. », Etienne de La Boétie
«Les hommes naissent libres et égaux en droit. Après ils se démerdent.», Jean Yanne.
"Sachez que dans l'imaginaire du losange se cache la réalité du cric...", Carlos Ghosn.
« Qu'une nation ne fasse aucun effort, si elle veut, pour son bonheur, mais qu'elle ne travaille pas elle-même à sa ruine. », Etienne de La Boétie
«Les hommes naissent libres et égaux en droit. Après ils se démerdent.», Jean Yanne.
"Sachez que dans l'imaginaire du losange se cache la réalité du cric...", Carlos Ghosn.
- Bycker
- Apprenti-conducteur(trice)

- Messages : 94
- Enregistré le : 12 oct. 2019, 20:06
- : : :
- Modèle : [Grand Espace IV 2.0 DCI 175 FAP BVA]
- Finition : Initiale
- Année : 2011
- : : :
- : : :
Re: [Tuto] Souci fermeture centralisée - Changement BFR Boitier Fusible Relais
Salut à tous,
Demain j'attaque le démontage avec un ami, je prendrai quelque photo, bien que certaine âme charitables l'ai déjà fait, histoire d'enrichir le tuto.
Croisons les doigts que tout ce passe bien.
Demain j'attaque le démontage avec un ami, je prendrai quelque photo, bien que certaine âme charitables l'ai déjà fait, histoire d'enrichir le tuto.
Croisons les doigts que tout ce passe bien.
“Tu me dis, j'oublie. Tu m'enseignes, je me souviens. Tu m'impliques, j'apprends.”
M109R BOULEVARD 1800
M109R BOULEVARD 1800
- Bycker
- Apprenti-conducteur(trice)

- Messages : 94
- Enregistré le : 12 oct. 2019, 20:06
- : : :
- Modèle : [Grand Espace IV 2.0 DCI 175 FAP BVA]
- Finition : Initiale
- Année : 2011
- : : :
- : : :
Re: [Tuto] Souci fermeture centralisée - Changement BFR Boitier Fusible Relais
Voilà, remplacement fait avec mon pote, en prenant notre temps avec pause bibine 4h déposé repose.
Et franchement grâce au tuto ça ce fait tranquillement à condition d'être deux
Merci à tous pour vos pressieu conseil
Tout refonctionne parfaitement.
Et franchement grâce au tuto ça ce fait tranquillement à condition d'être deux
Merci à tous pour vos pressieu conseil
Tout refonctionne parfaitement.
“Tu me dis, j'oublie. Tu m'enseignes, je me souviens. Tu m'impliques, j'apprends.”
M109R BOULEVARD 1800
M109R BOULEVARD 1800
-
Alex Rs
- Passager(ère)

- Messages : 44
- Enregistré le : 02 oct. 2012, 21:23
- : : :
- Modèle : [Espace IV 2.0 DCI 130 BVM]
- Finition : 25 Th
- Année : 2011
- : : :
- : : :
Re: [Tuto] Souci fermeture centralisée - Changement BFR Boitier Fusible Relais
Salut a tous
Idem pour moi espace 4 fin 2011 et seule la porte conducteur se ferme
Quelqu un a déjà acheté un.bfr en neuf?
Je n.ai jamais trop été fan de l'occase...
Idem pour moi espace 4 fin 2011 et seule la porte conducteur se ferme
Quelqu un a déjà acheté un.bfr en neuf?
Je n.ai jamais trop été fan de l'occase...
25 Th dci 130 Gris éclipse 215000
Zéro panne immobilisante
Mais a fini dans un mur accidentellement ...
Ensuite
25th 2011 dci 150 275000 kil
Beige Sahara idem tout casse ...
Maintenant
25 th fin 2011 modèle long
265000 kil
En cours de refection générale
Zéro panne immobilisante
Mais a fini dans un mur accidentellement ...
Ensuite
25th 2011 dci 150 275000 kil
Beige Sahara idem tout casse ...
Maintenant
25 th fin 2011 modèle long
265000 kil
En cours de refection générale
-
Eric N
- Passager(ère)

- Messages : 4
- Enregistré le : 20 déc. 2020, 19:59
- : : :
- Modèle : [Grand Espace IV 2.0 DCI 150 FAP BVM]
- Finition : Initiale
- Année : 2012
- : : :
- : : :
- Localisation : Pas de Calais
Re: [Tuto] Souci fermeture centralisée - Changement BFR Boitier Fusible Relais
Bonjour à tous,
j'ai eu moi même ce problème de fermeture de portes sur un espace 4 de 2012.
J'ai suivi les explications du tuto et j'ai pu accéder au BFR.
Cela peut vous intéressez de savoir que je ne l'ai pas changé mais que je l'ai réparé !! A l'intérieur il y avait une soudure cassée. En fait il y a 5 petits relais et 1 plus gros qui gèrent ce système d'ouverture.
En ce concerne notre problème à tous cela vient d'un soucis avec le plus gros relais. Comme par hasard c'est sur une patte de ce relais que la soudure était cassée.
Après re-soudure et remontage tout fonctionne à nouveau ! Et pour zéro euros ! Pas besoin de trouver un autre BFR sur Ebay ou en Pologne. Mettre des pièces d'occasion et même plus vieille sur son véhicule n'est pas terrible.
En réparant comme j'ai fait c'est le même BFR qui est de retour dans la voiture. J'ai testé et plus de soucis de portes !
Je confirme qu'il n'y a rien à reprogrammer et pourtant la batterie à été débranchée 3 jours.
La radio était verrouillée mais c'est revenu ok au second démarrage. Demain je fais un long trajet avec mon espace, cela confirmera. Pour l'instant je n'ai testé que dans le garage et en faisant un petit tour.
Pour ceux que ça intéressent je mettrais plus d'explications et de photos suite à mon trajet demain.
Attention pour ceux qui se lancent : c'est tout à fait possible seul mais il faut être délicat car tout est en plastique !!
On a vite fait de casser des clips ou des connecteurs. Ne pas forcer outre mesure.
Si ça ne vient pas essayez autrement sinon ça peut casser.
Attention à tous les connecteurs, bien les déverrouiller avant de tirer dessus. Je suis dispo pour donner d'autres infos sur les manipulations.
Bon courage.
Edit modération
Texte aéré pour une meilleure lecture et compréhension
Eric.
j'ai eu moi même ce problème de fermeture de portes sur un espace 4 de 2012.
J'ai suivi les explications du tuto et j'ai pu accéder au BFR.
Cela peut vous intéressez de savoir que je ne l'ai pas changé mais que je l'ai réparé !! A l'intérieur il y avait une soudure cassée. En fait il y a 5 petits relais et 1 plus gros qui gèrent ce système d'ouverture.
En ce concerne notre problème à tous cela vient d'un soucis avec le plus gros relais. Comme par hasard c'est sur une patte de ce relais que la soudure était cassée.
Après re-soudure et remontage tout fonctionne à nouveau ! Et pour zéro euros ! Pas besoin de trouver un autre BFR sur Ebay ou en Pologne. Mettre des pièces d'occasion et même plus vieille sur son véhicule n'est pas terrible.
En réparant comme j'ai fait c'est le même BFR qui est de retour dans la voiture. J'ai testé et plus de soucis de portes !
Je confirme qu'il n'y a rien à reprogrammer et pourtant la batterie à été débranchée 3 jours.
La radio était verrouillée mais c'est revenu ok au second démarrage. Demain je fais un long trajet avec mon espace, cela confirmera. Pour l'instant je n'ai testé que dans le garage et en faisant un petit tour.
Pour ceux que ça intéressent je mettrais plus d'explications et de photos suite à mon trajet demain.
Attention pour ceux qui se lancent : c'est tout à fait possible seul mais il faut être délicat car tout est en plastique !!
On a vite fait de casser des clips ou des connecteurs. Ne pas forcer outre mesure.
Si ça ne vient pas essayez autrement sinon ça peut casser.
Attention à tous les connecteurs, bien les déverrouiller avant de tirer dessus. Je suis dispo pour donner d'autres infos sur les manipulations.
Bon courage.
Edit modération
Texte aéré pour une meilleure lecture et compréhension
Eric.
-
Tristan27
- Sur la nationale

- Messages : 434
- Enregistré le : 04 avr. 2017, 12:21
- : : :
- Modèle : [Espace IV 2.2 DCI BVM]
- Finition : Alyum Plus
- Année : 2006
- : : :
- : : :
- Localisation : Oise
Re: [Tuto] Souci fermeture centralisée - Changement BFR Boitier Fusible Relais
Salut,
+1 pour quelque photo ça peut toujours servir a quelqu'un
+1 pour quelque photo ça peut toujours servir a quelqu'un
Espace IV phase 2 2.2dci 150CV 2006 Alyum Noir/Vert Abysse NV903
242500km
Clio 2 1.4 16v 209k km 100% éthanol
242500km
Clio 2 1.4 16v 209k km 100% éthanol
-
Eric N
- Passager(ère)

- Messages : 4
- Enregistré le : 20 déc. 2020, 19:59
- : : :
- Modèle : [Grand Espace IV 2.0 DCI 150 FAP BVM]
- Finition : Initiale
- Année : 2012
- : : :
- : : :
- Localisation : Pas de Calais
Re: [Tuto] Souci fermeture centralisée - Changement BFR Boitier Fusible Relais
Bonjour,
je reprends suite à mon message du 21/12/2020.
Je confirme, suite à mon trajet, que tout fonctionne correctement.
Ci dessous une photo de l'intérieur du BFR (référence du miens: 8200371619 C) une fois que le couvercle est enlevé. Ce couvercle est clipsé. Toujours pareil, ne pas forcer mais utiliser un petit tournevis pour faire levier.
Les 6 relais en question ne sont pas visibles car ils sont de l'autre côté de la carte (côté droit). Ce n'est pas grave car c'est les soudures qui nous intéressent. Il faut contrôler les soudures en bas à droite comme sur les photos ci dessous. Particulièrement celle entourée d'un trait bleu. La deuxième photo est un zoom de la première.
Vous arriverez sans doute à voir que la soudure s'est découpée en rond. Par contre pourquoi cette soudure se casse ? C'est un mystère pour moi surtout que je ne suis pas le seul à qui cela arrive.
Voila, j'espère que cela sera utile à quelqu'un.
je reprends suite à mon message du 21/12/2020.
Je confirme, suite à mon trajet, que tout fonctionne correctement.
Ci dessous une photo de l'intérieur du BFR (référence du miens: 8200371619 C) une fois que le couvercle est enlevé. Ce couvercle est clipsé. Toujours pareil, ne pas forcer mais utiliser un petit tournevis pour faire levier.
Les 6 relais en question ne sont pas visibles car ils sont de l'autre côté de la carte (côté droit). Ce n'est pas grave car c'est les soudures qui nous intéressent. Il faut contrôler les soudures en bas à droite comme sur les photos ci dessous. Particulièrement celle entourée d'un trait bleu. La deuxième photo est un zoom de la première.
Vous arriverez sans doute à voir que la soudure s'est découpée en rond. Par contre pourquoi cette soudure se casse ? C'est un mystère pour moi surtout que je ne suis pas le seul à qui cela arrive.
Voila, j'espère que cela sera utile à quelqu'un.
- Zegg12
- Conduite accompagnée

- Messages : 164
- Enregistré le : 28 août 2011, 12:43
- : : :
- Modèle : [Grand Espace IV 2.0 DCI 150 FAP BVA]
- Finition : Alyum Evolution
- Année : 2011
- : : :
- 2ème modèle : [GrandEspace IV V6 3.0 DCI 180]
- finition : Privilège
- Année : 2006
- : : :
Re: [Tuto] Souci fermeture centralisée - Changement BFR Boitier Fusible Relais
Salut, bonne année à toi. Pourrais-tu me donner le mode opératoire pour réaliser cette soudure ? Merci.
Ancien possesseur de l'Espace II 2.1 dtv Magellan de Kawa
« Qu'une nation ne fasse aucun effort, si elle veut, pour son bonheur, mais qu'elle ne travaille pas elle-même à sa ruine. », Etienne de La Boétie
«Les hommes naissent libres et égaux en droit. Après ils se démerdent.», Jean Yanne.
"Sachez que dans l'imaginaire du losange se cache la réalité du cric...", Carlos Ghosn.
« Qu'une nation ne fasse aucun effort, si elle veut, pour son bonheur, mais qu'elle ne travaille pas elle-même à sa ruine. », Etienne de La Boétie
«Les hommes naissent libres et égaux en droit. Après ils se démerdent.», Jean Yanne.
"Sachez que dans l'imaginaire du losange se cache la réalité du cric...", Carlos Ghosn.
-
Eric N
- Passager(ère)

- Messages : 4
- Enregistré le : 20 déc. 2020, 19:59
- : : :
- Modèle : [Grand Espace IV 2.0 DCI 150 FAP BVM]
- Finition : Initiale
- Année : 2012
- : : :
- : : :
- Localisation : Pas de Calais
Re: [Tuto] Souci fermeture centralisée - Changement BFR Boitier Fusible Relais
Bonjour,
si j'ai bien compris la question de Zegg12 c'est le mode opératoire pour la soudure qui est demandée.
Eh bien c'est super simple quand on en a déjà fait évidemment. Il faut avoir un fer à souder pour électronique
type "Weller" par exemple ou équivalent d'au moins 50W . De la soudure bien sûr et c'est tout.
Tu appliques le bout du fer à souder (une fois qu'il est chaud) sur la zone que tu veux souder.
La soudure commence à fondre. Tu en remets un peu par dessus mais pas trop. Ca ne doit pas faire une boule
non plus. Tu enlèves le fer à souder et c'est tout. Il faut regarder de près si la soudure est bien lisse et uniforme.
La soudure à base d'étain réalise le contact entre la piste en cuivre collée sur le circuit imprimé et la patte du
composant (le relais dans notre cas) et qui apparait au milieu de la soudure.
La brasure est terminée.
L'idéal étant de vérifier à l'ohmmètre si le contact est bien franc.
Voilà c'est tout. Il faut quelques secondes. Attention de ne pas surchauffer non plus au risque de décoller la pastille
du circuit imprimée. Il existe peut être sur Youtube des tuto qui explique comment réaliser une soudure.
Voila la procédure.
Moi je conseillerai plutôt à quelqu'un qui ne l'a jamais fait de trouver un copain qui sait faire
et qui a un fer à souder. Acheter un fer que pour ça c'est ballot !
Pourquoi ne pas aller dans un centre de réparation (pour informatique par exemple) et demander si quelqu'un n'a pas deux
secondes pour le faire.
Bonne réalisation
si j'ai bien compris la question de Zegg12 c'est le mode opératoire pour la soudure qui est demandée.
Eh bien c'est super simple quand on en a déjà fait évidemment. Il faut avoir un fer à souder pour électronique
type "Weller" par exemple ou équivalent d'au moins 50W . De la soudure bien sûr et c'est tout.
Tu appliques le bout du fer à souder (une fois qu'il est chaud) sur la zone que tu veux souder.
La soudure commence à fondre. Tu en remets un peu par dessus mais pas trop. Ca ne doit pas faire une boule
non plus. Tu enlèves le fer à souder et c'est tout. Il faut regarder de près si la soudure est bien lisse et uniforme.
La soudure à base d'étain réalise le contact entre la piste en cuivre collée sur le circuit imprimé et la patte du
composant (le relais dans notre cas) et qui apparait au milieu de la soudure.
La brasure est terminée.
L'idéal étant de vérifier à l'ohmmètre si le contact est bien franc.
Voilà c'est tout. Il faut quelques secondes. Attention de ne pas surchauffer non plus au risque de décoller la pastille
du circuit imprimée. Il existe peut être sur Youtube des tuto qui explique comment réaliser une soudure.
Voila la procédure.
Moi je conseillerai plutôt à quelqu'un qui ne l'a jamais fait de trouver un copain qui sait faire
et qui a un fer à souder. Acheter un fer que pour ça c'est ballot !
Pourquoi ne pas aller dans un centre de réparation (pour informatique par exemple) et demander si quelqu'un n'a pas deux
secondes pour le faire.
Bonne réalisation
- Zegg12
- Conduite accompagnée

- Messages : 164
- Enregistré le : 28 août 2011, 12:43
- : : :
- Modèle : [Grand Espace IV 2.0 DCI 150 FAP BVA]
- Finition : Alyum Evolution
- Année : 2011
- : : :
- 2ème modèle : [GrandEspace IV V6 3.0 DCI 180]
- finition : Privilège
- Année : 2006
- : : :
Re: [Tuto] Souci fermeture centralisée - Changement BFR Boitier Fusible Relais
Salut Éric, merci pour ta réponse. Effectivement ça a l'air chirurgical comme réalisation. Je peux me procurer temporairement un tel outil. En tout cas merci pour tes conseils, je vais voir comment je me dépatouillerai

Ancien possesseur de l'Espace II 2.1 dtv Magellan de Kawa
« Qu'une nation ne fasse aucun effort, si elle veut, pour son bonheur, mais qu'elle ne travaille pas elle-même à sa ruine. », Etienne de La Boétie
«Les hommes naissent libres et égaux en droit. Après ils se démerdent.», Jean Yanne.
"Sachez que dans l'imaginaire du losange se cache la réalité du cric...", Carlos Ghosn.
« Qu'une nation ne fasse aucun effort, si elle veut, pour son bonheur, mais qu'elle ne travaille pas elle-même à sa ruine. », Etienne de La Boétie
«Les hommes naissent libres et égaux en droit. Après ils se démerdent.», Jean Yanne.
"Sachez que dans l'imaginaire du losange se cache la réalité du cric...", Carlos Ghosn.
-
Wutch
- Fou (folle) du volant

- Messages : 3988
- Enregistré le : 04 sept. 2016, 15:57
- : : :
- Modèle : [Espace IV 2.0 T 165 BVM]
- Finition : Privilège
- Année : 2004
- : : :
- : : :
Re: [Tuto] Souci fermeture centralisée - Changement BFR Boitier Fusible Relais
Sinon, ça coûte pas bien cher, et ça sert régulièrement.
- Zegg12
- Conduite accompagnée

- Messages : 164
- Enregistré le : 28 août 2011, 12:43
- : : :
- Modèle : [Grand Espace IV 2.0 DCI 150 FAP BVA]
- Finition : Alyum Evolution
- Année : 2011
- : : :
- 2ème modèle : [GrandEspace IV V6 3.0 DCI 180]
- finition : Privilège
- Année : 2006
- : : :
Re: [Tuto] Souci fermeture centralisée - Changement BFR Boitier Fusible Relais
Salut à tou-te-s, opération réussie !!!
Donc, le constat d'Éric est le bon!!!
Un grand merci à toi Éric ainsi que mes 2 collègues pour m'avoir aidé à réparer les 3 soudures défectueuses qui faisaient que je n'avais absolument plus de fermeture centralisée.
Quel plaisir de déverrouiller la voiture par un seul mouvement de main...
Avis aux modos pour mettre la solution d'Éric en tuto qui, semble t'elle, résoud à coup sûr le problème lorsque la fermeture centralisée dysfonctionne.
Pour le démontage du tdb pas de difficulté particulière, on s'en débrouille seul-e.
L'ouverture du BFR est une opération relativement facile à condition d'être un minimum méticuleux-se.
Par contre Éric à raison concernant la difficulté de la soudure, si on ne sait pas bien faire (ce qui est mon cas) on fait faire par qui sait bien souder.
Donc, le constat d'Éric est le bon!!!
Un grand merci à toi Éric ainsi que mes 2 collègues pour m'avoir aidé à réparer les 3 soudures défectueuses qui faisaient que je n'avais absolument plus de fermeture centralisée.
Quel plaisir de déverrouiller la voiture par un seul mouvement de main...
Avis aux modos pour mettre la solution d'Éric en tuto qui, semble t'elle, résoud à coup sûr le problème lorsque la fermeture centralisée dysfonctionne.
Pour le démontage du tdb pas de difficulté particulière, on s'en débrouille seul-e.
L'ouverture du BFR est une opération relativement facile à condition d'être un minimum méticuleux-se.
Par contre Éric à raison concernant la difficulté de la soudure, si on ne sait pas bien faire (ce qui est mon cas) on fait faire par qui sait bien souder.
Ancien possesseur de l'Espace II 2.1 dtv Magellan de Kawa
« Qu'une nation ne fasse aucun effort, si elle veut, pour son bonheur, mais qu'elle ne travaille pas elle-même à sa ruine. », Etienne de La Boétie
«Les hommes naissent libres et égaux en droit. Après ils se démerdent.», Jean Yanne.
"Sachez que dans l'imaginaire du losange se cache la réalité du cric...", Carlos Ghosn.
« Qu'une nation ne fasse aucun effort, si elle veut, pour son bonheur, mais qu'elle ne travaille pas elle-même à sa ruine. », Etienne de La Boétie
«Les hommes naissent libres et égaux en droit. Après ils se démerdent.», Jean Yanne.
"Sachez que dans l'imaginaire du losange se cache la réalité du cric...", Carlos Ghosn.
-
Théo.
- Passager(ère)

- Messages : 13
- Enregistré le : 13 mars 2021, 17:20
- : : :
- Modèle : [Grand Espace IV 2.0 T 170 BVA]
- Finition : Alyum Evolution
- Année : 2010
- : : :
- : : :
- Localisation : Nord Deux-Sèvres
Re: [Tuto] Souci fermeture centralisée - Changement BFR Boitier Fusible Relais
Salut,
J'ai un espace IV depuis 2 ans et j'avais également le même problème depuis presque la même durée.
Mon garagiste, un peu désemparé, avait essayé d'avoir des info en contactant Renault et soit ils n'ont pas su l'aider (volontairement ou involontairement) en lui disant qu'ils ne connaissaient pas le problème soit ils lui ont fait peur sur le temps d'intervention conseillé et le prix potentiel des pièces.
Bref, personne a voulu se mouiller pour me faire un devis sérieux du coup on m'a proposé d’immobiliser le véhicule deux semaines pour y regarder et que ça devrait se chiffrer au final entre 500 et 3000€ mais qu'on en savait trop rien ... et ça a trainé pendant plus d'un an.
J'ai donc entamé mes propres recherches et très vite on comprend que c'est en fait un problème récurant, qui est mal réglé par Renault et que c'est un peu cher. Mais surtout grâce à ce forum, on se rend compte qu'a 90% le problème vient du BFR, du coup je m'était mis en tête de le remplacer moi-même. Mais je n'ai jamais trouvé ma référence exact et j'avais stoppé les recherches.
Depuis trois jours, j'y suis revenu et je dois dire un grand merci à Eric N ! J'en revenais pas, quand j'ai vu ça je me suis dit allez, on démonte tout de suite.
J'ai donc démonter mon TDB en suivant ce tuto : https://forum-auto.caradisiac.com/topic ... -espace-4/
La aussi, merci à eux !
Pour ceux qui se tâtent, allez-y c'est vraiment pas compliqué (pour l'étape final, déplacer le bloc TDB entier puis le reposer, c'est plus simple à deux honnêtement mais ça passe aussi tout seul)
J'avais exactement la même référence de boitier qu' Eric N (8200371619 C), et j'avais exactement la même soudure à refaire.
Pareil ; ça reste de la soudure relativement grossière, c'est assez simple.
Attention tout de même, mon petit fer de 50W qui marche très bien en électronique était un peu juste. L'étain utilisé par Renault était de très mauvaise qualité avec une température de fusion assez haute ..
Temps total, 5h avec le bon matériel mais en prenant le temps et seul (sauf repose de la grosse pièce du TDB) et ça marche nickel ! Du bonheur de retrouver un espace fonctionnel tout en faisant des économies
Encore merci et bon courage au suivants !
J'ai un espace IV depuis 2 ans et j'avais également le même problème depuis presque la même durée.
Mon garagiste, un peu désemparé, avait essayé d'avoir des info en contactant Renault et soit ils n'ont pas su l'aider (volontairement ou involontairement) en lui disant qu'ils ne connaissaient pas le problème soit ils lui ont fait peur sur le temps d'intervention conseillé et le prix potentiel des pièces.
Bref, personne a voulu se mouiller pour me faire un devis sérieux du coup on m'a proposé d’immobiliser le véhicule deux semaines pour y regarder et que ça devrait se chiffrer au final entre 500 et 3000€ mais qu'on en savait trop rien ... et ça a trainé pendant plus d'un an.
J'ai donc entamé mes propres recherches et très vite on comprend que c'est en fait un problème récurant, qui est mal réglé par Renault et que c'est un peu cher. Mais surtout grâce à ce forum, on se rend compte qu'a 90% le problème vient du BFR, du coup je m'était mis en tête de le remplacer moi-même. Mais je n'ai jamais trouvé ma référence exact et j'avais stoppé les recherches.
Depuis trois jours, j'y suis revenu et je dois dire un grand merci à Eric N ! J'en revenais pas, quand j'ai vu ça je me suis dit allez, on démonte tout de suite.
J'ai donc démonter mon TDB en suivant ce tuto : https://forum-auto.caradisiac.com/topic ... -espace-4/
La aussi, merci à eux !
Pour ceux qui se tâtent, allez-y c'est vraiment pas compliqué (pour l'étape final, déplacer le bloc TDB entier puis le reposer, c'est plus simple à deux honnêtement mais ça passe aussi tout seul)
J'avais exactement la même référence de boitier qu' Eric N (8200371619 C), et j'avais exactement la même soudure à refaire.
Pareil ; ça reste de la soudure relativement grossière, c'est assez simple.
Attention tout de même, mon petit fer de 50W qui marche très bien en électronique était un peu juste. L'étain utilisé par Renault était de très mauvaise qualité avec une température de fusion assez haute ..
Temps total, 5h avec le bon matériel mais en prenant le temps et seul (sauf repose de la grosse pièce du TDB) et ça marche nickel ! Du bonheur de retrouver un espace fonctionnel tout en faisant des économies
Encore merci et bon courage au suivants !
Grand Espace IV 2.0T 170 cv BVA - 2010 - Achat 120 000Km 2019 - 153 000Km cette année
- Totor33
- Fou (folle) du volant

- Messages : 4596
- Enregistré le : 09 nov. 2006, 11:22
- : : :
- Modèle : [Espace III 2.2 DCI 130]
- Finition : Privilège
- Année : 2001
- : : :
- 2ème modèle : [Espace IV 2.0 DCI 150 FAP BVA]
- finition : Privilège
- Année : 2008
- : : :
- 3ème modèle : [Grand Espace IV 2.0 DCI 175 FAP BVA]
- Finition : Intens
- Année : 2014
Re: [Tuto] Souci fermeture centralisée - Changement BFR Boitier Fusible Relais
Bonjour,
Je pense que si la soudure casse, c'est à cause des vibrations sur le composant de l'autre coté du CI. Suivant ce que c'est et si il y a de la place coté composant, je pense qu'un point ou deux de colle au pistolet permettrait de pérenniser la réparation en empêchant le composant de vibrer.
Je pense que si la soudure casse, c'est à cause des vibrations sur le composant de l'autre coté du CI. Suivant ce que c'est et si il y a de la place coté composant, je pense qu'un point ou deux de colle au pistolet permettrait de pérenniser la réparation en empêchant le composant de vibrer.
Totor33
--------------------------------
Simca 1501
Ford Escort 940.
Simca 1301 - 230 000 km
504 TI BVA
R18 GTD
R21 Nevada GTD - 243 000 km
Espace II Diesel 1994 - 342 530 km - 15-03-2011 CT Vierge! -
Espace III 2.2 DCI - 2001 - 450 142 km affichés au compteur (en réalité 160 000 km de moins (bug!!!)) - Moteur changé à 50 000 km).
Espace IV 2.0 150 cv BVA - 2008 - 242 000 Km ..... offert à ma fille pour Noël.....
Kangoo 1.9D Alizé - 2000 - 315 875 Km...... nouveau venu pour ma Fille.
Espace IV 2.0 -175 cv - BVA6 - 2014 - 98 020 Km

--------------------------------
Simca 1501
Ford Escort 940.
Simca 1301 - 230 000 km
504 TI BVA
R18 GTD
R21 Nevada GTD - 243 000 km
Espace II Diesel 1994 - 342 530 km - 15-03-2011 CT Vierge! -
Espace III 2.2 DCI - 2001 - 450 142 km affichés au compteur (en réalité 160 000 km de moins (bug!!!)) - Moteur changé à 50 000 km).
Espace IV 2.0 150 cv BVA - 2008 - 242 000 Km ..... offert à ma fille pour Noël.....
Kangoo 1.9D Alizé - 2000 - 315 875 Km...... nouveau venu pour ma Fille.
Espace IV 2.0 -175 cv - BVA6 - 2014 - 98 020 Km

-
Théo.
- Passager(ère)

- Messages : 13
- Enregistré le : 13 mars 2021, 17:20
- : : :
- Modèle : [Grand Espace IV 2.0 T 170 BVA]
- Finition : Alyum Evolution
- Année : 2010
- : : :
- : : :
- Localisation : Nord Deux-Sèvres
Re: [Tuto] Souci fermeture centralisée - Changement BFR Boitier Fusible Relais
Bonjour,
Pour le coup, j'avais entièrement démonté le circuit imprimé de son boitier pour voir si il n'y avait rien de l'autre côté. Je pensais à un problème de vibration aussi ; mais après démontage, je trouve que ça doit pas être si sensible que ça aux vibrations. Je miserait plutôt sur la mauvaise qualité d'étain et des alternances de température (ça doit chauffer par moment). Qu'en penses-tu aux vues des photos ?Totor33 a écrit : 14 mars 2021, 10:02 Bonjour,
Je pense que si la soudure casse, c'est à cause des vibrations sur le composant de l'autre coté du CI. Suivant ce que c'est et si il y a de la place coté composant, je pense qu'un point ou deux de colle au pistolet permettrait de pérenniser la réparation en empêchant le composant de vibrer.
Grand Espace IV 2.0T 170 cv BVA - 2010 - Achat 120 000Km 2019 - 153 000Km cette année
-
didierbertoldi
- Passager(ère)

- Messages : 12
- Enregistré le : 23 août 2021, 18:11
- : : :
- Modèle : [Espace IV 2.0 DCI 130 BVM]
- Finition : 25 Th
- Année : 2010
- : : :
- : : :
Re: [Tuto] Souci fermeture centralisée - Changement BFR Boitier Fusible Relais
Bonjour à tous,
Comme vous j'ai le problème de centralisation de mon espace 4 2.0DCI 130Ch de 2010 finition 25th. J'ai réussi accéder au BFR et en l'ouvrant je découvre que la soudure qui est cassée sur le BFR de Téo l'est aussi sur le BFR de ma voiture. Je vais donc refaire la soudure et j'espère que cela résoudra ce problème. Je vous tiendrai informé.
Je profite de ce petit post car j'avais prévu d’échanger mon BFR qui est 8200371619-C par un d'occasion. j'ai trouvé un 8200371619-b. J'ai l’impression que la différence vient de deux relais qui sont présents sur le "c" et pas sur le "b". Savez vous si je repositionne les deux relais manquants sur le B si cela me permettra de "transformer mon "b" en "c"?
Par ailleurs j'ai aussi un petit soucis avec mon compteur. En effet lorsque la voiture est froide, celui-ci ne s'allume pas. Il faut attendre que la voiture chauffe pour que le compteur s'allume. Je me suis dis que cela pouvait provenir de mauvais contact que se font mal à froid et qui se font mieux à chaud sous l'effet de la dilatation. Est ce que l'un de vous a déjà eu ce pb et savez vous si le bfr et des soudures défectueuses pourraient être à l'origine de ce pb?
D'avance je vous remercie tous pour votre aide.
Didier
Comme vous j'ai le problème de centralisation de mon espace 4 2.0DCI 130Ch de 2010 finition 25th. J'ai réussi accéder au BFR et en l'ouvrant je découvre que la soudure qui est cassée sur le BFR de Téo l'est aussi sur le BFR de ma voiture. Je vais donc refaire la soudure et j'espère que cela résoudra ce problème. Je vous tiendrai informé.
Je profite de ce petit post car j'avais prévu d’échanger mon BFR qui est 8200371619-C par un d'occasion. j'ai trouvé un 8200371619-b. J'ai l’impression que la différence vient de deux relais qui sont présents sur le "c" et pas sur le "b". Savez vous si je repositionne les deux relais manquants sur le B si cela me permettra de "transformer mon "b" en "c"?
Par ailleurs j'ai aussi un petit soucis avec mon compteur. En effet lorsque la voiture est froide, celui-ci ne s'allume pas. Il faut attendre que la voiture chauffe pour que le compteur s'allume. Je me suis dis que cela pouvait provenir de mauvais contact que se font mal à froid et qui se font mieux à chaud sous l'effet de la dilatation. Est ce que l'un de vous a déjà eu ce pb et savez vous si le bfr et des soudures défectueuses pourraient être à l'origine de ce pb?
D'avance je vous remercie tous pour votre aide.
Didier
Didier
-
Wutch
- Fou (folle) du volant

- Messages : 3988
- Enregistré le : 04 sept. 2016, 15:57
- : : :
- Modèle : [Espace IV 2.0 T 165 BVM]
- Finition : Privilège
- Année : 2004
- : : :
- : : :
Re: [Tuto] Souci fermeture centralisée - Changement BFR Boitier Fusible Relais
Pour le compteur, c'est un classique. Problème de soudures de mauvaises qualité. Cherche un peu sur le forum, tu trouveras de quoi traiter ca.
-
didierbertoldi
- Passager(ère)

- Messages : 12
- Enregistré le : 23 août 2021, 18:11
- : : :
- Modèle : [Espace IV 2.0 DCI 130 BVM]
- Finition : 25 Th
- Année : 2010
- : : :
- : : :
Re: [Tuto] Souci fermeture centralisée - Changement BFR Boitier Fusible Relais
Bonjour Wutch,Wutch a écrit : 02 sept. 2021, 20:37 Pour le compteur, c'est un classique. Problème de soudures de mauvaises qualité. Cherche un peu sur le forum, tu trouveras de quoi traiter ca.
Merci pour ton message. je vais continuer de fureter sur le site pour le compteur. Mais j'ai l'impression que les soucis rencontrés et résolus sur le forum concernent les compteurs de phase 1 c'est à dire les compteurs qui étaient (si j'ai bien tout compris) montés aussi sur les scénic. J'ai une phase 2 et le compteur est différent, par exemple le GPS est désolidarisé du compteur.
Si tu as des éléments pour réparer un compteur de phase 2, je prends car je galère. J'ai bien contacté quelques réparateurs, mais dès que je dis que c'est un phase 2, ils ne sont pas en mesure de m'assurer d'une réparation. Tu me diras je suis peut être tombé sur de mauvais réparateurs!
A bientôt,
Didier
Didier
-
Wutch
- Fou (folle) du volant

- Messages : 3988
- Enregistré le : 04 sept. 2016, 15:57
- : : :
- Modèle : [Espace IV 2.0 T 165 BVM]
- Finition : Privilège
- Année : 2004
- : : :
- : : :
Re: [Tuto] Souci fermeture centralisée - Changement BFR Boitier Fusible Relais
Ah, effectivement je ne sais pas si c'est le même soucis pour phase 2 avec GPS.
-
didierbertoldi
- Passager(ère)

- Messages : 12
- Enregistré le : 23 août 2021, 18:11
- : : :
- Modèle : [Espace IV 2.0 DCI 130 BVM]
- Finition : 25 Th
- Année : 2010
- : : :
- : : :
Re: [Tuto] Souci fermeture centralisée - Changement BFR Boitier Fusible Relais
Eric N a écrit : 24 déc. 2020, 17:16 Bonjour,
je reprends suite à mon message du 21/12/2020.
Je confirme, suite à mon trajet, que tout fonctionne correctement.
Ci dessous une photo de l'intérieur du BFR (référence du miens: 8200371619 C) une fois que le couvercle est enlevé. Ce couvercle est clipsé. Toujours pareil, ne pas forcer mais utiliser un petit tournevis pour faire levier.
IMG_20201220_091414815.jpg
Les 6 relais en question ne sont pas visibles car ils sont de l'autre côté de la carte (côté droit). Ce n'est pas grave car c'est les soudures qui nous intéressent. Il faut contrôler les soudures en bas à droite comme sur les photos ci dessous. Particulièrement celle entourée d'un trait bleu. La deuxième photo est un zoom de la première.
InkedIMG_20201219_194708741_LI.jpg
InkedSoudure défaillante_LI.jpg
Vous arriverez sans doute à voir que la soudure s'est découpée en rond. Par contre pourquoi cette soudure se casse ? C'est un mystère pour moi surtout que je ne suis pas le seul à qui cela arrive.
Voila, j'espère que cela sera utile à quelqu'un.
Bonjour Tous,
petit retour concernant le probleme de centralisation. En effet la réparation de cette soudure permet de resoudre le pb sans avoir à chnager le BFR. Bravo a ceux qui ont trouvé cette solution! respect à vous.
A bientôt,
Didier
Didier
- ludo_surali
- Sur la nationale

- Messages : 286
- Enregistré le : 08 avr. 2008, 11:43
- : : :
- Modèle : [Espace II Quadra]
- Finition : TXE injection
- Année : 1990
- : : :
- 2ème modèle : [Grand Espace IV 2.2 DCI BVM]
- finition : Privilège
- Année : 2005
- : : :
- 3ème modèle : [Grand Espace IV 2.0 DCI 175 FAP BVM]
- Finition : Initiale
- Année : 2013
- Contact :
Re: [Tuto] Souci fermeture centralisée - Changement BFR Boitier Fusible Relais
Bonjour et bonne année 2022 a tous en espérant qu'elle soit meilleur que ces 2 dernières.
j'ai changé mon espace 4 privilège de 2005 (dci150 2.2) par un initiale de 2013(dci 2L 175) dernier millésime. mais comme toute auto d'occasion il y avais quelques bricoles a reprendre...
j'ai pu réparer la plus part des dysfonctionnements et la je m'attaque a la centralisation qui a les symptômes que vous connaissez (une partie de portes qui se ferment pendant que d'autre s'ouvrent et vis versa).
j'ai tout démonté le TBD suivant les consignes d'un site qui est en lien dans ce fil, c'est long mais bon on y arrive. (prévoir 2h a 3h)
La j'ai pu accéder a la BFR UCH avec difficulté sans trop déplacé le TBD pour pas forcer sur les plastiques.
Mon soucis est que j'ai bien ouvert tout de la BFR, et les soudures me semblent ne pas avoir de problème, je teste a l'ohmmètre et RAS, j'ai testé le Relais 22 de centralisation a froid sans courant il y a bien une résistance, je vais utiliser une petite batterie de12v pour voir s'il claque et fait le contact.
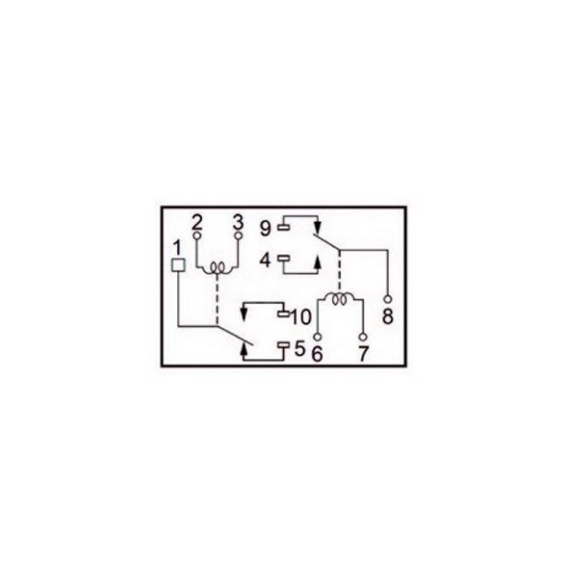
J'ai testé les contacts sur la carte aux bornes du relais NEC "ep2f-b3g1st 3d4 290" et suivant le datasheet en lien ici
https://www.rvea.fr/composants/relais/6 ... ep2fb3g1st
J'ai la aussi trouvé aucun mauvais contacts, tout sonne bien clair a l'ohmmètre.
a mon BFR est aussi un 8200371619-C
....
Je viens de testé le relais 22 12v-50A-03525 mauve, et il bip bien a l'ohmmètre avec l'aide d'un batterie 12v de secoure de dispo dans mon box.
Avez vous des idées ? est ce que vous la soudure avait un aspect correct bipait a l'ohmmètre, mais après re soudage le problème avait disparu quand même bien que rien ne laissait entrevoir un problème de ce coté du relais NEC ?
merci pour vos reponses.
j'ai changé mon espace 4 privilège de 2005 (dci150 2.2) par un initiale de 2013(dci 2L 175) dernier millésime. mais comme toute auto d'occasion il y avais quelques bricoles a reprendre...
j'ai pu réparer la plus part des dysfonctionnements et la je m'attaque a la centralisation qui a les symptômes que vous connaissez (une partie de portes qui se ferment pendant que d'autre s'ouvrent et vis versa).
j'ai tout démonté le TBD suivant les consignes d'un site qui est en lien dans ce fil, c'est long mais bon on y arrive. (prévoir 2h a 3h)
La j'ai pu accéder a la BFR UCH avec difficulté sans trop déplacé le TBD pour pas forcer sur les plastiques.
Mon soucis est que j'ai bien ouvert tout de la BFR, et les soudures me semblent ne pas avoir de problème, je teste a l'ohmmètre et RAS, j'ai testé le Relais 22 de centralisation a froid sans courant il y a bien une résistance, je vais utiliser une petite batterie de12v pour voir s'il claque et fait le contact.
J'ai testé les contacts sur la carte aux bornes du relais NEC "ep2f-b3g1st 3d4 290" et suivant le datasheet en lien ici
https://www.rvea.fr/composants/relais/6 ... ep2fb3g1st
J'ai la aussi trouvé aucun mauvais contacts, tout sonne bien clair a l'ohmmètre.
a mon BFR est aussi un 8200371619-C
....
Je viens de testé le relais 22 12v-50A-03525 mauve, et il bip bien a l'ohmmètre avec l'aide d'un batterie 12v de secoure de dispo dans mon box.
Avez vous des idées ? est ce que vous la soudure avait un aspect correct bipait a l'ohmmètre, mais après re soudage le problème avait disparu quand même bien que rien ne laissait entrevoir un problème de ce coté du relais NEC ?
merci pour vos reponses.
Renault Espace Quadra 2.2i 06/92 Bleu vertvendu
Renault 21 2.OLitres Turbo 05/91 Bleu Sport
Renault Grand Espace IV 2.2dci150 privilege 09/05 bleu orage 415 000 kms ! vendu Boite HS
Renault Grand Espace IV 2.0 dci 175 Initial 06/13 blanc 269 000 kms
Renault 21 2.OLitres Turbo 05/91 Bleu Sport
Renault Grand Espace IV 2.2dci150 privilege 09/05 bleu orage 415 000 kms ! vendu Boite HS
Renault Grand Espace IV 2.0 dci 175 Initial 06/13 blanc 269 000 kms
- ludo_surali
- Sur la nationale

- Messages : 286
- Enregistré le : 08 avr. 2008, 11:43
- : : :
- Modèle : [Espace II Quadra]
- Finition : TXE injection
- Année : 1990
- : : :
- 2ème modèle : [Grand Espace IV 2.2 DCI BVM]
- finition : Privilège
- Année : 2005
- : : :
- 3ème modèle : [Grand Espace IV 2.0 DCI 175 FAP BVM]
- Finition : Initiale
- Année : 2013
- Contact :
Re: [Tuto] Souci fermeture centralisée - Changement BFR Boitier Fusible Relais
hum, je viens de me rendre compte que le relais 22 n'est pas le bon, le 22 est pour L'UCH non pour le verrouillage, verrouillage c'est le 12 un des 2 roucge a 60a soit le ref 12v-60a03540.
je vais testé... et chercher de ce coté.
je vais testé... et chercher de ce coté.
Renault Espace Quadra 2.2i 06/92 Bleu vertvendu
Renault 21 2.OLitres Turbo 05/91 Bleu Sport
Renault Grand Espace IV 2.2dci150 privilege 09/05 bleu orage 415 000 kms ! vendu Boite HS
Renault Grand Espace IV 2.0 dci 175 Initial 06/13 blanc 269 000 kms
Renault 21 2.OLitres Turbo 05/91 Bleu Sport
Renault Grand Espace IV 2.2dci150 privilege 09/05 bleu orage 415 000 kms ! vendu Boite HS
Renault Grand Espace IV 2.0 dci 175 Initial 06/13 blanc 269 000 kms
- ludo_surali
- Sur la nationale

- Messages : 286
- Enregistré le : 08 avr. 2008, 11:43
- : : :
- Modèle : [Espace II Quadra]
- Finition : TXE injection
- Année : 1990
- : : :
- 2ème modèle : [Grand Espace IV 2.2 DCI BVM]
- finition : Privilège
- Année : 2005
- : : :
- 3ème modèle : [Grand Espace IV 2.0 DCI 175 FAP BVM]
- Finition : Initiale
- Année : 2013
- Contact :
Re: [Tuto] Souci fermeture centralisée - Changement BFR Boitier Fusible Relais
voici vraisemblablement le responsable de ma panne, un morceau de plastique dans le relais R12.
avant démontage le relais ne claquait pas et aucun bip a l'ohmmètre.
relais hs pour hs, il y avait un petit clac clac quand on le secouait, j'ouvre, et la un plastique tombe, je teste a nouveau et la il fonctionne a nouveau.
je vais remonter et tester sur la voiture.
le morceau de plastique
avant démontage le relais ne claquait pas et aucun bip a l'ohmmètre.
relais hs pour hs, il y avait un petit clac clac quand on le secouait, j'ouvre, et la un plastique tombe, je teste a nouveau et la il fonctionne a nouveau.
je vais remonter et tester sur la voiture.
le morceau de plastique
Renault Espace Quadra 2.2i 06/92 Bleu vertvendu
Renault 21 2.OLitres Turbo 05/91 Bleu Sport
Renault Grand Espace IV 2.2dci150 privilege 09/05 bleu orage 415 000 kms ! vendu Boite HS
Renault Grand Espace IV 2.0 dci 175 Initial 06/13 blanc 269 000 kms
Renault 21 2.OLitres Turbo 05/91 Bleu Sport
Renault Grand Espace IV 2.2dci150 privilege 09/05 bleu orage 415 000 kms ! vendu Boite HS
Renault Grand Espace IV 2.0 dci 175 Initial 06/13 blanc 269 000 kms
