Parceque coincé comme il est derrière l’assistance de freinage c'est bien chiant et bien compliqué à démonter sur l'espace donneur sans le moteur alors j’ose imaginer le merdier bien inaccessible sur l'autre avec moteur en place ...
Changement moteur 2.2 DCI ... (antidemarrage ?)
Modérateur : Equipe du site
- djoce
- Apprenti-conducteur(trice)

- Messages : 90
- Enregistré le : 29 avr. 2024, 19:22
- : : :
- Modèle : [Grand Espace III 2.2 DCI 130]
- Finition : Initiale
- Année : 2001
- : : :
- 2ème modèle : [Grand Espace III 2.2 DCI 130]
- finition : Privilège
- Année : 2002
- : : :
- 3ème modèle : [Grand Espace III 2.2 DT]
- Finition : Fidji
- Année : 2001
Re: Changement moteur et antidemarrage ...
Quelqu'un a une astuce pour démonter ce satané émetteur ?
Parceque coincé comme il est derrière l’assistance de freinage c'est bien chiant et bien compliqué à démonter sur l'espace donneur sans le moteur alors j’ose imaginer le merdier bien inaccessible sur l'autre avec moteur en place ...

Parceque coincé comme il est derrière l’assistance de freinage c'est bien chiant et bien compliqué à démonter sur l'espace donneur sans le moteur alors j’ose imaginer le merdier bien inaccessible sur l'autre avec moteur en place ...
Il n'y a pas de problèmes, il n'y a que des solutions astuces
... mais encore faut il parfois se poser et la chercher


- LeJeune6troeniste
- Fou (folle) du volant

- Messages : 2819
- Enregistré le : 01 juil. 2019, 18:39
- : : :
- Modèle : [Espace IV 2.0 T 165 BVM]
- Finition : Privilège
- Année : 2004
- : : :
- : : :
Re: Changement moteur et antidemarrage ...
J'ai pas sous les yeux mais peut-être par l'habitacle ? Que tu vas en baver c'est certain malheureusement 
De mémoire en feuilletant le MR du IV, ils disent de virer l'assistance... mais je ne suis pas sur non plus. Je vais devoir y passer bientôt, j'ai la pièce neuve
De mémoire en feuilletant le MR du IV, ils disent de virer l'assistance... mais je ne suis pas sur non plus. Je vais devoir y passer bientôt, j'ai la pièce neuve
Espace IV 2.0T Privilège BVM de 04/2004
Bleu Orage, 262 652 km, dans la famille depuis 06/2014 et 87 898
CT OK jusqu'en 03/2027 !
Espace IV 2.0T Alyum Plus BVM de 01/2007 Noir Nacré, qui a servi de 07/19 à 11/21 sur 18 108 km, vendu
VW Golf III 1,8 Syncro de 10/1995
, 301 560 km
Jaguar XJ40 3,6 BVA Sovereign de 02/1989
, 92 607 km au total et ce depuis 2001
Soucis d'étincelle a priori trouvé, réfection du système d'alimentation en carburant en cours
Espace IV 2.0T Alyum Plus BVM de 01/2007 Noir Nacré, qui a servi de 07/19 à 11/21 sur 18 108 km, vendu
VW Golf III 1,8 Syncro de 10/1995
Jaguar XJ40 3,6 BVA Sovereign de 02/1989
- Sigma
- Fou (folle) du volant

- Messages : 1661
- Enregistré le : 11 août 2022, 19:21
- : : :
- Modèle : [Espace II 2.1 TD]
- Finition : Base
- Année : 1994
- : : :
- : : :
- Localisation : en dérapage
Re: Changement moteur et antidemarrage ...
Salut
regarde le doc 3345A que j'ai posté précédemment, la procédure a l'air bien ardue...
Bon courage!
regarde le doc 3345A que j'ai posté précédemment, la procédure a l'air bien ardue...
Bon courage!
Renault Espace II RN J8S 1994 290000Km (le Sapin de noël), CG véhicule collection depuis le 09/2024
Peugeot 306 Berline "Symbio" 1.9D XUD9 1997 258000Km (Farce à la Rouille)
Peugeot 306 Berline "Symbio" 1.9D XUD9 1997 258000Km (Farce à la Rouille)
- djoce
- Apprenti-conducteur(trice)

- Messages : 90
- Enregistré le : 29 avr. 2024, 19:22
- : : :
- Modèle : [Grand Espace III 2.2 DCI 130]
- Finition : Initiale
- Année : 2001
- : : :
- 2ème modèle : [Grand Espace III 2.2 DCI 130]
- finition : Privilège
- Année : 2002
- : : :
- 3ème modèle : [Grand Espace III 2.2 DT]
- Finition : Fidji
- Année : 2001
Re: Changement moteur et antidemarrage ...
Sigma a écrit : 25 mai 2024, 22:25 Salut
regarde le doc 3345A que j'ai posté précédemment, la procédure a l'air bien ardue...
Bon courage!
Ouais j'ai regardé mais rien de précisé pour comment le déclipser et le sortir de derrière l'assistance ...
A les lire ça se fait facilement en 2h purge incluse ... je veux bien qu'un mécano explique la manip parque c'est bien merdique à faire déja sans le moteur alors j'imagine avec ...
Il n'y a pas de problèmes, il n'y a que des solutions astuces
... mais encore faut il parfois se poser et la chercher


- djoce
- Apprenti-conducteur(trice)

- Messages : 90
- Enregistré le : 29 avr. 2024, 19:22
- : : :
- Modèle : [Grand Espace III 2.2 DCI 130]
- Finition : Initiale
- Année : 2001
- : : :
- 2ème modèle : [Grand Espace III 2.2 DCI 130]
- finition : Privilège
- Année : 2002
- : : :
- 3ème modèle : [Grand Espace III 2.2 DT]
- Finition : Fidji
- Année : 2001
Re: Changement moteur et antidemarrage ...
Salut la foule
Désolé je vous ai abandonné et pas donné signe de vie depuis quelques temps ... mais ayant d'autres impératifs, mon chantier est resté à l'arrêt et à stagné ...

J'en ai bien chier mais j'ai réussi à démonter ce put1*** d'émetteur ...
Bon pour être honnête, vu que beaucoup m'ont dit avoir été obligé de déposer la boîte de vitesse, et vu comment je galerais sans pont et mes grosses mains, et vu que tous les écrous avaient déjà été fraîchement degrippés, et que ma mémoire était fraîche
, j'ai carrément fini par retomber le moteur 
, mais sans débrancher tous les fils cette fois ... ok j'ai perdu 3h, mais ensuite en l'ayant descendu de 50 cm et tirer vers l'avant sous la barre transversale, j'avais ainsi assez de place pour bosser de tous les côtés ... même si ça reste quand même galère ... je me demande encore bien comment c'est faisable dans les 2h20 données par Renault ... 

Moteur posé et tiré en avant pour avoir de la place :
Une fois l'émetteur sorti, j'ai commencé à essayer de mettre en place le remplaçant ... un peu exaspéré par le manque de place et le fait qu'il y était presque, mais ne voulait pas finir d'aller à sa place définitive, j'ai abandonné un temps pour aller prendre un café ... bonne solution parfois plutôt que de jeter le marteau dans tous les sens au risque de le regretter ensuite suivant l'atterrissage (expérience vécue dans mon jeune âge, qui ma valu un parbrise) ...


J'ai donc profiter de cette pause pour faire le curieux et faire une autopsie du coupable ... bah c'est pas très joli du tout, le chromage du piston est carrément bouffé ce qui a participé à rayer le corps en plastique
... je comprends mieux maintenant la fuite à la pédale ... 




En voyant l'état j'ai finalement décidé de renlever l'émetteur remplaçant pour lui faire aussi un contrôle intérieur .. dommage il y était presque, mais inutile de s'emmerder des heures à le remettre en place s'il est rongé lui aussi ... résultat il est un peu abîmé mais ça reste acceptable ... très léger et délicat passage au papier de verre très très fin sur la partie abîmée pour retirer les aspérités et éviter ainsi de niquer le plastique du corps avec le temps ... un coup de chiffon aussi à l'intérieur du corps, et vu la couleur des 3 ou 4 chiffons successifs imbibés de nettoyant freins, c'était pas totalement inutile ...





Piston de l'émetteur malade :
Intérieur bien rayé du corps de l'émetteur HS :
Piston de l'émetteur remplaçant ... et jolie couleur des chiffons
:
Après tout cela j'ai fini par remettre tout le monde à sa place et pour ceux qui seraient dans le même cas n'hésitez pas à sacrifier une clé de 24 pour verrouiller correctement l'émetteur plutôt qu'en le serrant à la pince par l'intérieur, au risque de casser le corps en le serrant trop fort pour reussir à finir de le tourner ... car le dernier cran pour le verrouiller est assez difficile et résistant ... même avec la clé il a fallu insister un peu pour qu'il prenne sa place ...


Ces émetteurs deviennent des pièces précieuses, prenez en donc soin ...




Clé fabrication maison rabotée de tous les côtés pour obtenir une taille de guêpe ...
:
Tout cela m'a amené à une réflexion ... on néglige bien trop souvent, et moi le premier
, l'importance du remplacement régulier du liquide de frein 
... quand il est vieux et rempli d'humidité et d'impuretés, ça attaque l'intégrité de nos "chers" émetteurs ... et sûrement aussi, je suppose, les pistons d'étriers de frein ... 



Donc promis, je ne negligerai plus le remplacement du liquide de frein, surtout sur les espaces ... et je vous conseille vivement d'en faire de même ... en tout cas, dès que cet espace sera fini, tous les autres auront le droit à une purge complète ...






Mais pour ma défense Mr le juge

, aucuns garages ne ma parlé, proposé et conseillé pendant les entretiens, même y compris lors des grands entretiens, de remplacer le liquide de freins
... donc incompétence de ces quelques garages ... où insouciance général des garages sur l'importance du remplacement régulier ... mystère ... 



Sinon j'ai cru comprendre furtivement sur le forum avantime et ailleurs que certains arrivaient à redonner vie aux vieux émetteurs ... je suppose que c'est en remplaçant ou rechromant le piston ...

Une question donc à ceux qui ont accès aux références, j'ai cru voir à une époque une NT sur le sujet (mais je ne la retrouve pas), et sur la RTA il est stipulé la procédure pour ne remplacer que le piston par l'intérieur sans s'emmerder à démonter le corps de l'émetteur ... qu'elle est donc la référence de ce piston seul et peut on encore le trouver pour sauver quelques émetteurs ? Et sinon comment font alors ceux qui arrivent à les réparer ?


Merci d'avance pour les infos ... et désolé d'avoir fait un roman ...




Désolé je vous ai abandonné et pas donné signe de vie depuis quelques temps ... mais ayant d'autres impératifs, mon chantier est resté à l'arrêt et à stagné ...
J'en ai bien chier mais j'ai réussi à démonter ce put1*** d'émetteur ...
Bon pour être honnête, vu que beaucoup m'ont dit avoir été obligé de déposer la boîte de vitesse, et vu comment je galerais sans pont et mes grosses mains, et vu que tous les écrous avaient déjà été fraîchement degrippés, et que ma mémoire était fraîche
Moteur posé et tiré en avant pour avoir de la place :
Une fois l'émetteur sorti, j'ai commencé à essayer de mettre en place le remplaçant ... un peu exaspéré par le manque de place et le fait qu'il y était presque, mais ne voulait pas finir d'aller à sa place définitive, j'ai abandonné un temps pour aller prendre un café ... bonne solution parfois plutôt que de jeter le marteau dans tous les sens au risque de le regretter ensuite suivant l'atterrissage (expérience vécue dans mon jeune âge, qui ma valu un parbrise) ...
J'ai donc profiter de cette pause pour faire le curieux et faire une autopsie du coupable ... bah c'est pas très joli du tout, le chromage du piston est carrément bouffé ce qui a participé à rayer le corps en plastique
En voyant l'état j'ai finalement décidé de renlever l'émetteur remplaçant pour lui faire aussi un contrôle intérieur .. dommage il y était presque, mais inutile de s'emmerder des heures à le remettre en place s'il est rongé lui aussi ... résultat il est un peu abîmé mais ça reste acceptable ... très léger et délicat passage au papier de verre très très fin sur la partie abîmée pour retirer les aspérités et éviter ainsi de niquer le plastique du corps avec le temps ... un coup de chiffon aussi à l'intérieur du corps, et vu la couleur des 3 ou 4 chiffons successifs imbibés de nettoyant freins, c'était pas totalement inutile ...
Piston de l'émetteur malade :
Intérieur bien rayé du corps de l'émetteur HS :
Piston de l'émetteur remplaçant ... et jolie couleur des chiffons
Après tout cela j'ai fini par remettre tout le monde à sa place et pour ceux qui seraient dans le même cas n'hésitez pas à sacrifier une clé de 24 pour verrouiller correctement l'émetteur plutôt qu'en le serrant à la pince par l'intérieur, au risque de casser le corps en le serrant trop fort pour reussir à finir de le tourner ... car le dernier cran pour le verrouiller est assez difficile et résistant ... même avec la clé il a fallu insister un peu pour qu'il prenne sa place ...
Ces émetteurs deviennent des pièces précieuses, prenez en donc soin ...
Clé fabrication maison rabotée de tous les côtés pour obtenir une taille de guêpe ...
Tout cela m'a amené à une réflexion ... on néglige bien trop souvent, et moi le premier
Donc promis, je ne negligerai plus le remplacement du liquide de frein, surtout sur les espaces ... et je vous conseille vivement d'en faire de même ... en tout cas, dès que cet espace sera fini, tous les autres auront le droit à une purge complète ...
Mais pour ma défense Mr le juge
Sinon j'ai cru comprendre furtivement sur le forum avantime et ailleurs que certains arrivaient à redonner vie aux vieux émetteurs ... je suppose que c'est en remplaçant ou rechromant le piston ...
Une question donc à ceux qui ont accès aux références, j'ai cru voir à une époque une NT sur le sujet (mais je ne la retrouve pas), et sur la RTA il est stipulé la procédure pour ne remplacer que le piston par l'intérieur sans s'emmerder à démonter le corps de l'émetteur ... qu'elle est donc la référence de ce piston seul et peut on encore le trouver pour sauver quelques émetteurs ? Et sinon comment font alors ceux qui arrivent à les réparer ?
Merci d'avance pour les infos ... et désolé d'avoir fait un roman ...
Modifié en dernier par djoce le 01 juil. 2024, 00:17, modifié 1 fois.
Il n'y a pas de problèmes, il n'y a que des solutions astuces
... mais encore faut il parfois se poser et la chercher


- djoce
- Apprenti-conducteur(trice)

- Messages : 90
- Enregistré le : 29 avr. 2024, 19:22
- : : :
- Modèle : [Grand Espace III 2.2 DCI 130]
- Finition : Initiale
- Année : 2001
- : : :
- 2ème modèle : [Grand Espace III 2.2 DCI 130]
- finition : Privilège
- Année : 2002
- : : :
- 3ème modèle : [Grand Espace III 2.2 DT]
- Finition : Fidji
- Année : 2001
Re: Changement moteur et antidemarrage ...
Bon tout à été remonté, liquide de freins et embrayage purgé avec madame, huile moteur, de boîte, et de direction, ok ... tous les filtres sont neufs ... donc on tourne enfin la clé, merveille ça démarre ... et sans défauts au tableau de bord s'il vous plaît 

(démarrage OK mais seulement après avoir fait plusieurs lancements avec injecteurs débranchés pour finir d'amorcer le turbo et réamorcer le filtre GO) ...

MAIS ... bah oui parceque avec moi il y a toujours un mais ... ça aurait été trop beau pour être vrai sinon ...









Donc on laisse tourner 5 mn au ralenti, tout se passe bien, puis on débraye pour passer les vitesses et bouger la voiture ... mais forcément c'était trop beau, les vitesses ne passent pas ... on relâche la pédale et redébraye 3 ou 4 fois pour réessayer d'engager une vitesse, et là soudainement la pédale lâche et finie au plancher ...







Je me dis que c'est sûrement encore des bulles d'air qui traînent dans le circuit et sèment la zizanie donc on ressort tout le merdier et on purge à nouveau ... mais j'ai beau insister et purger encore, mise à part 3 ou 4 bulles le premier coup, il n'y a plus d'air qui sort ... et pourtant la pédale reste au fond et je ne retrouve pas sa résistance que j'avais encore hier ...


Contrôle un peu partout et pas de fuite apparente sur les tuyaux ni sur l'émetteur ...


Est ce le rattrapage automatique de l'embrayage qui aurait pu lâcher soudainement ... pourtant j'ai bien pris garde de le comprimer et de positionner les ressorts de rappel avant le remontage ... y a t'il moyen de contrôler ça sans être obligé de redéposer la boîte ...



Que c'est il donc passé ? Qu'ai je fais de mal ? Où est ce que ça a pu merder ? ...

Et bien sûr pour continuer dans les emmerdes, je trouve que le turbo siffle et il y a semble-t-il une fuite dessus ... apparemment on dirait au niveau du banjo d'entrée alors que j'ai pourtant serré au couple et changé les 2 joints cuivrés et celui aussi de sortie en dessous ...






Comment puis je vérifier qu'il est bien lubrifier ?? ...

(démarrage OK mais seulement après avoir fait plusieurs lancements avec injecteurs débranchés pour finir d'amorcer le turbo et réamorcer le filtre GO) ...
MAIS ... bah oui parceque avec moi il y a toujours un mais ... ça aurait été trop beau pour être vrai sinon ...
Donc on laisse tourner 5 mn au ralenti, tout se passe bien, puis on débraye pour passer les vitesses et bouger la voiture ... mais forcément c'était trop beau, les vitesses ne passent pas ... on relâche la pédale et redébraye 3 ou 4 fois pour réessayer d'engager une vitesse, et là soudainement la pédale lâche et finie au plancher ...
Je me dis que c'est sûrement encore des bulles d'air qui traînent dans le circuit et sèment la zizanie donc on ressort tout le merdier et on purge à nouveau ... mais j'ai beau insister et purger encore, mise à part 3 ou 4 bulles le premier coup, il n'y a plus d'air qui sort ... et pourtant la pédale reste au fond et je ne retrouve pas sa résistance que j'avais encore hier ...
Contrôle un peu partout et pas de fuite apparente sur les tuyaux ni sur l'émetteur ...
Est ce le rattrapage automatique de l'embrayage qui aurait pu lâcher soudainement ... pourtant j'ai bien pris garde de le comprimer et de positionner les ressorts de rappel avant le remontage ... y a t'il moyen de contrôler ça sans être obligé de redéposer la boîte ...
Que c'est il donc passé ? Qu'ai je fais de mal ? Où est ce que ça a pu merder ? ...
Et bien sûr pour continuer dans les emmerdes, je trouve que le turbo siffle et il y a semble-t-il une fuite dessus ... apparemment on dirait au niveau du banjo d'entrée alors que j'ai pourtant serré au couple et changé les 2 joints cuivrés et celui aussi de sortie en dessous ...
Comment puis je vérifier qu'il est bien lubrifier ?? ...
Il n'y a pas de problèmes, il n'y a que des solutions astuces
... mais encore faut il parfois se poser et la chercher


-
grostoto
- Fou (folle) du volant

- Messages : 8861
- Enregistré le : 09 mars 2011, 14:48
- : : :
- Modèle : [Espace III 2.0 16V BVM]
- Finition : RXT
- Année : 2000
- : : :
- : : :
- Localisation : centre
Re: Changement moteur et antidemarrage ...
pour la dernière question: si l'huile ressort par le retour, c'est qu'il est lubrifié... (je remonte toujours les vieux joint cuivre la dessus, je ne change que le joint du retour).
aucun moyen de controler l'embrayage sans ressortir la boite. par contre, soi sur du récepteur / emetteur... le recepteur c'est la butée dans la boite la dessus ? ou il est externe ?
aucun moyen de controler l'embrayage sans ressortir la boite. par contre, soi sur du récepteur / emetteur... le recepteur c'est la butée dans la boite la dessus ? ou il est externe ?
- djoce
- Apprenti-conducteur(trice)

- Messages : 90
- Enregistré le : 29 avr. 2024, 19:22
- : : :
- Modèle : [Grand Espace III 2.2 DCI 130]
- Finition : Initiale
- Année : 2001
- : : :
- 2ème modèle : [Grand Espace III 2.2 DCI 130]
- finition : Privilège
- Année : 2002
- : : :
- 3ème modèle : [Grand Espace III 2.2 DT]
- Finition : Fidji
- Année : 2001
Re: Changement moteur et antidemarrage ...
C'est la version avec le récepteur dans la boîte ...grostoto a écrit : 09 juin 2024, 14:23
aucun moyen de controler l'embrayage sans ressortir la boite. par contre, soi sur du récepteur / emetteur... le recepteur c'est la butée dans la boite la dessus ? ou il est externe ?
Il n'y a pas de problèmes, il n'y a que des solutions astuces
... mais encore faut il parfois se poser et la chercher


- LeJeune6troeniste
- Fou (folle) du volant

- Messages : 2819
- Enregistré le : 01 juil. 2019, 18:39
- : : :
- Modèle : [Espace IV 2.0 T 165 BVM]
- Finition : Privilège
- Année : 2004
- : : :
- : : :
Re: Changement moteur et antidemarrage ...
Salut,
On comprend pourquoi ils passent tous à la casse ! Quelle plaie, courage !
On comprend pourquoi ils passent tous à la casse ! Quelle plaie, courage !
Espace IV 2.0T Privilège BVM de 04/2004
Bleu Orage, 262 652 km, dans la famille depuis 06/2014 et 87 898
CT OK jusqu'en 03/2027 !
Espace IV 2.0T Alyum Plus BVM de 01/2007 Noir Nacré, qui a servi de 07/19 à 11/21 sur 18 108 km, vendu
VW Golf III 1,8 Syncro de 10/1995
, 301 560 km
Jaguar XJ40 3,6 BVA Sovereign de 02/1989
, 92 607 km au total et ce depuis 2001
Soucis d'étincelle a priori trouvé, réfection du système d'alimentation en carburant en cours
Espace IV 2.0T Alyum Plus BVM de 01/2007 Noir Nacré, qui a servi de 07/19 à 11/21 sur 18 108 km, vendu
VW Golf III 1,8 Syncro de 10/1995
Jaguar XJ40 3,6 BVA Sovereign de 02/1989
- djoce
- Apprenti-conducteur(trice)

- Messages : 90
- Enregistré le : 29 avr. 2024, 19:22
- : : :
- Modèle : [Grand Espace III 2.2 DCI 130]
- Finition : Initiale
- Année : 2001
- : : :
- 2ème modèle : [Grand Espace III 2.2 DCI 130]
- finition : Privilège
- Année : 2002
- : : :
- 3ème modèle : [Grand Espace III 2.2 DT]
- Finition : Fidji
- Année : 2001
Re: Changement moteur et antidemarrage ...
Bon bah ne cherchez plus je crois que j'ai trouvé ... 











et je vous passe les noms d'oiseaux qui viennent de fuser il y a 20 mn quand j'ai compris le problème ... 

Après avoir laisser au repos quelques heures le liquide de frein, tu tentes à nouveau une purge au cas où il resterait encore de l'air ... et là surprise ... il y a quand même beaucoup de bulles d'air qui sortent
... tu te dis victoire, en fait il restait de l'air pour foutre le bordel ... les mécanos ont sûrement raison alors de purger sur 2 jours avec des temps de repos 
... donc tu purges, tu purges et tu purges encore et toujours
... mais bizarrement là pédale ne retrouve toujours pas sa résistance ... 

Bon, inutile de purger 2h, faut essayer de comprendre si ce n'est pas ce put1 de rattrapage qui fout la merde, mais pour cela faudrait regarder dedans ...

Tu inspectes donc sur la vieille boîte et tu vois un orifice par lequel tu peux envisager de passer la caméra filaire pour aller voir ce qu'il ce passe dans ce putain d'embrayage ... par le haut, tu ne trouves pas ce trou sur la boîte, donc tu te couches sous la voiture pour le trouver par le bas ... et là ... oh surprise ...




En vidéo on comprend mieux : https://watch.wave.video/OyKtDkf9ReZ0t8qL
Ça y est je crois que j'ai compris le problème ... on dirait bien que le récepteur à décidé de partir en retraite anticipé sans même avoir commencé à travailler ...




Encore un faignant qui ne veut pas travailler ...







Par contre je suppose que maintenant il y a du liquide de frein partout dans la boîte et sur l'embrayage ...





Je vais pas avoir le temps avant mardi de démonter, mais vu que ça bouffe tout, le temps que je redemonte et que je nettoie tout, les éléments ne vont pas avoir apprécié la blague ? ...


Après avoir laisser au repos quelques heures le liquide de frein, tu tentes à nouveau une purge au cas où il resterait encore de l'air ... et là surprise ... il y a quand même beaucoup de bulles d'air qui sortent
Bon, inutile de purger 2h, faut essayer de comprendre si ce n'est pas ce put1 de rattrapage qui fout la merde, mais pour cela faudrait regarder dedans ...
Tu inspectes donc sur la vieille boîte et tu vois un orifice par lequel tu peux envisager de passer la caméra filaire pour aller voir ce qu'il ce passe dans ce putain d'embrayage ... par le haut, tu ne trouves pas ce trou sur la boîte, donc tu te couches sous la voiture pour le trouver par le bas ... et là ... oh surprise ...
En vidéo on comprend mieux : https://watch.wave.video/OyKtDkf9ReZ0t8qL
Ça y est je crois que j'ai compris le problème ... on dirait bien que le récepteur à décidé de partir en retraite anticipé sans même avoir commencé à travailler ...
Encore un faignant qui ne veut pas travailler ...
Par contre je suppose que maintenant il y a du liquide de frein partout dans la boîte et sur l'embrayage ...
Je vais pas avoir le temps avant mardi de démonter, mais vu que ça bouffe tout, le temps que je redemonte et que je nettoie tout, les éléments ne vont pas avoir apprécié la blague ? ...
Modifié en dernier par djoce le 09 juin 2024, 17:17, modifié 3 fois.
Il n'y a pas de problèmes, il n'y a que des solutions astuces
... mais encore faut il parfois se poser et la chercher


- LeJeune6troeniste
- Fou (folle) du volant

- Messages : 2819
- Enregistré le : 01 juil. 2019, 18:39
- : : :
- Modèle : [Espace IV 2.0 T 165 BVM]
- Finition : Privilège
- Année : 2004
- : : :
- : : :
Re: Changement moteur et antidemarrage ...
Tu démarres et tu laisses la force centrifuge du ralenti envoyer le liquide de frein sur les carters de boîte. Ce sera sale dedans mais moins il y en a sur le volant moteur, plateau et disque de friction, mieux ça se portera. Le spi moteur de ma Golf lubrifie l'embrayage (il fera encore 150 000 km maintenant, mieux que d'origine
) et la rotation envoie tout à l'extérieur, il ne patine pas.
Espace IV 2.0T Privilège BVM de 04/2004
Bleu Orage, 262 652 km, dans la famille depuis 06/2014 et 87 898
CT OK jusqu'en 03/2027 !
Espace IV 2.0T Alyum Plus BVM de 01/2007 Noir Nacré, qui a servi de 07/19 à 11/21 sur 18 108 km, vendu
VW Golf III 1,8 Syncro de 10/1995
, 301 560 km
Jaguar XJ40 3,6 BVA Sovereign de 02/1989
, 92 607 km au total et ce depuis 2001
Soucis d'étincelle a priori trouvé, réfection du système d'alimentation en carburant en cours
Espace IV 2.0T Alyum Plus BVM de 01/2007 Noir Nacré, qui a servi de 07/19 à 11/21 sur 18 108 km, vendu
VW Golf III 1,8 Syncro de 10/1995
Jaguar XJ40 3,6 BVA Sovereign de 02/1989
-
grostoto
- Fou (folle) du volant

- Messages : 8861
- Enregistré le : 09 mars 2011, 14:48
- : : :
- Modèle : [Espace III 2.0 16V BVM]
- Finition : RXT
- Année : 2000
- : : :
- : : :
- Localisation : centre
Re: Changement moteur et antidemarrage ...
Surtout pas . Dépose et rinçage au nettoyant frein rapidement.
- LeJeune6troeniste
- Fou (folle) du volant

- Messages : 2819
- Enregistré le : 01 juil. 2019, 18:39
- : : :
- Modèle : [Espace IV 2.0 T 165 BVM]
- Finition : Privilège
- Année : 2004
- : : :
- : : :
Re: Changement moteur et antidemarrage ...
C'est pas bon pour le disque de friction...
Bon tu vas me dire le liquide de freins non plus et tu auras raison !
Bon tu vas me dire le liquide de freins non plus et tu auras raison !
Espace IV 2.0T Privilège BVM de 04/2004
Bleu Orage, 262 652 km, dans la famille depuis 06/2014 et 87 898
CT OK jusqu'en 03/2027 !
Espace IV 2.0T Alyum Plus BVM de 01/2007 Noir Nacré, qui a servi de 07/19 à 11/21 sur 18 108 km, vendu
VW Golf III 1,8 Syncro de 10/1995
, 301 560 km
Jaguar XJ40 3,6 BVA Sovereign de 02/1989
, 92 607 km au total et ce depuis 2001
Soucis d'étincelle a priori trouvé, réfection du système d'alimentation en carburant en cours
Espace IV 2.0T Alyum Plus BVM de 01/2007 Noir Nacré, qui a servi de 07/19 à 11/21 sur 18 108 km, vendu
VW Golf III 1,8 Syncro de 10/1995
Jaguar XJ40 3,6 BVA Sovereign de 02/1989
-
grostoto
- Fou (folle) du volant

- Messages : 8861
- Enregistré le : 09 mars 2011, 14:48
- : : :
- Modèle : [Espace III 2.0 16V BVM]
- Finition : RXT
- Année : 2000
- : : :
- : : :
- Localisation : centre
Re: Changement moteur et antidemarrage ...
Si on en met sur les freins (frictions) c'est que c'est prévu pour ça.
- LeJeune6troeniste
- Fou (folle) du volant

- Messages : 2819
- Enregistré le : 01 juil. 2019, 18:39
- : : :
- Modèle : [Espace IV 2.0 T 165 BVM]
- Finition : Privilège
- Année : 2004
- : : :
- : : :
Re: Changement moteur et antidemarrage ...
C'est pas prévu pour les frictions, c'est prévu pour les disques et éventuellement étriers (bien essuyer les caoutchoucs).
De mémoire c'est sur la cannette que j'ai vu ça, mais peut-être était-ce sur la boîte de plaquettes. Il faudrait que je vérifie, en tout cas il est recommandé de bien essuyer les plaquettes s'il en atterrit dessus.
Edit : les différents fabricants le mettent ou non, ça dépend de la cannette qu'on prend.
De mémoire c'est sur la cannette que j'ai vu ça, mais peut-être était-ce sur la boîte de plaquettes. Il faudrait que je vérifie, en tout cas il est recommandé de bien essuyer les plaquettes s'il en atterrit dessus.
Edit : les différents fabricants le mettent ou non, ça dépend de la cannette qu'on prend.
Espace IV 2.0T Privilège BVM de 04/2004
Bleu Orage, 262 652 km, dans la famille depuis 06/2014 et 87 898
CT OK jusqu'en 03/2027 !
Espace IV 2.0T Alyum Plus BVM de 01/2007 Noir Nacré, qui a servi de 07/19 à 11/21 sur 18 108 km, vendu
VW Golf III 1,8 Syncro de 10/1995
, 301 560 km
Jaguar XJ40 3,6 BVA Sovereign de 02/1989
, 92 607 km au total et ce depuis 2001
Soucis d'étincelle a priori trouvé, réfection du système d'alimentation en carburant en cours
Espace IV 2.0T Alyum Plus BVM de 01/2007 Noir Nacré, qui a servi de 07/19 à 11/21 sur 18 108 km, vendu
VW Golf III 1,8 Syncro de 10/1995
Jaguar XJ40 3,6 BVA Sovereign de 02/1989
- djoce
- Apprenti-conducteur(trice)

- Messages : 90
- Enregistré le : 29 avr. 2024, 19:22
- : : :
- Modèle : [Grand Espace III 2.2 DCI 130]
- Finition : Initiale
- Année : 2001
- : : :
- 2ème modèle : [Grand Espace III 2.2 DCI 130]
- finition : Privilège
- Année : 2002
- : : :
- 3ème modèle : [Grand Espace III 2.2 DT]
- Finition : Fidji
- Année : 2001
Re: Changement moteur et antidemarrage ...
Bon de colère hier soir (et surtout aussi pour voir l'état à l’intérieur de la boite) je me suis mis à démonter la boite ... eh bien quel merdier encore une fois 
... c'est tellement galère que si j'avais redescendu encore une fois le moteur entier j'aurais largement gagner du temps ... surtout que, là, actuellement, la boite n'est pas encore sortie puisque les ingénieurs ont eu la merveilleuse idée de faire en sorte que quand tu veut la sortir et bien elle se retrouve bloquée contre la partie du berceau qui tient le triangle ... 


si je ne comprends pas comment elle doit sortir je vais déposer le moteur entier et je pense que je gagnerais du temps car à lire les quelques messages sur le sujets visiblement beaucoup ont tombés le berceau pour la sortir ...

J'avais hésité à changer le volant moteur vu son prix, mais vu que tout sera à nouveau démonté
, et vu la douche de liquide de frein que tout ce joli monde à dû prendre, je vais passer sur un kit complet pour être tranquille et je verrais ensuite si cet ensemble peut être bien nettoyé et réutilisé sur un autre espace que j'ai et qui attend aussi son tour ...
Tant que le volant moteur sera démonté, quelqu'un aurait il la BONNE référence du joint spi qui est derrière tant qu'a faire ?

Et au fait dans tout ce cirque, j'ai quand même une bonne nouvelle ... pas de fuite au turbo ...
, l'huile au sol que je croyais venir de lui était surement en fait le début de l'écoulement du liquide de frein ....
Aller la suite au prochain épisode ... c'est jamais fini les histoires avec moi, il y a toujours des rebondissements ...




si je ne comprends pas comment elle doit sortir je vais déposer le moteur entier et je pense que je gagnerais du temps car à lire les quelques messages sur le sujets visiblement beaucoup ont tombés le berceau pour la sortir ...
J'avais hésité à changer le volant moteur vu son prix, mais vu que tout sera à nouveau démonté
Tant que le volant moteur sera démonté, quelqu'un aurait il la BONNE référence du joint spi qui est derrière tant qu'a faire ?
Et au fait dans tout ce cirque, j'ai quand même une bonne nouvelle ... pas de fuite au turbo ...
Aller la suite au prochain épisode ... c'est jamais fini les histoires avec moi, il y a toujours des rebondissements ...
Modifié en dernier par djoce le 11 juin 2024, 11:27, modifié 1 fois.
Il n'y a pas de problèmes, il n'y a que des solutions astuces
... mais encore faut il parfois se poser et la chercher


- LeJeune6troeniste
- Fou (folle) du volant

- Messages : 2819
- Enregistré le : 01 juil. 2019, 18:39
- : : :
- Modèle : [Espace IV 2.0 T 165 BVM]
- Finition : Privilège
- Année : 2004
- : : :
- : : :
Re: Changement moteur et antidemarrage ...
Sur ma voiture, la boîte passe sans toucher au berceau, simplement en levant et baissant le moteur. Mais à un poil de cul, c'est pas un plaisir !
En principe, sur beaucoup de modernes le plus rapide est de sortir le GMP et séparer au sol... C'est peut-être le cas des tiennes.
En principe, sur beaucoup de modernes le plus rapide est de sortir le GMP et séparer au sol... C'est peut-être le cas des tiennes.
Espace IV 2.0T Privilège BVM de 04/2004
Bleu Orage, 262 652 km, dans la famille depuis 06/2014 et 87 898
CT OK jusqu'en 03/2027 !
Espace IV 2.0T Alyum Plus BVM de 01/2007 Noir Nacré, qui a servi de 07/19 à 11/21 sur 18 108 km, vendu
VW Golf III 1,8 Syncro de 10/1995
, 301 560 km
Jaguar XJ40 3,6 BVA Sovereign de 02/1989
, 92 607 km au total et ce depuis 2001
Soucis d'étincelle a priori trouvé, réfection du système d'alimentation en carburant en cours
Espace IV 2.0T Alyum Plus BVM de 01/2007 Noir Nacré, qui a servi de 07/19 à 11/21 sur 18 108 km, vendu
VW Golf III 1,8 Syncro de 10/1995
Jaguar XJ40 3,6 BVA Sovereign de 02/1989
-
grostoto
- Fou (folle) du volant

- Messages : 8861
- Enregistré le : 09 mars 2011, 14:48
- : : :
- Modèle : [Espace III 2.0 16V BVM]
- Finition : RXT
- Année : 2000
- : : :
- : : :
- Localisation : centre
Re: Changement moteur et antidemarrage ...
en général je ne sors pas la boite, je me débrouille pour avoir juste la place à glisser les mains pour bosser dedans.. parfois c'est sportif, mais moins que de sortir et remettre la boite..
- Sigma
- Fou (folle) du volant

- Messages : 1661
- Enregistré le : 11 août 2022, 19:21
- : : :
- Modèle : [Espace II 2.1 TD]
- Finition : Base
- Année : 1994
- : : :
- : : :
- Localisation : en dérapage
Re: Changement moteur et antidemarrage ...
Salut
la référence de spi que tu cherches, est-ce que ça serait ça?
la référence de spi que tu cherches, est-ce que ça serait ça?
Renault Espace II RN J8S 1994 290000Km (le Sapin de noël), CG véhicule collection depuis le 09/2024
Peugeot 306 Berline "Symbio" 1.9D XUD9 1997 258000Km (Farce à la Rouille)
Peugeot 306 Berline "Symbio" 1.9D XUD9 1997 258000Km (Farce à la Rouille)
- djoce
- Apprenti-conducteur(trice)

- Messages : 90
- Enregistré le : 29 avr. 2024, 19:22
- : : :
- Modèle : [Grand Espace III 2.2 DCI 130]
- Finition : Initiale
- Année : 2001
- : : :
- 2ème modèle : [Grand Espace III 2.2 DCI 130]
- finition : Privilège
- Année : 2002
- : : :
- 3ème modèle : [Grand Espace III 2.2 DT]
- Finition : Fidji
- Année : 2001
Re: Changement moteur et antidemarrage ...
Bah c'est clair que la prochaine fois je me ferais pas chier comme là, vu que de toute façon on est obligé de demonter les 3/4 des canalisations pour acceder aux boulons de boite je me poserai même pas la question ...LeJeune6troeniste a écrit : 10 juin 2024, 14:01 Sur ma voiture, la boîte passe sans toucher au berceau, simplement en levant et baissant le moteur. Mais à un poil de cul, c'est pas un plaisir !
En principe, sur beaucoup de modernes le plus rapide est de sortir le GMP et séparer au sol... C'est peut-être le cas des tiennes.
Et au remontage, passer les clés pour serrer au couple doit être très drôle ...
Il n'y a pas de problèmes, il n'y a que des solutions astuces
... mais encore faut il parfois se poser et la chercher


- djoce
- Apprenti-conducteur(trice)

- Messages : 90
- Enregistré le : 29 avr. 2024, 19:22
- : : :
- Modèle : [Grand Espace III 2.2 DCI 130]
- Finition : Initiale
- Année : 2001
- : : :
- 2ème modèle : [Grand Espace III 2.2 DCI 130]
- finition : Privilège
- Année : 2002
- : : :
- 3ème modèle : [Grand Espace III 2.2 DT]
- Finition : Fidji
- Année : 2001
Re: Changement moteur et antidemarrage ...
Tu dois avoir des mains de poupée miniature alors ...grostoto a écrit : 10 juin 2024, 14:04 en général je ne sors pas la boite, je me débrouille pour avoir juste la place à glisser les mains pour bosser dedans.. parfois c'est sportif, mais moins que de sortir et remettre la boite..
Là vu que tout est sûrement gavé de liquide de freins, il n'y a pas trop le choix que de tomber la boîte pour nettoyer ...
Pour ne pas être obligé de redeposer l'ensemble moteur une 4ieme fois sous peu (c'est bon je connais la procédure et les clés de douille nécessaire maintenant
Il n'y a pas de problèmes, il n'y a que des solutions astuces
... mais encore faut il parfois se poser et la chercher


- djoce
- Apprenti-conducteur(trice)

- Messages : 90
- Enregistré le : 29 avr. 2024, 19:22
- : : :
- Modèle : [Grand Espace III 2.2 DCI 130]
- Finition : Initiale
- Année : 2001
- : : :
- 2ème modèle : [Grand Espace III 2.2 DCI 130]
- finition : Privilège
- Année : 2002
- : : :
- 3ème modèle : [Grand Espace III 2.2 DT]
- Finition : Fidji
- Année : 2001
Re: Changement moteur et antidemarrage ...
Bah oui ça a l'ait d'être lui ... merciSigma a écrit : 10 juin 2024, 15:14 Salut
la référence de spi que tu cherches, est-ce que ça serait ça?
Capture d’écran_2024-06-10_15-13-07.png
C'est quoi ton logiciel, tu regardes sur quoi pour pouvoir avoir les bonnes références avec certitudes ?
Petite question que je me pose quand même
Vu que c'est une source d'emmerdes les fuites de joints spi, quel fabricant sérieux conseillez vous ? Corteco ? Meyle ? Autres ?
Si la réponse est, OUI il est préférable de le changer, même s'il n'y a pas de fuite alors il peut être bon aussi de changer celui de l'arbre de boite situé derrière le récepteur hydraulique ... surtout que lui a dû prendre plein de liquide de freins dans la gueule ? ..
Auriez vous alors aussi la bonne référence de ce joint ? ...
Modifié en dernier par djoce le 11 juin 2024, 19:47, modifié 1 fois.
Il n'y a pas de problèmes, il n'y a que des solutions astuces
... mais encore faut il parfois se poser et la chercher


- TheStone
- Fou (folle) du volant

- Messages : 20287
- Enregistré le : 02 août 2008, 14:22
- : : :
- Modèle : [Espace I 2.1 TD]
- Finition : TurboD
- Année : 1988
- : : :
- : : :
- Localisation : Au Nord de la Loire
Re: Changement moteur et antidemarrage ...
djoce a écrit : 11 juin 2024, 12:01 ....................
Petite question que je me pose quand même... au démontage si jamais celui en place ne fuit pas, faut il quand même y toucher et le changer, en le déplaçant un peu s'il faut pour que la portée du joint ne soit plus au même endroit que l'ancien ? ...
..........................;
Espace I Phase 2 Turbo-D acquis neuf en Janvier 1988 ...... Sauvons le soldat Ryan moteur J8S !!!
395000 kms ...... et CT à nouveau ok le 11/04/2019 à 384792 384792 384792 384792 384792 kms
On n'a jamais été aussi bien sur Terre que dans l'Espace...
Twingo I Kiss Cool Quickshift de Juin 2005, 105000 kms .... que du bonheur cette boîte robotisée
Twingo II Dynamique 75 LEV Eco2 de Juillet 2009, 130000 kms... et tout va bien
Fiat 128 150000 kms Ford Escort Ghia 1,6 de 1983 193200 kms
Güldner G15 A2KS Spessart sixties et beaucoup d'heures
395000 kms ...... et CT à nouveau ok le 11/04/2019 à 384792 384792 384792 384792 384792 kms
On n'a jamais été aussi bien sur Terre que dans l'Espace...
Twingo I Kiss Cool Quickshift de Juin 2005, 105000 kms .... que du bonheur cette boîte robotisée
Twingo II Dynamique 75 LEV Eco2 de Juillet 2009, 130000 kms... et tout va bien
Fiat 128 150000 kms Ford Escort Ghia 1,6 de 1983 193200 kms
Güldner G15 A2KS Spessart sixties et beaucoup d'heures
-
fkp 94
- Fou (folle) du volant

- Messages : 2150
- Enregistré le : 22 mai 2016, 15:55
- : : :
- Modèle : [Grand Espace IV V6 3.5]
- Finition : Initiale
- Année : 2004
- : : :
- 2ème modèle : [Grand Espace III V6-24]
- finition : Initiale
- Année : 2001
- : : :
- Localisation : sud essonne
Re: Changement moteur et antidemarrage ...
sur certaines voitures c'est possible mais sur les modernes ca reste rare. J'ai essayé sur 3008, bah non pas possible.grostoto a écrit : 10 juin 2024, 14:04 en général je ne sors pas la boite, je me débrouille pour avoir juste la place à glisser les mains pour bosser dedans.. parfois c'est sportif, mais moins que de sortir et remettre la boite..
- Sigma
- Fou (folle) du volant

- Messages : 1661
- Enregistré le : 11 août 2022, 19:21
- : : :
- Modèle : [Espace II 2.1 TD]
- Finition : Base
- Année : 1994
- : : :
- : : :
- Localisation : en dérapage
Re: Changement moteur et antidemarrage ...
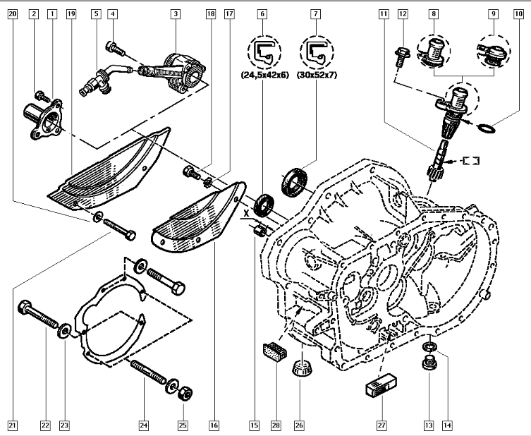
Salutdjoce a écrit : 11 juin 2024, 12:01 C'est quoi ton logiciel, tu regardes sur quoi pour pouvoir avoir les bonnes références avec certitudes ?![]()
tu peux trouver ces planches chez catcar:
https://www.catcar.info/renault/?lang=e ... PUpFMEs%3D
Sinon pour du plus précis je t'explique en MP
Le joint de BV ça serait le 6 ou 7?
Renault Espace II RN J8S 1994 290000Km (le Sapin de noël), CG véhicule collection depuis le 09/2024
Peugeot 306 Berline "Symbio" 1.9D XUD9 1997 258000Km (Farce à la Rouille)
Peugeot 306 Berline "Symbio" 1.9D XUD9 1997 258000Km (Farce à la Rouille)
