Bonjour
@ Eric: ah ouais, mon pauvre je ne pensais pas que tu y laisserais ta peau!
J'ai dû aller moins loin que toi dans le passage de roue, aucun bobo, mais comme je te le disais je l'ai juste tripoté du bout des doigts petit à petit pour l'aligner avec le trou. J'ai même pas tenté de le saisir à cet endroit il m'aurait fallu un autre coude au milieu de l'avant bras, ou être un poulpe.
Merci pour toutes ces pistes concernant ce problème d'huile!
Dès que j'aurais fini avec la DA je m'y colle!
Ouais c'est pas rassurant cette fumée d'un coup, et vu le sale bonhomme qui m'a vendu la caisse c'est possible qu'il ait vraiment chahuté le moteur au point de le bouziller. Puis un petit conseil de pro de son garagiste (dont j'ai plein de factures foireuses et qui est copain avec le CT qui a validé la voiture avant la vente..), et hop problème "réglé"
Je me suis tapé quelques vidéos sur cette affaire de segmentation... hum...
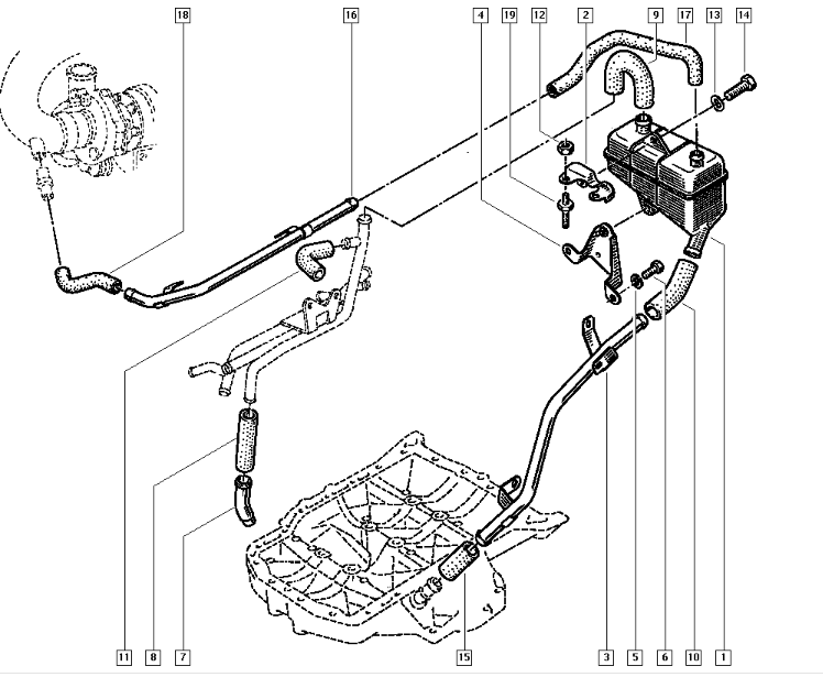
Avant le rebranchage de la durit d'huile, j'avais une fois testé moteur au ralenti et ouvert le bouchon de remplissage: aucune fumée mais des petites projections... je n'étais pas allé plus loin. J'ai l'habitude des XUD ou TU qui ont une plaque juste sous le cache culbuteurs pour éviter ça, mais c'est impressionnant de voir l'AAC en action dans le J8S!
En y repensant il m'a déja semblé voir de la fumée arriver de l'arrière du moteur, j'ai mis ça sur le compte du vent "arrière" qui aurait ramené l'échappement vers moi, mais je me suis peut être trompé ça venait peut être de cette durit ouverte?
En attendant j'ai redébranché la durit du récupérateur, de toute façon c'est beurré partout de ce côté, la traverse sous moteur a au moins 5mm de gras collé, c'est antirouille... difficile de faire pire.
Et pas de risque de tartiner la route: ça ne roule pas!
Ca sent pas bon ce truc:
- le JDC je n'y crois pas car aucun symptome côté bocal LDR, ni surchauffe rapide, aucune mayo ni côté huile ni côté LDR...
- Le turbo n'a pas de jeu anormal, mais quand j'ai récupéré la voiture la grosse durit de départ vers l'intercooler était beurrée, la valve sous le turbo toute encroutée de gras... l'intercooler vraiment très crado dedans. Mais depuis ça ne me semble pas recommencer à pisser du gras par là.
- Par contre le joint du collecteur d'admission est franchement gras, vers le fond du moteur.
- elle démarre au quart de tour mais l'avance à froid ne semble pas fonctionner: aucun changement de régime après démarrage, même en hiver.
Et tant que la durit était débranchée presque aucune conso d'huile. Depuis mes test de distri je n'ai pas vérifé mais le moteur n'a pas tourné plus de 3h ces 10 derniers jours, principalement du ralenti et quelques petites accélérations courtes, à la main.
Malheureusement non je n'ai pas d'outil pour tester la compression, je comprends la théorie là dessus mais c'est tout. J'ai vu des kits chinois pas trop chers, ça sera peut être l'occasion que je m'équipe.
Mais ça mérite que je dépose le boitier récupérateur pour voir son contenu et que je sonde les durits en effet... je peux remplacer les petites sections entre les tuyaux rigides également, ces petites sections m'ont l'air assez poreuses.
Mais au fond je crois m'être déja fait une raison: il y a beaucoup trop de facteurs allant dans le sens du moteur en fin de vie.
Malgré tout, c'est robuste ces J8S, peut être qu'il tiendra encore un moment comme ça. Surtout en roulant pépère et en le ménageant.
En tout cas, le démontage total n'est pas prévu au programme. A ce point je préfèrerais trouver un autre moteur en meilleur état et le transplanter...
Y aura vraiment tout eu de traviole sur cette caisse!
Mais dans tous les cas: pas de sous pour ça avant très longtemps! Donc faut que ça tienne bon!
En attendant, j'ai attaqué ce que je pouvais faire: la poulie de DA
comme un pichou je n'ai pas fait attention à la pompe d'occase que je pensais finalement utiliser telle quelle...
Bizarrement son support acier est différent de ceux des séries 2: pas de pliage pour les tendeurs DA et altenateur, totalement plat
Puis il manquait aussi les entretoises entre l'acier et l'alu... bon à la base c'était la poulie qui m'intéressait donc je suis parti sur l'échange.
La vache faut forcer comme un animal pour déboiter cette poulie!!!
1H à suer avec une rallonge en 17, et la clef de 22 calée sur le bord de l'étau qui tenait la pompe.
Mais je suis arrivé à sortir la remplaçante sans dégats, elle est prête au remontage.
J'ai aussi déposé ma pompe DA sans lever la bagnole (tendu une sangle pour maintenir l'alternateur, mais j'ai failli me prendre la pompe DA sur la tronche

) et en premier j'ai nettoyé le filetage de l'axe pour voir si je pourrais utiliser l'outil de repose correctement en appui au max sur l'axe... tout rouillé dedans ça m'a pris 2h mais ça rentre à fond!
La suite pour se divertir ce weekend... extraction de la poulie voilée, et repose de la poulie propre sur ma pompe... puis rebranchage du circuit, purge et compagnie.
Je ne suis pas du tout confiant dans la partie "repose" de poulie... même en prévoyant de chauffer à bloc la poulie avant d'envoyer le bois, c'est tellement serré ce montage!
Sans cable d'embrayage ça sera difficile de tester sur la route mais au moins ça sera prêt.