Page 1 sur 1
Essieu AR cassé
Posté : 22 févr. 2013, 11:42
par marcus67
Salut
Sur Forum auto , où je traine quelques fois , j'ai trouvé ça
je vous mets le lien. J'ai des projets pour un IV Alyum , mais quand je vois ça , je frissonne
http://club.caradisiac.com/goashuet/cas ... 39755.html
Re: Essieu AR cassé
Posté : 22 févr. 2013, 11:47
par pub2n
Salut
Ce sont des choses qui arrivent , et pas que chez Renault ...
De plus, on ne connait pas l'histoire du véhicule et sa vie de tous les jours

Ce cas reste isolé tout de même

@+
Re: Essieu AR cassé
Posté : 22 févr. 2013, 12:35
par marcus67
salut
Voir le lien .
Ce qui me frappe , c'est que la cassure est au même endroit et comme fait à la disqueuse .
Ok faut voir comment ces vehicules ont vécus mais tout de même .
Je ne garde pas mon Quadra dans la vitre du salon et parfois faut qu'il bosse et ça se voit , j'ai même pas de jeu dans les silenblocs d'essiu et de la barre .
Isolé ou pas ça m'épate
Re: Essieu AR cassé
Posté : 22 févr. 2013, 17:33
par marron glacé
Il y a ceci également :
http://www.rmc.fr/forum/rmc/votre-auto/ ... ges-1.html
Même sur phase II !
Par contre, je n'arrive pas à savoir si ces problèmes arrivent uniquement sur la version longue

Re: Essieu AR cassé
Posté : 22 févr. 2013, 19:39
par Pilou29
C'est curieux qu'on n'ait jamais eu ce cas sur le forum, ni même entendu parler surtout que çà n'a pas l'air d'être exceptionnel

Re: Essieu AR cassé
Posté : 22 févr. 2013, 19:41
par pontiac
Pilou29 a écrit :C'est curieux qu'on n'ait jamais eu ce cas sur le forum, ni même entendu parler surtout que çà n'a pas l'air d'être exceptionnel

Me suis fait la même réflexion... aucun écho ici !

Re: Essieu AR cassé
Posté : 22 févr. 2013, 20:23
par pub2n
Relativisons aussi : combien de modèles concernés sur le nombre vendu ... Même s'il parait y en avoir quelques uns tout de même . Surement autant que ceux qui ont eu le frein à main auto qui s'est desserré tout seul (il y a eu un rappel pour cela par la suite).
Pas beaucoup vu cette casse non plus sur Planète Renault.
Après, il y a l'effet boule de neige Google, un ouvre un sujet, les autres se rattachent à ce qu'ils ont trouvé avec le moteur de recherche ...
Il y a eu plus de casses sur les premiers apparement, et Renault frise encore la mauvaise fois tout de même, casses au mêmes endroits en plus
@+
Re: Essieu AR cassé
Posté : 22 févr. 2013, 20:54
par lorenzo
Bonjour,
Tout d'abord, il n'y a plus d'essieu AR depuis belle lurette sur les voitures de tourisme.
Car trop dangereux pour la tenue de route. On n'est plus au temps de Cugnot.
Toutes nos roues sont indépendantes; comme les femmes.
C'est un bras du train AR qui est cassé sur la photo. Mais il a l'air très bizarre sur la partie haute.
Bon, mais on ne sais pas s'il y a eu des chocs latéral précédemment.
Bizarre, la prochaine fois qu'elle passe sur un pont, j'irais voir de prés l' état de mon train AR.
Re: Essieu AR cassé
Posté : 22 févr. 2013, 21:17
par pub2n
On y voit un peu de l'oxydation préalable on dirait ... la cassure nette a deux couleurs : le bas couleur, rouille, le haut couleur métal tout frais, cela devait commencer à se voir avant ...
Ce train arrière est bien un essieu selon les termes de Renault :
"Essieu souple "semi- rigide" guidé par 2 bras longitudinaux, avec barre anti-roulis Panhard, avec ressorts et ammortisseurs indépendants "
Il est à craindre aussi que certains garagistes lèvent ces véhicules à la méthode Bourrin ... j'en ai un (centre auto ... ) vu vouloir lever mon I à l'arrière au milieu de cette barre-essieu pour aller plus vite pour changer les roues arrières plus vite

...
+1 pour les chocs latéraux, surtout si pris en charge , je pense que les trottoirs pris sur le coté ou des trop hauts descendus trop vite sur le coté ne doivent pas être inconnus à cette faiblesse qui ressemble un peu à un flambage... mais bon, cela fait aussi partie de la vie du véhicule

Re: Essieu AR cassé
Posté : 22 févr. 2013, 21:39
par lorenzo
Mais les deux parties ne semblent pas être parfaitement dans le même plan entre le haut et le bas.
Je maintiens ce que je dis:
"Un essieu est un arbre placé transversalement sous la caisse d'un véhicule à roues. Il supporte par l’intermédiaire des fusées les roues situées à ses extrémités"
Bon c'est une définition de Wikipédia.
L'essieu rigide est un type d'essieu composé d'une barre ou d'un axe reliant rigidement les deux roues entre elles.
Re: Essieu AR cassé
Posté : 23 févr. 2013, 02:57
par TheStone
pontiac a écrit :Pilou29 a écrit :C'est curieux qu'on n'ait jamais eu ce cas sur le forum, ni même entendu parler surtout que çà n'a pas l'air d'être exceptionnel

Me suis fait la même réflexion... aucun écho ici !

+1
.... mais ça craint vraiment

Re: Essieu AR cassé
Posté : 23 févr. 2013, 19:26
par Outlander 68
Salut
Impressionnant
Pareil aucun écho...
Mais une petite théorie perso qui pourrait avoir son importance.
N'y a t-il pas à cet endroit un point de fixation prévu pour l'attache remorque
Un mauvais montage de celui-ci ou pire une surcharge de la remorque (surtout les petites que l'ont voient "balloter" sur les autoroutes)...peuvent elles créer assez de "mauvaises vibrations" au point de sectionner net nos essieux

Re: Essieu AR cassé
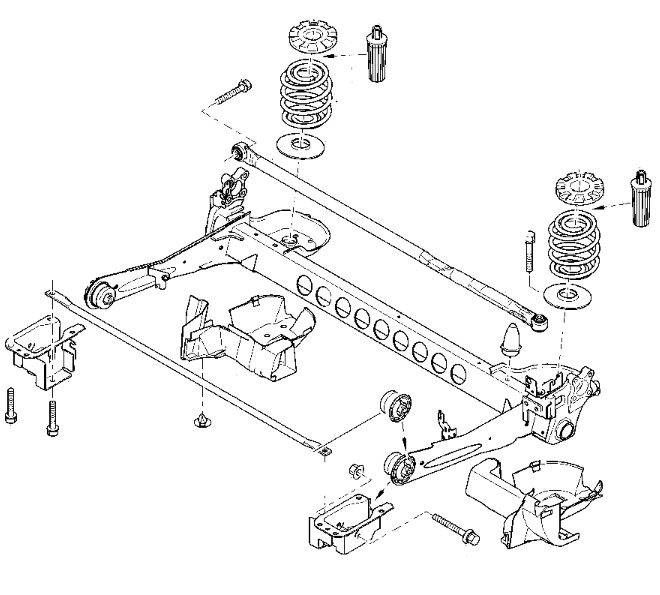
Posté : 23 févr. 2013, 20:46
par pub2n
Salut
Ce n'est pas à cet endroit , ce que tu montres est sur une partie fixe du chassis, la partie qui cède est une partie mobile . Ci dessous le schéma du train arrière :
L'avant du véhicule est à gauche sur ce schéma

... et l'attelage se fixe derrière le train arrière
@+
Re: Essieu AR cassé
Posté : 24 févr. 2013, 05:00
par Outlander 68
Bonjour
Merci Yann,pour ces belles précision

Re: Essieu AR cassé
Posté : 24 févr. 2013, 10:14
par pub2n
Y'a pas de quoi

Re: Essieu AR cassé
Posté : 25 févr. 2013, 11:40
par pailleauquebec
Sur le premier lien il est expliqué que le bras a subi une pliure, probablement suite à un accident, ce que je crois volontiers en voyant la photo :
http://club.caradisiac.com/goashuet/cas ... 225696-jpg
Donc j'émets l'hypothèse d'un choc latéral ayant plié le bras, évidemment la concentration de contrainte a été la plus forte à l'endroit où le bras cesse d'être nervuré, d'où la casse à cet endroit suite à la rouille.
En tout cas je pense qu'un bon coup de galva à froid au zinc sur ces bras en préventif ne serait pas du luxe pour éviter la corrosion car ces bras sont dimensionnés un peu light à mon goût pour une camionnette de 2T comme l'espace). C'est quand même une pièce de sécurité non redondante, donc si ça casse ça fait mal.
Re: Essieu AR cassé
Posté : 25 févr. 2013, 12:54
par Outlander 68
Salut
Pas vue cette photo...
+1
Par contre aucun recours pour lui et son véhicule acheté d'occasion il y a un an.
L'ancien ou les anciens propriétaires étaient..
Certainement un "économiste" ou fautif dans cet accrochage...et à préférer faire la réparation par lui même ou connaissance avec un minimum de savoir en carrosserie et carossage pour caché cet accident,par l'exterieur...tous çà au black...pour la revendre dans la foulée.
Et l'affaire est dans le sac.
Est ce qu'un expert peut il dans ce cas savoir si oui ou non le véhicule aurait été accidenté par le passé

En même temps à cet endroit il aurait dût "bouffer" du pneu droit,non
