Page 1 sur 1
Recherche références pièces espace Quadra
Posté : 29 mars 2023, 15:38
par Squalala
Bonjour à tous !
C'est encore moi
La rénovation de mon premier espace touche à sa fin, il commence à rouler tous les jours et ne me pose plus de soucis !
Du coup je m'attaque au remontage de mon deuxième quadra, le moteur est revenu de chez mon motoriste et je m'apprête à le remonter. Malheureusement, petit problème, je trouve ma poulie crantée de vilebrequin cassée en deux...
Je voulais savoir si l'un d'entre vous avez accès à la référence de la pièce chez Renault car introuvable pour le moment et le temps commence un peu à me manquer...
Je cherche également les refs des silenblocs de tringlerie de boîte mais je sais qu'il sont dans un ancien sujet donc j'irai les chercher à temps perdu, pour l'heure, il me tarde surtout de commencer le redémarrage et la préparation de celui-ci !
Merci par avance à mes sauveurs,
Cordialement,
Squalala
Re: Recherche références pièces espace Quadra
Posté : 29 mars 2023, 15:39
par Squalala
Voilà voilà

Re: Recherche références pièces espace Quadra
Posté : 29 mars 2023, 15:54
par Pilou29
C'est le moteur 2 ou 2.2 litres injection comme sur de nombreuses autres Renault, ça devrait se trouver sans trop de
problème.
Re: Recherche références pièces espace Quadra
Posté : 29 mars 2023, 19:53
par Squalala
Salut pilou 29, c'est le 2.0 injection sur les miens.
J'espère que c'est encore trouvable, c'est déjà suffisamment compliqué de trouver les pièces spécifique espace quadra, alors espérons que les pièces communes de l'espace 1 soit trouvable

Re: Recherche références pièces espace Quadra
Posté : 29 mars 2023, 20:18
par troublouse
Bonsoir ,
Poulie d'arbre à came
77 00 850 621
On en trouve sur E bay
A+ Yves
Re: Recherche références pièces espace Quadra
Posté : 29 mars 2023, 20:23
par troublouse
Tu cherche quoi comme silenbloc ?
Re: Recherche références pièces espace Quadra
Posté : 30 mars 2023, 08:17
par Squalala
Salut ! Merci énormément les gars vous êtes les meilleurs !
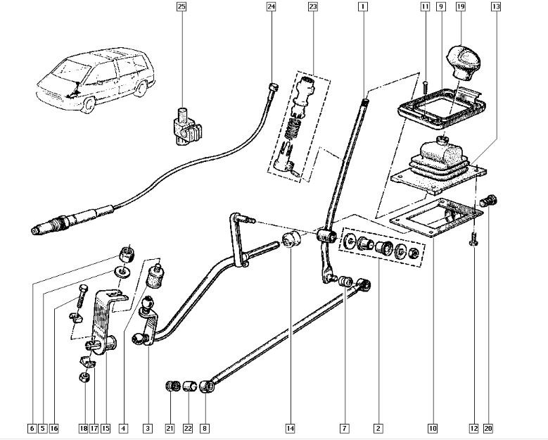
Je cherche à refaire tous les silentbloc de la tringlerie donc je dirai en priorité les 7, 21, 22, car c'est eux qui ont lâché, mais dans l'idéal j'aimerai trouver :
2, 4, 7, 14,15, 21, 22,
Merci encore les gars !
Re: Recherche références pièces espace Quadra
Posté : 01 avr. 2023, 00:49
par orval56
Squalala a écrit : 30 mars 2023, 08:17
Salut ! Merci énormément les gars vous êtes les meilleurs !
Je cherche à refaire tous les silentbloc de la tringlerie donc je dirai en priorité les 7, 21, 22, car c'est eux qui ont lâché, mais dans l'idéal j'aimerai trouver :
2, 4, 7, 14,15, 21, 22,
Merci encore les gars !
UN site intéressant, je vais y rechercher les infos des pièces pour le I, le II, le III et le IV !!
accepter la traduction automatique russe/français
SITE références des pièces
Re: Recherche références pièces espace Quadra
Posté : 01 avr. 2023, 12:24
par EAime
Je viens d'essayer, ça renvoie sur PiecesAuto24
Re: Recherche références pièces espace Quadra
Posté : 01 avr. 2023, 13:49
par bédouin
Salut,
Ref silentbloc de la tringlerie pour j116 et j117 4*4 (source PR espace 1)
2…………77 01 494 796
4…………77 00 733 023
7…………77 00 692 252
14………..77 03 072 154
15………..77 03 055 031
21………..77 01 464 137
22………..60 25 005 903
@+
Re: Recherche références pièces espace Quadra
Posté : 01 avr. 2023, 23:58
par orval56
EAime a écrit : 01 avr. 2023, 12:24
Je viens d'essayer, ça renvoie sur PiecesAuto24
ben non, je viens de tester

Re: Recherche références pièces espace Quadra
Posté : 02 avr. 2023, 00:03
par orval56
lien pour le
quadra et les références sont dessous

Re: Recherche références pièces espace Quadra
Posté : 02 avr. 2023, 11:24
par EAime
orval56 a écrit : 01 avr. 2023, 23:58
EAime a écrit : 01 avr. 2023, 12:24
Je viens d'essayer, ça renvoie sur PiecesAuto24
ben non, je viens de tester
Bon, je réessaie ce soir !

Re: Recherche références pièces espace Quadra
Posté : 03 avr. 2023, 07:43
par max543
Je ne sais pas si les pièces sont les mêmes, mais le club R25 français à fait fabriquer des kit réparation tringlerie de boîte... Si les références sont identiques alors la solution est toute trouver
Re: Recherche références pièces espace Quadra
Posté : 06 avr. 2023, 09:26
par Squalala
Merci à tous pour vos réponses, je vais essayer de me procurer ça, j'ai reçu aujourd'hui la poulie de vilebrequin, c'est la bonne merci encore à vous tous !
Re: Recherche références pièces espace Quadra
Posté : 06 avr. 2023, 10:19
par Sigma
Bonjour
pour le kit de commande de levier de vitesse, je viens de vérifier et il y a un kit référencé comme compatible pour beaucoup de voitures.
Notez les références croisées de numéros OEM, si c'est correct on peut trouver ce type de kit sur pas mal d'autres site de pièces.
https://www.melun-retro-passion.com/fr/ ... space.html
Intéressant potentiellement pour tous les possesseurs de I et de II.