levier de vitesse Renault Espace

Modérateur : Equipe du site

Règles du forum
Nous sommes sur un forum d'entraide et de passionnés, assurez-vous avant de poster de respecter ceci: Image
Le bonjour est de coutume ici pour commencer ses messages ;)
ramiroflores
Passager(ère)
Passager(ère)
Messages : 2
Enregistré le : 26 juin 2024, 09:06
: : :
Modèle : [Espace II 2.0]
Finition : Alizé
Année : 2011
: : :
: : :

levier de vitesse Renault Espace

Message non lu par ramiroflores »

Bonjour à tous, je ne sais pas si quelqu'un peut m'aider.
Ce matin, en récupérant ma voiture, j'ai remarqué que le levier de vitesses était desserré. La deuxième vitesse ne s'est pas engagée depuis quelques jours et hier encore, la quatrième vitesse ne s'est pas engagée non plus. J'imagine que je vais devoir changer l'ensemble des engrenages, mais quelqu'un pourrait-il me dire combien coûtera approximativement cette réparation ?
Merci beaucoup pour l'aide.
par5
Fou (folle) du volant
Fou (folle) du volant
Messages : 1974
Enregistré le : 30 avr. 2009, 23:17

Re: levier de vitesse Renault Espace

Message non lu par par5 »

Il faut commencer par vérifier la tringlerie du levier de vitesse,
facilement visible sous la voiture.

Avec le temps, les rotules prennent du jeu,
le palier qui guide le mouvement arrière/avant du levier prend du jeu aussi.

Tout ces jeux cumulés peuvent empêcher les vitesses de passer , alors que la boîte n'a rien.
Bien sûr le niveau d'huile dans la boîte doit être bon.
espace II 2.1td 95 limited 530000km
Avatar du membre
Sigma
Fou (folle) du volant
Fou (folle) du volant
Messages : 1661
Enregistré le : 11 août 2022, 19:21
: : :
Modèle : [Espace II 2.1 TD]
Finition : Base
Année : 1994
: : :
: : :
Localisation : en dérapage

Re: levier de vitesse Renault Espace

Message non lu par Sigma »

Salut
oui c'est fréquent que les articulations entre les différentes barres de commande soient HS, le pire c'est quand la longue barre finit par tomber sous la voiture en roulant :shock:
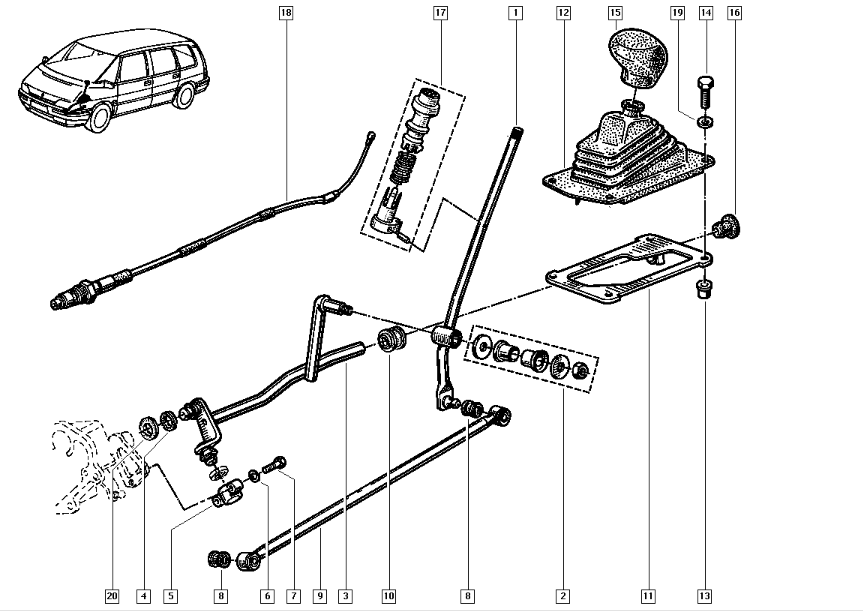
Voilà la tête de ce montage pour les boites NG:
Capture d’écran_2024-06-27_11-29-54.png
Le kit de réparation c'est la pièce 2, il y a deux références possibles:
7701464796
7701464136

Mais en général ce sont les rotules 8 qui lachent en premier, normalement c'est compris dans les kits que j'ai vu.

On en trouve un peu partout, entre 5 et 10€, et c'est assez facile à changer si on peut ramper sous la voiture :wink:
Par exemple: https://www.leader-pieces-auto.com/?/ca ... a-vitesses
Renault Espace II RN J8S 1994 290000Km (le Sapin de noël), CG véhicule collection depuis le 09/2024 :mrgreen:
Peugeot 306 Berline "Symbio" 1.9D XUD9 1997 258000Km (Farce à la Rouille)
Avatar du membre
philou540
Apprenti-conducteur(trice)
Apprenti-conducteur(trice)
Messages : 59
Enregistré le : 21 mars 2016, 10:45
: : :
Modèle : [Espace II 2.1 TD]
Finition : RXE
Année : 1994
: : :
2ème modèle : [Autre]
: : :

Re: levier de vitesse Renault Espace

Message non lu par philou540 »

Bonjour
Oui ça m'est arrivé en juillet dernier sur la francilienne à hauteur de Roissy. Le silentbloc en caoutchouc de la tringlerie du levier a cédé au bout de presque 30 ans de bons services....
Je suis rentré a Nancy en mettant du scotch autour de la tringlerie et cela a tenu !!
J'ai commandé le kit complet disponible sur O....o pour la modique somme de 26 euros...
J'ai remplacé le caoutchouc en le pressant a l'étau après graissage. Impec !!
Bonne journée a tous et longue vie à nos Espaces !!!
Mon Espace....a trente ans....
Répondre