Largeur de courroie de distribution

Modérateur : Equipe du site

Règles du forum
Nous sommes sur un forum d'entraide et de passionnés, assurez-vous avant de poster de respecter ceci: Image
Le bonjour est de coutume ici pour commencer ses messages ;)
ispace
Conduite accompagnée
Conduite accompagnée
Messages : 102
Enregistré le : 19 août 2009, 02:29
: : :
Modèle : [Espace II 2.1 TDV]
Finition : Alizé
Année : 1996
: : :
: : :

Re: Largeur de courroie de distribution

Message non lu par ispace »

Bonjour,
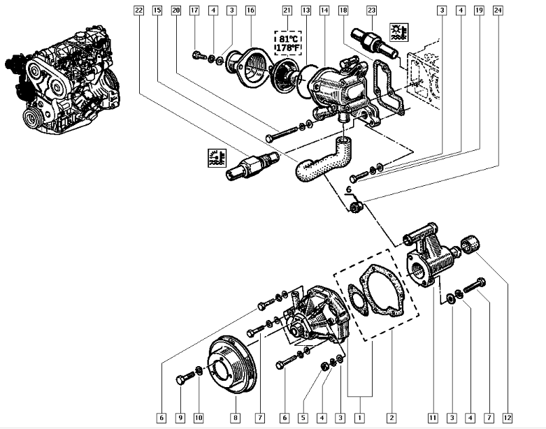
je suis en train de faire ma distribution et je constate que la boite de mon calorstat comprends 2 joints ... le premier est évident , il se positionne autour du calorstat mais le deuxieme l'est bcp moins...
Sur la RTA, on voit une vu éclatée et il se positionne derriere c'est à dire du moteur vers le radiateur , or ça ne me semble pas évident.
Quelqu'un peut il confirmer ou infirmer ?
Merci
Avatar du membre
Sigma
Fou (folle) du volant
Fou (folle) du volant
Messages : 1661
Enregistré le : 11 août 2022, 19:21
: : :
Modèle : [Espace II 2.1 TD]
Finition : Base
Année : 1994
: : :
: : :
Localisation : en dérapage

Re: Largeur de courroie de distribution

Message non lu par Sigma »

Salut
il doit y avoir un joint en rab, normalement il en faut un seul qui se pose bien sur la jupe du calorstat:
Capture d’écran_2024-07-04_22-31-19.png
Renault Espace II RN J8S 1994 290000Km (le Sapin de noël), CG véhicule collection depuis le 09/2024 :mrgreen:
Peugeot 306 Berline "Symbio" 1.9D XUD9 1997 258000Km (Farce à la Rouille)
ispace
Conduite accompagnée
Conduite accompagnée
Messages : 102
Enregistré le : 19 août 2009, 02:29
: : :
Modèle : [Espace II 2.1 TDV]
Finition : Alizé
Année : 1996
: : :
: : :

Re: Largeur de courroie de distribution

Message non lu par ispace »

Salut Sigma,
en pièce jointe il y a une image de calorstat de marque Febi (la meme que valéo).
On y voit le joint sur la "jupe" et un second de disponible ...
Je ne sais pas où le placer :oops:
Fichiers joints
thumb.jpeg
Avatar du membre
Sigma
Fou (folle) du volant
Fou (folle) du volant
Messages : 1661
Enregistré le : 11 août 2022, 19:21
: : :
Modèle : [Espace II 2.1 TD]
Finition : Base
Année : 1994
: : :
: : :
Localisation : en dérapage

Re: Largeur de courroie de distribution

Message non lu par Sigma »

Salut
selon les docs ce torique n'a aucun usage. Je ne l'ai vu nulle part.
Sur l'image que j'ai posté la pièce 13 c'est le joint du calorstat, pas de torique en vue.

D'ailleurs quand j'ai changé le calorstat sur mon 2 j'avais trouvé une pièce d'origine Renault neuve et il n'était pas présent dans la boite.
Donc montage "normal" avec le joint de jupe et c'est ok.
La seule modif que j'ai fait c'est percer 2x2mm dans la jupe, histoire d'avoir toujours un peu de circulation de LDR.
Renault Espace II RN J8S 1994 290000Km (le Sapin de noël), CG véhicule collection depuis le 09/2024 :mrgreen:
Peugeot 306 Berline "Symbio" 1.9D XUD9 1997 258000Km (Farce à la Rouille)
ispace
Conduite accompagnée
Conduite accompagnée
Messages : 102
Enregistré le : 19 août 2009, 02:29
: : :
Modèle : [Espace II 2.1 TDV]
Finition : Alizé
Année : 1996
: : :
: : :

Re: Largeur de courroie de distribution

Message non lu par ispace »

Super!
merci Sigma !
Répondre