La solution durable : https://www.passion-espace-club.com/view ... 45&t=11252
[AOD] Espace 1 2000 TSE 03/85
- Pilou29
- Site Admin

- Messages : 13633
- Enregistré le : 10 janv. 2008, 23:37
- : : :
- Modèle : [Espace I 2.0 carburateur]
- Finition : TSE
- Année : 1984
- : : :
- 2ème modèle : [Espace III 2.0 16V BVA]
- finition : Privilège
- Année : 2001
- : : :
- 3ème modèle : [Avantime V6-24 BVM]
- Finition : AVANTIME :
- Année : 2002
Re: [AOD] Espace 1 2000 TSE 03/85
En règle générale ça tient quelques mois et ça recommence 
La solution durable : https://www.passion-espace-club.com/view ... 45&t=11252
La solution durable : https://www.passion-espace-club.com/view ... 45&t=11252
Espace I 2000 TSE (futur collector
N° 2298 de septembre 1984 - le bonheur : pas d'électronique, ou presque )
_____
_____
Espace II V6 Auto 1996 Bleu Boite HS
(Parti à la casse !)
Espace III Privilège 2.0 16v Proactive 2001
Le petit dernier : Avantime V6 Privilège
La puce : Twingo 2001 jaune
Pépère ; Camping Car collector Ford 1988

_____
_____
Espace II V6 Auto 1996 Bleu Boite HS
Espace III Privilège 2.0 16v Proactive 2001
Le petit dernier : Avantime V6 Privilège
La puce : Twingo 2001 jaune
Pépère ; Camping Car collector Ford 1988

- camion rouge
- Fou (folle) du volant

- Messages : 12371
- Enregistré le : 26 mai 2013, 14:26
- : : :
- Modèle : [Espace II 2.1 TD]
- Finition : Base
- Année : 1995
- : : :
- 2ème modèle : [Grand Espace III 2.2 DT]
- finition : RXE
- Année : 1998
- : : :
- 3ème modèle : [Espace I 2.1 TD]
- Finition : TurboDX
- Année : 1989
- Localisation : ancienne septimanie mais origine septentrionale ! en clair, herault mais chti pur jus !
Re: [AOD] Espace 1 2000 TSE 03/85
C'est une colle neoprene ?
Espace 3 Dt gris pluton 1998 237347km (multiplexé : tant pis!)
espace 2 td rouge Apache 1991 398461km Parti a la casse le 05/04/2016.......
espace 2 td blanc Arctique1995 431600km 476000km...481000 km...490000 km.. 500000km !510000km !521000km !537000km
545000... et c'est pas fini !
Espace 2 dtv gris Mercure 1996 limited en cours de remise en route !
espace 2 td vert 1995 space mountain 330000km kidnappé par mon ex ...
Espace 1 ph2 td gris titane de 88 416000 au compteur 300mkm de moins pour le moteur !
Espace 1 ph2 td bleu de 89 364mkm certifiés Ex Philou33 depuis le 18 mars 2017 .apres un changement de turbo, c'est reparti !!
opel kadett E cabriolet de 1991;un pur regal !
750 four de 1978 43000km d'origine !
GPZ 900R de 89 49000km ex Nikita ( en cours de revision/refection pour voyager )
Vespino GL (cyclo) de 77/78 acheté neuf par mon grand pere et recuperé cet été apres 15/20 ans de remisage
espace 2 td rouge Apache 1991 398461km Parti a la casse le 05/04/2016.......
espace 2 td blanc Arctique1995 431600km 476000km...481000 km...490000 km.. 500000km !510000km !521000km !537000km
Espace 2 dtv gris Mercure 1996 limited en cours de remise en route !
espace 2 td vert 1995 space mountain 330000km kidnappé par mon ex ...
Espace 1 ph2 td gris titane de 88 416000 au compteur 300mkm de moins pour le moteur !
Espace 1 ph2 td bleu de 89 364mkm certifiés Ex Philou33 depuis le 18 mars 2017 .apres un changement de turbo, c'est reparti !!
opel kadett E cabriolet de 1991;un pur regal !
750 four de 1978 43000km d'origine !
GPZ 900R de 89 49000km ex Nikita ( en cours de revision/refection pour voyager )
Vespino GL (cyclo) de 77/78 acheté neuf par mon grand pere et recuperé cet été apres 15/20 ans de remisage
- AOD
- Sur l'autoroute

- Messages : 567
- Enregistré le : 28 oct. 2018, 23:14
- : : :
- Modèle : [Espace I 2.0 carburateur]
- Finition : TSE
- Année : 1985
- : : :
- 2ème modèle : [Grand Espace IV 2.0 T 170 BVA]
- finition : Alyum Plus
- Année : 2008
- : : :
Re: [AOD] Espace 1 2000 TSE 03/85
Pas précisé sur le flacon !camion rouge a écrit :C'est une colle neoprene ?
Bien joué la restauration avec profilé Pilou ! Ce sera mon second choix si celui-ci ne tient pas !
Espace 1 - 2000 TSE - 19/03/85 - Châssis 3344 - 230 000 KM
Volvo 480 Turbo - 08/94 - 212 480 KM (en ma possession depuis 05/04 - 98 000 km)
Daily : Mégane 3 Estate GT Line 1.6 l dci 130 ch (livrée neuve en septembre 2012) - 220 000 km [VENDUE]
Espace IV - Alyum Plus 2.0 l Turbo BVA - 26/06/2008 - 219 000 KM
Madame : Toyota Aygo II boitoto 2014 - 95 000 km
Volvo 480 Turbo - 08/94 - 212 480 KM (en ma possession depuis 05/04 - 98 000 km)
Daily : Mégane 3 Estate GT Line 1.6 l dci 130 ch (livrée neuve en septembre 2012) - 220 000 km [VENDUE]
Espace IV - Alyum Plus 2.0 l Turbo BVA - 26/06/2008 - 219 000 KM
Madame : Toyota Aygo II boitoto 2014 - 95 000 km
- AOD
- Sur l'autoroute

- Messages : 567
- Enregistré le : 28 oct. 2018, 23:14
- : : :
- Modèle : [Espace I 2.0 carburateur]
- Finition : TSE
- Année : 1985
- : : :
- 2ème modèle : [Grand Espace IV 2.0 T 170 BVA]
- finition : Alyum Plus
- Année : 2008
- : : :
Re: [AOD] Espace 1 2000 TSE 03/85
J'ai récemment mis la main sur un troupeau (3) d'Espace 1 chez un particulier dont l'intérieur est beige (pour deux d'entre eux)...
Et hop deux tablettes beiges et une poignée de maintient (dont j'ai pété un côté en la remontant ...
) !!!!
J'y retournerais pour y prélever les toits ouvrants et d'autres babioles !
Et hop deux tablettes beiges et une poignée de maintient (dont j'ai pété un côté en la remontant ...
Espace 1 - 2000 TSE - 19/03/85 - Châssis 3344 - 230 000 KM
Volvo 480 Turbo - 08/94 - 212 480 KM (en ma possession depuis 05/04 - 98 000 km)
Daily : Mégane 3 Estate GT Line 1.6 l dci 130 ch (livrée neuve en septembre 2012) - 220 000 km [VENDUE]
Espace IV - Alyum Plus 2.0 l Turbo BVA - 26/06/2008 - 219 000 KM
Madame : Toyota Aygo II boitoto 2014 - 95 000 km
Volvo 480 Turbo - 08/94 - 212 480 KM (en ma possession depuis 05/04 - 98 000 km)
Daily : Mégane 3 Estate GT Line 1.6 l dci 130 ch (livrée neuve en septembre 2012) - 220 000 km [VENDUE]
Espace IV - Alyum Plus 2.0 l Turbo BVA - 26/06/2008 - 219 000 KM
Madame : Toyota Aygo II boitoto 2014 - 95 000 km
- AOD
- Sur l'autoroute

- Messages : 567
- Enregistré le : 28 oct. 2018, 23:14
- : : :
- Modèle : [Espace I 2.0 carburateur]
- Finition : TSE
- Année : 1985
- : : :
- 2ème modèle : [Grand Espace IV 2.0 T 170 BVA]
- finition : Alyum Plus
- Année : 2008
- : : :
Re: [AOD] Espace 1 2000 TSE 03/85
Les deux baleines ensemble !
Espace 1 - 2000 TSE - 19/03/85 - Châssis 3344 - 230 000 KM
Volvo 480 Turbo - 08/94 - 212 480 KM (en ma possession depuis 05/04 - 98 000 km)
Daily : Mégane 3 Estate GT Line 1.6 l dci 130 ch (livrée neuve en septembre 2012) - 220 000 km [VENDUE]
Espace IV - Alyum Plus 2.0 l Turbo BVA - 26/06/2008 - 219 000 KM
Madame : Toyota Aygo II boitoto 2014 - 95 000 km
Volvo 480 Turbo - 08/94 - 212 480 KM (en ma possession depuis 05/04 - 98 000 km)
Daily : Mégane 3 Estate GT Line 1.6 l dci 130 ch (livrée neuve en septembre 2012) - 220 000 km [VENDUE]
Espace IV - Alyum Plus 2.0 l Turbo BVA - 26/06/2008 - 219 000 KM
Madame : Toyota Aygo II boitoto 2014 - 95 000 km
- p23
- Fou (folle) du volant

- Messages : 2827
- Enregistré le : 18 août 2012, 21:43
- : : :
- Modèle : [Espace I 2.1 TD]
- Finition : 2000-1
- Année : 1987
- : : :
- 2ème modèle : [Espace II 2.1 TD]
- finition : Alizé
- Année : 1994
- : : :
- Localisation : Charente Mme(17)
Re: [AOD] Espace 1 2000 TSE 03/85
Salut,
Impec tout ça !
Impec tout ça !
Espace 2000.1 td 03/87 (620000 kms
.....Vendu
)
.Espace Alizé 2.1 dt 07/94....vendu
r9 gtl 04/87.
Golf tdi 1998.
Golf Gld 80.
r19 Storia Dt 1995.
Peugeot 305 gr break 1987.
Vw Cox Winter Bug 3800 ex 1983.
...Tous les jours en Fiat Doblo maxi 105 Multijet.
.Espace Alizé 2.1 dt 07/94....vendu
r9 gtl 04/87.
Golf tdi 1998.
Golf Gld 80.
r19 Storia Dt 1995.
Peugeot 305 gr break 1987.
Vw Cox Winter Bug 3800 ex 1983.
...Tous les jours en Fiat Doblo maxi 105 Multijet.
- AOD
- Sur l'autoroute

- Messages : 567
- Enregistré le : 28 oct. 2018, 23:14
- : : :
- Modèle : [Espace I 2.0 carburateur]
- Finition : TSE
- Année : 1985
- : : :
- 2ème modèle : [Grand Espace IV 2.0 T 170 BVA]
- finition : Alyum Plus
- Année : 2008
- : : :
Re: [AOD] Espace 1 2000 TSE 03/85
J'ai profité du confinement pour tenter de travailler sur la bête, avec comme objectif de tester et installer la chaine hi-fi révisé par la personne qui s'est fait connaitre via le forum R25. Bin, j'ai un peu le nerfs (je suis mauvais en électricité), j'ai un peu tâtonné pour trouver les correspondances niveau branchements (mal foutue cette prise DIN à 7 broches alors qu'il en faudrait
... tout fonctionne à l'exception de la voie arrière droite, je ne sais pas pourquoi et ça me dépasse (d'où l'agacement). J'ai fait toutes sortes de tests (notamment pour éliminer le potentiel souci de faisceau entre le poste et l'arrière de la voiture) en vain. J'ai également un problème balot. J'avais trouvé via un groupe r11/r9 sur facebook un afficheur déporté en bon état mais le câble qui est censé relier ce dernier à la chaine est trop court bien évidemment. J'en ai bien en second de la bonne taille, mais devinez quoi ??? Il ne fonctionne pas !
Si l'un d'entre vous possède un câble en bon état et de la bonne longueur, je suis preneur. Sinon, je tenterais d'en reproduire un...
Si l'un d'entre vous possède un câble en bon état et de la bonne longueur, je suis preneur. Sinon, je tenterais d'en reproduire un...
Espace 1 - 2000 TSE - 19/03/85 - Châssis 3344 - 230 000 KM
Volvo 480 Turbo - 08/94 - 212 480 KM (en ma possession depuis 05/04 - 98 000 km)
Daily : Mégane 3 Estate GT Line 1.6 l dci 130 ch (livrée neuve en septembre 2012) - 220 000 km [VENDUE]
Espace IV - Alyum Plus 2.0 l Turbo BVA - 26/06/2008 - 219 000 KM
Madame : Toyota Aygo II boitoto 2014 - 95 000 km
Volvo 480 Turbo - 08/94 - 212 480 KM (en ma possession depuis 05/04 - 98 000 km)
Daily : Mégane 3 Estate GT Line 1.6 l dci 130 ch (livrée neuve en septembre 2012) - 220 000 km [VENDUE]
Espace IV - Alyum Plus 2.0 l Turbo BVA - 26/06/2008 - 219 000 KM
Madame : Toyota Aygo II boitoto 2014 - 95 000 km
- Pilou29
- Site Admin

- Messages : 13633
- Enregistré le : 10 janv. 2008, 23:37
- : : :
- Modèle : [Espace I 2.0 carburateur]
- Finition : TSE
- Année : 1984
- : : :
- 2ème modèle : [Espace III 2.0 16V BVA]
- finition : Privilège
- Année : 2001
- : : :
- 3ème modèle : [Avantime V6-24 BVM]
- Finition : AVANTIME :
- Année : 2002
Re: [AOD] Espace 1 2000 TSE 03/85
As tu bien cablé les 2 prises pour le raccordement ?
prise 7 broches et prise 3 broches (2 utilisées)
le - HP AR droit est un position 3 sur ce connecteur gris.
Ben oui, pourquoi faire simple quand on peut faire compliqué, le connecteur 7 broches ne permet pas le cablage complet des HP,il en manque une
, donc MATRA s'est repiqué sur un autre connecteur ! (probablement de la récup de vieux connecteurs !!!)
Si tu as besoin je peux te faire un scan de ce branchement.
prise 7 broches et prise 3 broches (2 utilisées)
le - HP AR droit est un position 3 sur ce connecteur gris.
Ben oui, pourquoi faire simple quand on peut faire compliqué, le connecteur 7 broches ne permet pas le cablage complet des HP,il en manque une
Si tu as besoin je peux te faire un scan de ce branchement.
Espace I 2000 TSE (futur collector
N° 2298 de septembre 1984 - le bonheur : pas d'électronique, ou presque )
_____
_____
Espace II V6 Auto 1996 Bleu Boite HS
(Parti à la casse !)
Espace III Privilège 2.0 16v Proactive 2001
Le petit dernier : Avantime V6 Privilège
La puce : Twingo 2001 jaune
Pépère ; Camping Car collector Ford 1988

_____
_____
Espace II V6 Auto 1996 Bleu Boite HS
Espace III Privilège 2.0 16v Proactive 2001
Le petit dernier : Avantime V6 Privilège
La puce : Twingo 2001 jaune
Pépère ; Camping Car collector Ford 1988

- EAime
- Fou (folle) du volant

- Messages : 20270
- Enregistré le : 14 mars 2008, 14:07
- : : :
- Modèle : [N'a plus d'Espace]
- Finition : TXE
- Année : 1989
- : : :
- 2ème modèle : [N'a plus d'Espace]
- finition : RXE
- Année : 1991
- : : :
- 3ème modèle : [Espace III V6]
- Finition : RXT
- Année : 1998
- Localisation : La Rochelle
Re: [AOD] Espace 1 2000 TSE 03/85
Question bête : ton H.P. fonctionne avec une autre source ?
Renault Vel Satis Ph2 3.5L V6 Initiale 2006 - Gris Platine - 266 000km
Renault Espace "3" RXT 3.0 V6 PRV 1998 - Gris Titane - 157 000km
Renault Espace "1" TXE 1989 - Bleu Mandchourie - 245 000km - Offerte Téléthon 2019
Renault Espace "2" 2.8L V6 RXE - 1991 - Gris Rafale - 216 000km C.G. Collection 12/2021
Renault Espace "2" 2.1Dtv - 1997 - Bleu Impérial - 124 000km
Renault Espace "4" 2.0T / 170CV Initiale 2005 - Gris Platine - 214 000km
Toyota Yaris 1.5 Hybride Lounge - 2011 - Pack VIP - 106 000km. J'adore !
BMW R850 RT - 2003 - Bleu Biarritz - 128 000km. Du bonheur !
****Je ne réponds pas aux questions techniques envoyées par MP****
_______________________________________
"Ah ! Quand elles ont la tête comme ça, rentrée dans les épaules, c'est qu'elles sont pas contentes !" (Coluche)
Renault Espace "3" RXT 3.0 V6 PRV 1998 - Gris Titane - 157 000km
Renault Espace "1" TXE 1989 - Bleu Mandchourie - 245 000km - Offerte Téléthon 2019
Renault Espace "2" 2.8L V6 RXE - 1991 - Gris Rafale - 216 000km C.G. Collection 12/2021
Renault Espace "2" 2.1Dtv - 1997 - Bleu Impérial - 124 000km
Renault Espace "4" 2.0T / 170CV Initiale 2005 - Gris Platine - 214 000km
Toyota Yaris 1.5 Hybride Lounge - 2011 - Pack VIP - 106 000km. J'adore !
BMW R850 RT - 2003 - Bleu Biarritz - 128 000km. Du bonheur !
****Je ne réponds pas aux questions techniques envoyées par MP****
_______________________________________
"Ah ! Quand elles ont la tête comme ça, rentrée dans les épaules, c'est qu'elles sont pas contentes !" (Coluche)
- AOD
- Sur l'autoroute

- Messages : 567
- Enregistré le : 28 oct. 2018, 23:14
- : : :
- Modèle : [Espace I 2.0 carburateur]
- Finition : TSE
- Année : 1985
- : : :
- 2ème modèle : [Grand Espace IV 2.0 T 170 BVA]
- finition : Alyum Plus
- Année : 2008
- : : :
Re: [AOD] Espace 1 2000 TSE 03/85
Salut,Pilou29 a écrit : 05 avr. 2020, 10:49 As tu bien cablé les 2 prises pour le raccordement ?
prise 7 broches et prise 3 broches (2 utilisées)
le - HP AR droit est un position 3 sur ce connecteur gris.
Ben oui, pourquoi faire simple quand on peut faire compliqué, le connecteur 7 broches ne permet pas le cablage complet des HP,il en manque une, donc MATRA s'est repiqué sur un autre connecteur ! (probablement de la récup de vieux connecteurs !!!)
Si tu as besoin je peux te faire un scan de ce branchement.
Ouais merci, j'avais fini par trouver en effet. Oui, c'est un peu débile mais en suivant le câblage, on voit qu'il arrive aussi sur cette fameuse 3 broches. Si tu as quand même un schéma plus officiel, ça m'intéresse (merci).
Oui, j'ai aussi testé le HP sur une autre source... je suis certain que le brun vient de la chaine (mais la personne qui a refait la chaine, m'a dit que pour lui c'était franchement peu probable.)
Espace 1 - 2000 TSE - 19/03/85 - Châssis 3344 - 230 000 KM
Volvo 480 Turbo - 08/94 - 212 480 KM (en ma possession depuis 05/04 - 98 000 km)
Daily : Mégane 3 Estate GT Line 1.6 l dci 130 ch (livrée neuve en septembre 2012) - 220 000 km [VENDUE]
Espace IV - Alyum Plus 2.0 l Turbo BVA - 26/06/2008 - 219 000 KM
Madame : Toyota Aygo II boitoto 2014 - 95 000 km
Volvo 480 Turbo - 08/94 - 212 480 KM (en ma possession depuis 05/04 - 98 000 km)
Daily : Mégane 3 Estate GT Line 1.6 l dci 130 ch (livrée neuve en septembre 2012) - 220 000 km [VENDUE]
Espace IV - Alyum Plus 2.0 l Turbo BVA - 26/06/2008 - 219 000 KM
Madame : Toyota Aygo II boitoto 2014 - 95 000 km
- Pilou29
- Site Admin

- Messages : 13633
- Enregistré le : 10 janv. 2008, 23:37
- : : :
- Modèle : [Espace I 2.0 carburateur]
- Finition : TSE
- Année : 1984
- : : :
- 2ème modèle : [Espace III 2.0 16V BVA]
- finition : Privilège
- Année : 2001
- : : :
- 3ème modèle : [Avantime V6-24 BVM]
- Finition : AVANTIME :
- Année : 2002
Re: [AOD] Espace 1 2000 TSE 03/85
Facile à vérifier :
tu relie directement le HP droit aux prises en sortir du poste
çà marche : c'est le cablage qui déraille
çà marche pas c'est le poste qui déraille
aussi simple que çà
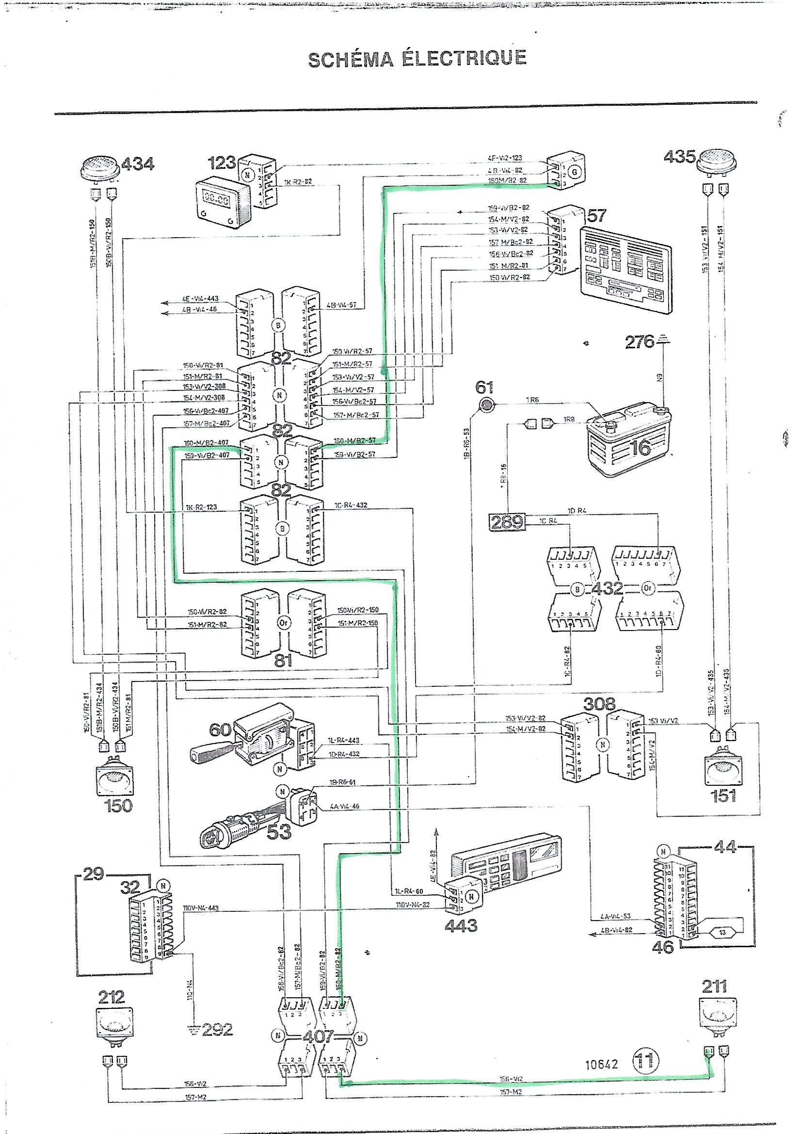
je te mets les schémas
Schéma électrique autoradio TSE
connecteur pour autoradio TSE
(en vert le - du HP droit)
Le schéma pour le TSE est plus simple: il n'y a rien de prévu entre un hypothétique autoradio et les HP (installés à priori) des portes avant !
A vous de relier le connecteur 81 (gauche ) et 308 (droit) à l'autoradio !
tu relie directement le HP droit aux prises en sortir du poste
çà marche : c'est le cablage qui déraille
çà marche pas c'est le poste qui déraille
aussi simple que çà
je te mets les schémas
Schéma électrique autoradio TSE
connecteur pour autoradio TSE
(en vert le - du HP droit)
Le schéma pour le TSE est plus simple: il n'y a rien de prévu entre un hypothétique autoradio et les HP (installés à priori) des portes avant !
A vous de relier le connecteur 81 (gauche ) et 308 (droit) à l'autoradio !
Espace I 2000 TSE (futur collector
N° 2298 de septembre 1984 - le bonheur : pas d'électronique, ou presque )
_____
_____
Espace II V6 Auto 1996 Bleu Boite HS
(Parti à la casse !)
Espace III Privilège 2.0 16v Proactive 2001
Le petit dernier : Avantime V6 Privilège
La puce : Twingo 2001 jaune
Pépère ; Camping Car collector Ford 1988

_____
_____
Espace II V6 Auto 1996 Bleu Boite HS
Espace III Privilège 2.0 16v Proactive 2001
Le petit dernier : Avantime V6 Privilège
La puce : Twingo 2001 jaune
Pépère ; Camping Car collector Ford 1988

- AOD
- Sur l'autoroute

- Messages : 567
- Enregistré le : 28 oct. 2018, 23:14
- : : :
- Modèle : [Espace I 2.0 carburateur]
- Finition : TSE
- Année : 1985
- : : :
- 2ème modèle : [Grand Espace IV 2.0 T 170 BVA]
- finition : Alyum Plus
- Année : 2008
- : : :
Re: [AOD] Espace 1 2000 TSE 03/85
Merci bienPilou29 a écrit : 05 avr. 2020, 18:29 Facile à vérifier :
tu relie directement le HP droit aux prises en sortir du poste
çà marche : c'est le cablage qui déraille
çà marche pas c'est le poste qui déraille
aussi simple que çà
je te mets les schémas
Pour l'histoire des HP, c'est bien ce que j'ai fait... Donc, c'est bien le poste !
Espace 1 - 2000 TSE - 19/03/85 - Châssis 3344 - 230 000 KM
Volvo 480 Turbo - 08/94 - 212 480 KM (en ma possession depuis 05/04 - 98 000 km)
Daily : Mégane 3 Estate GT Line 1.6 l dci 130 ch (livrée neuve en septembre 2012) - 220 000 km [VENDUE]
Espace IV - Alyum Plus 2.0 l Turbo BVA - 26/06/2008 - 219 000 KM
Madame : Toyota Aygo II boitoto 2014 - 95 000 km
Volvo 480 Turbo - 08/94 - 212 480 KM (en ma possession depuis 05/04 - 98 000 km)
Daily : Mégane 3 Estate GT Line 1.6 l dci 130 ch (livrée neuve en septembre 2012) - 220 000 km [VENDUE]
Espace IV - Alyum Plus 2.0 l Turbo BVA - 26/06/2008 - 219 000 KM
Madame : Toyota Aygo II boitoto 2014 - 95 000 km
-
SAHRO
- Fou (folle) du volant

- Messages : 2044
- Enregistré le : 23 sept. 2011, 19:52
- : : :
- Modèle : [Espace III 2.2 DT]
- Finition : Initiale
- Année : 2000
- : : :
- 2ème modèle : [Grand Espace III V6-24]
- finition : Initiale
- Année : 2001
- : : :
- Localisation : Toulon
Re: [AOD] Espace 1 2000 TSE 03/85
Salut AOD
Si sa peut t'aider.
EspaceIII Initiale 255000km de 2000 2.2td vendu le 12/05/17
EspaceIII Initiale 185000km de 2001 long V6 L7X BA.
"Tempérament fatigué, on est né sous le soleil...."
EspaceIII Initiale 185000km de 2001 long V6 L7X BA.
"Tempérament fatigué, on est né sous le soleil...."
- AOD
- Sur l'autoroute

- Messages : 567
- Enregistré le : 28 oct. 2018, 23:14
- : : :
- Modèle : [Espace I 2.0 carburateur]
- Finition : TSE
- Année : 1985
- : : :
- 2ème modèle : [Grand Espace IV 2.0 T 170 BVA]
- finition : Alyum Plus
- Année : 2008
- : : :
Re: [AOD] Espace 1 2000 TSE 03/85
Merci bien 
Espace 1 - 2000 TSE - 19/03/85 - Châssis 3344 - 230 000 KM
Volvo 480 Turbo - 08/94 - 212 480 KM (en ma possession depuis 05/04 - 98 000 km)
Daily : Mégane 3 Estate GT Line 1.6 l dci 130 ch (livrée neuve en septembre 2012) - 220 000 km [VENDUE]
Espace IV - Alyum Plus 2.0 l Turbo BVA - 26/06/2008 - 219 000 KM
Madame : Toyota Aygo II boitoto 2014 - 95 000 km
Volvo 480 Turbo - 08/94 - 212 480 KM (en ma possession depuis 05/04 - 98 000 km)
Daily : Mégane 3 Estate GT Line 1.6 l dci 130 ch (livrée neuve en septembre 2012) - 220 000 km [VENDUE]
Espace IV - Alyum Plus 2.0 l Turbo BVA - 26/06/2008 - 219 000 KM
Madame : Toyota Aygo II boitoto 2014 - 95 000 km
- AOD
- Sur l'autoroute

- Messages : 567
- Enregistré le : 28 oct. 2018, 23:14
- : : :
- Modèle : [Espace I 2.0 carburateur]
- Finition : TSE
- Année : 1985
- : : :
- 2ème modèle : [Grand Espace IV 2.0 T 170 BVA]
- finition : Alyum Plus
- Année : 2008
- : : :
Re: [AOD] Espace 1 2000 TSE 03/85
Bon, comme pas mal d'entre nous... j'ai un peu de temps en ce moment. J'ai donc commencé à attaquer le TSE.
J'ai voulu récurer les contres-portes et je dois avouer que je me suis un peu enflammé...
En effet, pris par l'enthousiasme, j'ai fait disparaitre le motif chiné comme un gros #@& ... mais bon, c'est propre maintenant
Si quelqu'un à les deux contres portes côté passager, je suis preneur !
Un peu de positif, j'ai réussi a redonner du pep's aux plastiques sur lesquels les UV avaient bien bossé. J'ai utilisé un produit que malheureusement on ne trouve plus
J'ai réparé (pas peu fier avec mes gros doigts) le portillon de la chaine hi-fi grâce à un morceau de trombone et un briquet...
Et puis j'ai pu constater que mes deux lèves-vitre arrières étaient morts (j'en ai un rab, merci Morgan).
J'ai voulu récurer les contres-portes et je dois avouer que je me suis un peu enflammé...
En effet, pris par l'enthousiasme, j'ai fait disparaitre le motif chiné comme un gros #@& ... mais bon, c'est propre maintenant
Si quelqu'un à les deux contres portes côté passager, je suis preneur !
Un peu de positif, j'ai réussi a redonner du pep's aux plastiques sur lesquels les UV avaient bien bossé. J'ai utilisé un produit que malheureusement on ne trouve plus
Espace 1 - 2000 TSE - 19/03/85 - Châssis 3344 - 230 000 KM
Volvo 480 Turbo - 08/94 - 212 480 KM (en ma possession depuis 05/04 - 98 000 km)
Daily : Mégane 3 Estate GT Line 1.6 l dci 130 ch (livrée neuve en septembre 2012) - 220 000 km [VENDUE]
Espace IV - Alyum Plus 2.0 l Turbo BVA - 26/06/2008 - 219 000 KM
Madame : Toyota Aygo II boitoto 2014 - 95 000 km
Volvo 480 Turbo - 08/94 - 212 480 KM (en ma possession depuis 05/04 - 98 000 km)
Daily : Mégane 3 Estate GT Line 1.6 l dci 130 ch (livrée neuve en septembre 2012) - 220 000 km [VENDUE]
Espace IV - Alyum Plus 2.0 l Turbo BVA - 26/06/2008 - 219 000 KM
Madame : Toyota Aygo II boitoto 2014 - 95 000 km
-
SAHRO
- Fou (folle) du volant

- Messages : 2044
- Enregistré le : 23 sept. 2011, 19:52
- : : :
- Modèle : [Espace III 2.2 DT]
- Finition : Initiale
- Année : 2000
- : : :
- 2ème modèle : [Grand Espace III V6-24]
- finition : Initiale
- Année : 2001
- : : :
- Localisation : Toulon
Re: [AOD] Espace 1 2000 TSE 03/85
Salut AOD, Autoglym a priori chez Maniac Auto :
https://www.maniac-auto.com/fr/162-autoglym
https://www.maniac-auto.com/fr/162-autoglym
EspaceIII Initiale 255000km de 2000 2.2td vendu le 12/05/17
EspaceIII Initiale 185000km de 2001 long V6 L7X BA.
"Tempérament fatigué, on est né sous le soleil...."
EspaceIII Initiale 185000km de 2001 long V6 L7X BA.
"Tempérament fatigué, on est né sous le soleil...."
- AOD
- Sur l'autoroute

- Messages : 567
- Enregistré le : 28 oct. 2018, 23:14
- : : :
- Modèle : [Espace I 2.0 carburateur]
- Finition : TSE
- Année : 1985
- : : :
- 2ème modèle : [Grand Espace IV 2.0 T 170 BVA]
- finition : Alyum Plus
- Année : 2008
- : : :
Re: [AOD] Espace 1 2000 TSE 03/85
Génial merci. La dernière fois que j'ai cherché, j'ai pas trouvé. 
Espace 1 - 2000 TSE - 19/03/85 - Châssis 3344 - 230 000 KM
Volvo 480 Turbo - 08/94 - 212 480 KM (en ma possession depuis 05/04 - 98 000 km)
Daily : Mégane 3 Estate GT Line 1.6 l dci 130 ch (livrée neuve en septembre 2012) - 220 000 km [VENDUE]
Espace IV - Alyum Plus 2.0 l Turbo BVA - 26/06/2008 - 219 000 KM
Madame : Toyota Aygo II boitoto 2014 - 95 000 km
Volvo 480 Turbo - 08/94 - 212 480 KM (en ma possession depuis 05/04 - 98 000 km)
Daily : Mégane 3 Estate GT Line 1.6 l dci 130 ch (livrée neuve en septembre 2012) - 220 000 km [VENDUE]
Espace IV - Alyum Plus 2.0 l Turbo BVA - 26/06/2008 - 219 000 KM
Madame : Toyota Aygo II boitoto 2014 - 95 000 km
- Roman Pologne
- Passager(ère)

- Messages : 36
- Enregistré le : 16 janv. 2019, 09:03
- : : :
- Modèle : [Espace I 2.1 TD]
- Finition : TurboDX
- Année : 1987
- : : :
- : : :
Re: [AOD] Espace 1 2000 TSE 03/85
Good job
- AOD
- Sur l'autoroute

- Messages : 567
- Enregistré le : 28 oct. 2018, 23:14
- : : :
- Modèle : [Espace I 2.0 carburateur]
- Finition : TSE
- Année : 1985
- : : :
- 2ème modèle : [Grand Espace IV 2.0 T 170 BVA]
- finition : Alyum Plus
- Année : 2008
- : : :
Re: [AOD] Espace 1 2000 TSE 03/85
Je continue gentiment à retaper mon TSE.
J'ai pris le temps de virer tous les draps des contre portes, passés en machine à 40°c et avec l'essorage un peu violent. C'est ressorti nickel, mais je déconseille (sans doute l'essorage) car j'ai perdu un peu de matière, mais pas assez pour m'empêcher de tout repositionner avec une colle néoprène en spray. Je suis assez content du résultat (j'avais une tâche récalcitrante qui est finalement partie). Reste la sellerie maintenant.
J'ai pris le temps de virer tous les draps des contre portes, passés en machine à 40°c et avec l'essorage un peu violent. C'est ressorti nickel, mais je déconseille (sans doute l'essorage) car j'ai perdu un peu de matière, mais pas assez pour m'empêcher de tout repositionner avec une colle néoprène en spray. Je suis assez content du résultat (j'avais une tâche récalcitrante qui est finalement partie). Reste la sellerie maintenant.
Espace 1 - 2000 TSE - 19/03/85 - Châssis 3344 - 230 000 KM
Volvo 480 Turbo - 08/94 - 212 480 KM (en ma possession depuis 05/04 - 98 000 km)
Daily : Mégane 3 Estate GT Line 1.6 l dci 130 ch (livrée neuve en septembre 2012) - 220 000 km [VENDUE]
Espace IV - Alyum Plus 2.0 l Turbo BVA - 26/06/2008 - 219 000 KM
Madame : Toyota Aygo II boitoto 2014 - 95 000 km
Volvo 480 Turbo - 08/94 - 212 480 KM (en ma possession depuis 05/04 - 98 000 km)
Daily : Mégane 3 Estate GT Line 1.6 l dci 130 ch (livrée neuve en septembre 2012) - 220 000 km [VENDUE]
Espace IV - Alyum Plus 2.0 l Turbo BVA - 26/06/2008 - 219 000 KM
Madame : Toyota Aygo II boitoto 2014 - 95 000 km
- AOD
- Sur l'autoroute

- Messages : 567
- Enregistré le : 28 oct. 2018, 23:14
- : : :
- Modèle : [Espace I 2.0 carburateur]
- Finition : TSE
- Année : 1985
- : : :
- 2ème modèle : [Grand Espace IV 2.0 T 170 BVA]
- finition : Alyum Plus
- Année : 2008
- : : :
Re: [AOD] Espace 1 2000 TSE 03/85
J'ai également remis en place la centralisation (toutes les portes ferment et s'ouvrent sans souci à l'exception du coffre, mais je n'ai pas encore touché à ce dernier), merci le WD40.
J'ai constaté que les actionneurs manuels sont HS de chaque côté... va falloir changer ça (si quelqu'un a ça, je suis preneur) Les boutons des contre-portes s'allument tous de nouveau. J'ai aussi installé la commande radio au volant (va falloir que je rabote le volant grrr) et j'ai fait une belle bêtise en replaçant les demi-coques autour du volant. En effet, il y a trois vis à placer et il m'en manquait une. J'ai donc chercher un vis qui pourrait faire l'affaire, mais j'ai pris une vis trop longue et je m'en suis aperçu en actionnant le commodo de phares pour vérifier... J'ai transpercer le faisceau du commodo avec la vis en question et donc collé à la masse. J'ai eu chaud car sentait bien le brulé. Au final, pas de bobo (mise à part le commodo)... J'ai tout démonté et vérifié tout fonctionne !! OUF !
J'ai été positivement étonné de découvrir que les branchements de l'afficheur déporté de la radio était pré-câblé ! Je dois renvoyer la chaine en révision car malheureusement l'ampli a cramé apparemment. On va attendre le déconfinement.
PS : Je suis toujours à la recherche d'un cable permettant de relier la chaine à la commande déportée car celui que j'ai est trop court (provenance R11).
J'ai constaté que les actionneurs manuels sont HS de chaque côté... va falloir changer ça (si quelqu'un a ça, je suis preneur) Les boutons des contre-portes s'allument tous de nouveau. J'ai aussi installé la commande radio au volant (va falloir que je rabote le volant grrr) et j'ai fait une belle bêtise en replaçant les demi-coques autour du volant. En effet, il y a trois vis à placer et il m'en manquait une. J'ai donc chercher un vis qui pourrait faire l'affaire, mais j'ai pris une vis trop longue et je m'en suis aperçu en actionnant le commodo de phares pour vérifier... J'ai transpercer le faisceau du commodo avec la vis en question et donc collé à la masse. J'ai eu chaud car sentait bien le brulé. Au final, pas de bobo (mise à part le commodo)... J'ai tout démonté et vérifié tout fonctionne !! OUF !
J'ai été positivement étonné de découvrir que les branchements de l'afficheur déporté de la radio était pré-câblé ! Je dois renvoyer la chaine en révision car malheureusement l'ampli a cramé apparemment. On va attendre le déconfinement.
PS : Je suis toujours à la recherche d'un cable permettant de relier la chaine à la commande déportée car celui que j'ai est trop court (provenance R11).
Espace 1 - 2000 TSE - 19/03/85 - Châssis 3344 - 230 000 KM
Volvo 480 Turbo - 08/94 - 212 480 KM (en ma possession depuis 05/04 - 98 000 km)
Daily : Mégane 3 Estate GT Line 1.6 l dci 130 ch (livrée neuve en septembre 2012) - 220 000 km [VENDUE]
Espace IV - Alyum Plus 2.0 l Turbo BVA - 26/06/2008 - 219 000 KM
Madame : Toyota Aygo II boitoto 2014 - 95 000 km
Volvo 480 Turbo - 08/94 - 212 480 KM (en ma possession depuis 05/04 - 98 000 km)
Daily : Mégane 3 Estate GT Line 1.6 l dci 130 ch (livrée neuve en septembre 2012) - 220 000 km [VENDUE]
Espace IV - Alyum Plus 2.0 l Turbo BVA - 26/06/2008 - 219 000 KM
Madame : Toyota Aygo II boitoto 2014 - 95 000 km
- marcus67
- Fou (folle) du volant

- Messages : 1312
- Enregistré le : 14 mai 2005, 00:34
- : : :
- Modèle : [Espace IV 2.0 T 170 BVM]
- Finition : Privilège
- Année : 2007
- : : :
- : : :
- Localisation : Bas Rhin 67
Re: [AOD] Espace 1 2000 TSE 03/85
Salut
Ne rabotes pas le volant , il te suffit de désserrer la petit cardan à la basse de la colonne de direction ( prés des pédales ) , de légèrement tirer sur la colonne pour ajuster la hauteur par rapport aux coquilles et bien sur resserrer . GAFFE , y a pas trop de marge .
Ne rabotes pas le volant , il te suffit de désserrer la petit cardan à la basse de la colonne de direction ( prés des pédales ) , de légèrement tirer sur la colonne pour ajuster la hauteur par rapport aux coquilles et bien sur resserrer . GAFFE , y a pas trop de marge .
Espace IV 2.0 T Privilège court de 2007 Toit ouvrant Beige Angora 305350 kms
Peugeot 207 Prenium 1,6 VTI 120 CV 05/2009 5 portes 160000kms
Plus à l'entretien , les toto des enfants
Mégane I phase II 10/2001 110350 kms
une CLIO privilège 1,4 16V de 2003 170000 kms
une Modus 1.6 16V 06/2007 149000 kms
une Clio authentique 1.4 16V de fin 2002 31000 kms ( clio à mamie )
Mégane I phase II RXT 02/2000 294050 kms ( vendue )
un Scénic 2.0 T 165 CV 2007 157700 kms à plus car volé
une 306 1.8 16V XT Pack de 2001 205850 kms vendue
un Scénic 1.9 DCI 120CV 2005 228000 Kms terminé pour lui , coussinets de bielles HS . vendu à un garage pour 200 €
Espace TXE Quadra 09/89 clim ABS 452840 kms ( partenaire pendant 23 ans et 332800 kms ) donné à TROUBLOUSE maintenant
Peugeot 207 Prenium 1,6 VTI 120 CV 05/2009 5 portes 160000kms
Plus à l'entretien , les toto des enfants
Mégane I phase II 10/2001 110350 kms
une CLIO privilège 1,4 16V de 2003 170000 kms
une Modus 1.6 16V 06/2007 149000 kms
une Clio authentique 1.4 16V de fin 2002 31000 kms ( clio à mamie )
Mégane I phase II RXT 02/2000 294050 kms ( vendue )
un Scénic 2.0 T 165 CV 2007 157700 kms à plus car volé
une 306 1.8 16V XT Pack de 2001 205850 kms vendue
un Scénic 1.9 DCI 120CV 2005 228000 Kms terminé pour lui , coussinets de bielles HS . vendu à un garage pour 200 €
Espace TXE Quadra 09/89 clim ABS 452840 kms ( partenaire pendant 23 ans et 332800 kms ) donné à TROUBLOUSE maintenant
-
Wutch
- Fou (folle) du volant

- Messages : 4013
- Enregistré le : 04 sept. 2016, 15:57
- : : :
- Modèle : [Espace IV 2.0 T 165 BVM]
- Finition : Privilège
- Année : 2004
- : : :
- : : :
Re: [AOD] Espace 1 2000 TSE 03/85
Super boulot, ca commence a prendre forme tout ca 
- AOD
- Sur l'autoroute

- Messages : 567
- Enregistré le : 28 oct. 2018, 23:14
- : : :
- Modèle : [Espace I 2.0 carburateur]
- Finition : TSE
- Année : 1985
- : : :
- 2ème modèle : [Grand Espace IV 2.0 T 170 BVA]
- finition : Alyum Plus
- Année : 2008
- : : :
Re: [AOD] Espace 1 2000 TSE 03/85
On va voir ça. Merci pour l'astuce, j'avais peur que ça ne soit pas super safe.marcus67 a écrit : 21 avr. 2020, 02:52 Salut
Ne rabotes pas le volant , il te suffit de désserrer la petit cardan à la basse de la colonne de direction ( prés des pédales ) , de légèrement tirer sur la colonne pour ajuster la hauteur par rapport aux coquilles et bien sur resserrer . GAFFE , y a pas trop de marge .
Merci Wutch :Jap:
Espace 1 - 2000 TSE - 19/03/85 - Châssis 3344 - 230 000 KM
Volvo 480 Turbo - 08/94 - 212 480 KM (en ma possession depuis 05/04 - 98 000 km)
Daily : Mégane 3 Estate GT Line 1.6 l dci 130 ch (livrée neuve en septembre 2012) - 220 000 km [VENDUE]
Espace IV - Alyum Plus 2.0 l Turbo BVA - 26/06/2008 - 219 000 KM
Madame : Toyota Aygo II boitoto 2014 - 95 000 km
Volvo 480 Turbo - 08/94 - 212 480 KM (en ma possession depuis 05/04 - 98 000 km)
Daily : Mégane 3 Estate GT Line 1.6 l dci 130 ch (livrée neuve en septembre 2012) - 220 000 km [VENDUE]
Espace IV - Alyum Plus 2.0 l Turbo BVA - 26/06/2008 - 219 000 KM
Madame : Toyota Aygo II boitoto 2014 - 95 000 km
-
Chevrons
- Conduite accompagnée

- Messages : 156
- Enregistré le : 04 mars 2020, 10:06
- : : :
- Modèle : [Espace IV V6 3.0 DCI 180]
- Finition : Initiale
- Année : 2007
- : : :
- : : :
Re: [AOD] Espace 1 2000 TSE 03/85
Beau travail !
Super ces tissus typiques années 80, avec le beige ça rend l'habitacle lumineux et chaleureux
Super ces tissus typiques années 80, avec le beige ça rend l'habitacle lumineux et chaleureux
- AOD
- Sur l'autoroute

- Messages : 567
- Enregistré le : 28 oct. 2018, 23:14
- : : :
- Modèle : [Espace I 2.0 carburateur]
- Finition : TSE
- Année : 1985
- : : :
- 2ème modèle : [Grand Espace IV 2.0 T 170 BVA]
- finition : Alyum Plus
- Année : 2008
- : : :
Re: [AOD] Espace 1 2000 TSE 03/85
Ce fameux tissus (tellement kitsch) devrait être lavé sur les sièges, c'est juste incroyable la différence entre les éléments propres (médaillons de portes) et le reste de l'intérieur. Un ami me prêtera son injecteur/extracteur à la fin du confinement. En espérant que j'arrive à approcher ce résultat.
@Marcus67... ta technique est d'enfer pour rattraper le jeu au niveau du volant. Je suis bluffé ! J'ai du jouer sur les deux cardans, mais c'est très efficace. 2000 (TSE) mercis ! J'ai continué mes "petits" travaux d'intérieur. Nettoyage complet, traitement des tâches au sol avec des cristaux de soude en application longue, c'est pas encore ça, mais c'est pas mal efficace pour atténuer les tâches (c'est vrai que par leur côté très pratiques, ces voitures ont souvent été mal traitées en vieillissant... bonne à tout faire et transporter). Changement d'un joint de porte arrière (j'en avait qu'un en vraiment bon état de côté), j'ai recollé à la néoprène ceux qui baillaient de manière honteuse, ça marche pas mal...(on verra à l'usage). Mon p'tit morpion de 3 ans qui m'aide... en provoquant des poses obligatoires (faut bien l'occuper aussi le pauvre). Pose des appuis-tête arrière sur les deux seuls sièges dotés des petits trous prévus à cet effet (ça tombe bien, je n'avais que deux appuis-tête), sièges qui avaient été acheté par l'ancien propriétaire après avoir fait l'acquisition de l'auto (j'ai la facture). Je vais d'ailleurs devoir repeindre les coques au dos de tous les sièges, les UV ont bien bossé sur ce plastique. Traitement des plastiques extérieurs au produit Autoglym...
@Marcus67... ta technique est d'enfer pour rattraper le jeu au niveau du volant. Je suis bluffé ! J'ai du jouer sur les deux cardans, mais c'est très efficace. 2000 (TSE) mercis ! J'ai continué mes "petits" travaux d'intérieur. Nettoyage complet, traitement des tâches au sol avec des cristaux de soude en application longue, c'est pas encore ça, mais c'est pas mal efficace pour atténuer les tâches (c'est vrai que par leur côté très pratiques, ces voitures ont souvent été mal traitées en vieillissant... bonne à tout faire et transporter). Changement d'un joint de porte arrière (j'en avait qu'un en vraiment bon état de côté), j'ai recollé à la néoprène ceux qui baillaient de manière honteuse, ça marche pas mal...(on verra à l'usage). Mon p'tit morpion de 3 ans qui m'aide... en provoquant des poses obligatoires (faut bien l'occuper aussi le pauvre). Pose des appuis-tête arrière sur les deux seuls sièges dotés des petits trous prévus à cet effet (ça tombe bien, je n'avais que deux appuis-tête), sièges qui avaient été acheté par l'ancien propriétaire après avoir fait l'acquisition de l'auto (j'ai la facture). Je vais d'ailleurs devoir repeindre les coques au dos de tous les sièges, les UV ont bien bossé sur ce plastique. Traitement des plastiques extérieurs au produit Autoglym...
Espace 1 - 2000 TSE - 19/03/85 - Châssis 3344 - 230 000 KM
Volvo 480 Turbo - 08/94 - 212 480 KM (en ma possession depuis 05/04 - 98 000 km)
Daily : Mégane 3 Estate GT Line 1.6 l dci 130 ch (livrée neuve en septembre 2012) - 220 000 km [VENDUE]
Espace IV - Alyum Plus 2.0 l Turbo BVA - 26/06/2008 - 219 000 KM
Madame : Toyota Aygo II boitoto 2014 - 95 000 km
Volvo 480 Turbo - 08/94 - 212 480 KM (en ma possession depuis 05/04 - 98 000 km)
Daily : Mégane 3 Estate GT Line 1.6 l dci 130 ch (livrée neuve en septembre 2012) - 220 000 km [VENDUE]
Espace IV - Alyum Plus 2.0 l Turbo BVA - 26/06/2008 - 219 000 KM
Madame : Toyota Aygo II boitoto 2014 - 95 000 km
