calorstat 2,2 dci 2001 help!

Modérateur : Equipe du site

Règles du forum
Nous sommes sur un forum d'entraide et de passionnés, assurez-vous avant de poster de respecter ceci: Image
Le bonjour est de coutume ici pour commencer ses messages ;)
Ancien
Sur la nationale
Sur la nationale
Messages : 364
Enregistré le : 25 mars 2020, 08:30
: : :
Modèle : [Grand Espace III 2.2 DCI 130]
Finition : Initiale
Année : 2001
: : :
2ème modèle : [Espace III 2.2 DCI 130]
finition : [Autre]
Année : 2001
: : :
3ème modèle : [Espace II 2.1 TD]
Finition : Alizé
Année : 1994
Localisation : Sud meuse 55000

calorstat 2,2 dci 2001 help!

Message non lu par Ancien »

Bjr ,
J'ai un mal fou a trouver le même boitier qu'il me faut sur les annonceurs de pièces détachées il y a tellement de variante.
Pouvez vous m'aiguiller si vous avez eu le cas avec un lien car je galère.
yves78
Fou (folle) du volant
Fou (folle) du volant
Messages : 3851
Enregistré le : 11 avr. 2012, 20:22
: : :
Modèle : [Grand Espace III 2.2 DCI 115]
Finition : Expression
Année : 2002
: : :
: : :
Finition :
Année : [Autre véhicule]
Localisation : 78 Yvelines

Re: calosta 2,2 dci 2001 help!

Message non lu par yves78 »

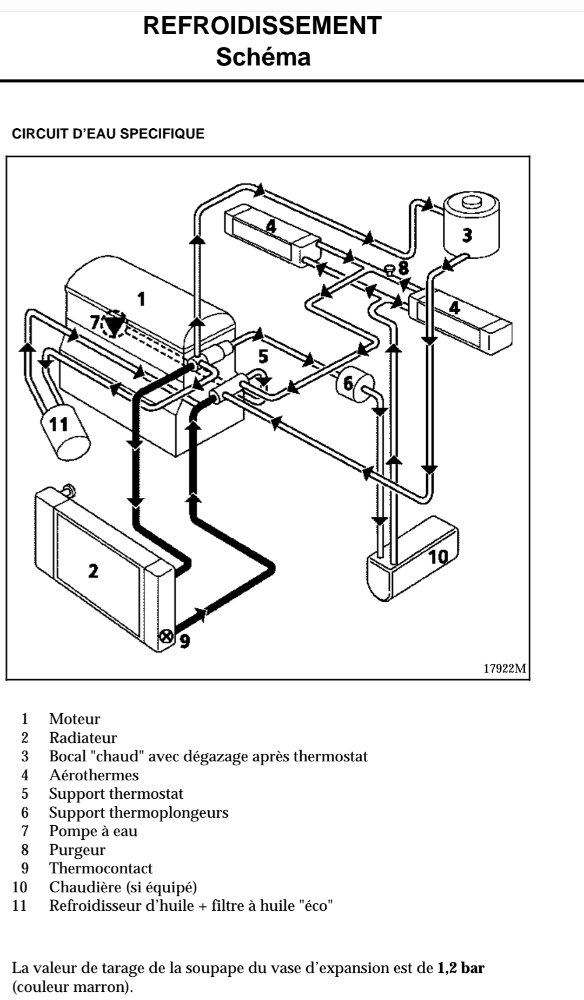
Bonjour, sur DCI il y a qu'une seule variante. Tu vas sur Oscaro ou autres, ils sont tous identiques pour ce moteur.
Je te donne un exemple après tu choisis. Je te donne le schéma du circuit refroidissement pour vérifier les entrées et sorties.

Screenshot_20240325_112010_Samsung Notes.jpg
Screenshot_20240325_104400_Chrome.jpg
Espace III 2.2 DCI Expression rallongé Année 2002 332 000 km réels, moteur changé à 8 000 km.
115 CV et 290 Nm passé à 136 CV et 350 Nm avec boîtier additionnel.
Arkana full hybride 145 Engenered
ZOE R110 50 kw
Ancien
Sur la nationale
Sur la nationale
Messages : 364
Enregistré le : 25 mars 2020, 08:30
: : :
Modèle : [Grand Espace III 2.2 DCI 130]
Finition : Initiale
Année : 2001
: : :
2ème modèle : [Espace III 2.2 DCI 130]
finition : [Autre]
Année : 2001
: : :
3ème modèle : [Espace II 2.1 TD]
Finition : Alizé
Année : 1994
Localisation : Sud meuse 55000

Re: calorsta 2,2 dci 2001 help!

Message non lu par Ancien »

Merci Yves,
bien ce schéma avec le vebasto je savais pas ou il était connecté.
Le boitier présenté ressemble pas au miens les piquages ne sont pas aux même endroit.
Je viens de penser Il y en a t'il encore chez renault ce qui serait plus simple en fin de compte ?
yves78
Fou (folle) du volant
Fou (folle) du volant
Messages : 3851
Enregistré le : 11 avr. 2012, 20:22
: : :
Modèle : [Grand Espace III 2.2 DCI 115]
Finition : Expression
Année : 2002
: : :
: : :
Finition :
Année : [Autre véhicule]
Localisation : 78 Yvelines

Re: calorsta 2,2 dci 2001 help!

Message non lu par yves78 »

Tu peux prendre une photo de ton boîtier d'eau ?

Non je ne pense pas que Renault en est encore en stock.
Espace III 2.2 DCI Expression rallongé Année 2002 332 000 km réels, moteur changé à 8 000 km.
115 CV et 290 Nm passé à 136 CV et 350 Nm avec boîtier additionnel.
Arkana full hybride 145 Engenered
ZOE R110 50 kw
Ancien
Sur la nationale
Sur la nationale
Messages : 364
Enregistré le : 25 mars 2020, 08:30
: : :
Modèle : [Grand Espace III 2.2 DCI 130]
Finition : Initiale
Année : 2001
: : :
2ème modèle : [Espace III 2.2 DCI 130]
finition : [Autre]
Année : 2001
: : :
3ème modèle : [Espace II 2.1 TD]
Finition : Alizé
Année : 1994
Localisation : Sud meuse 55000

Re: calorsta 2,2 dci 2001 help!

Message non lu par Ancien »

J'ai remonter le boitier du donneur je l'avais verifié a l,eau chaude et apparemment fonctionne bien il faut monter a 4 barrettes pour que le radiateur chauffe.
Donc a purger plusieurs fois afin d’être sur.
Je mettrais la photo mais j'ai oublier l'appareil a photo au dépôt.
Le cousin a regarder sur divers site vendeur et il semble qu'un de velsatis serais différent mais compatible.
yves78
Fou (folle) du volant
Fou (folle) du volant
Messages : 3851
Enregistré le : 11 avr. 2012, 20:22
: : :
Modèle : [Grand Espace III 2.2 DCI 115]
Finition : Expression
Année : 2002
: : :
: : :
Finition :
Année : [Autre véhicule]
Localisation : 78 Yvelines

Re: calorsta 2,2 dci 2001 help!

Message non lu par yves78 »

3 purges sur ce circuit.
1 sur boîtier sortie eau (à faire en priorité ; 1 sur chaque circuit aérotherme.
Pour info: les ouvertures des purges se fait moteur arrêté.
Espace III 2.2 DCI Expression rallongé Année 2002 332 000 km réels, moteur changé à 8 000 km.
115 CV et 290 Nm passé à 136 CV et 350 Nm avec boîtier additionnel.
Arkana full hybride 145 Engenered
ZOE R110 50 kw
Ancien
Sur la nationale
Sur la nationale
Messages : 364
Enregistré le : 25 mars 2020, 08:30
: : :
Modèle : [Grand Espace III 2.2 DCI 130]
Finition : Initiale
Année : 2001
: : :
2ème modèle : [Espace III 2.2 DCI 130]
finition : [Autre]
Année : 2001
: : :
3ème modèle : [Espace II 2.1 TD]
Finition : Alizé
Année : 1994
Localisation : Sud meuse 55000

Re: calorstat 2,2 dci 2001 help!

Message non lu par Ancien »

Oui oui j'ai suivi ta procédure précédemment postée et remise a niveau nécessaire après avoir rouler, j'ai encore a surveiller.
j'arrive pas a mettre une photo voila ce que cela m'indique lorsque je clique sur insérer photo :[img][img] !!!!!???
Pas mieux en MP Yves.
Le lien du compatible trouvé avec sa ref on aperçois que le clapet et positionné prés de la culasse alors que le miens il est a la sortie du boitier vers le radiateur dans un cône il serais donc compatible sans incidence sans doute(peut-être pour le vebasto?)
L'inscription sur mon boitier:
8200154300
8200154296
Sur la page ci-dessous en bas on vois les références compatibilité :
https://www.mister-auto.com/boitier-du- ... n/207-592/
yves78
Fou (folle) du volant
Fou (folle) du volant
Messages : 3851
Enregistré le : 11 avr. 2012, 20:22
: : :
Modèle : [Grand Espace III 2.2 DCI 115]
Finition : Expression
Année : 2002
: : :
: : :
Finition :
Année : [Autre véhicule]
Localisation : 78 Yvelines

Re: calorstat 2,2 dci 2001 help!

Message non lu par yves78 »

Je pense que ton boîtier à déjà été changé. J'ai vérifié sur internet les références que tu donnes ressemblent aux boîtier d'espace IV ou Laguna II.
J'ai subi une opération de la hanche la semaine dernière, impossible pour moi de descendre au sous-sol sous peine de prendre des risques. Mais en consultant mes photos lors du démontage de mon moteur, effectivement je n'ai pas le même boîtier que toi pourtant mon véhicule a été fabriqué dans les derniers puisqu'il est de mars 2002.
Pour moi l'ancien propriétaire de ton Espace l'a changé en achetant le boîtier chez Renault, mais pour une question de gestion de coût et comme ils sont interchangeables, l'après vente a unifié le boîtier du III avec celui du IV et je pense que c'est pour cette raison que tu n'as pas le même boîtier.
Les passages d'eau sont strictement identiques avant et après calorstat. Je ne vois pas pourquoi ils auraient modifié la température de l'ouverture du calorstat (4 barres au tableau de bord)

Je mets une photo de mon moteur, on ne voit pas le boîtier correctement mais on voit bien le raccordement du tuyau radiateur sortie calorstat, on ne voit pas le calorstat à part mais bien côté culasse.

20240328_112840.jpg
Espace III 2.2 DCI Expression rallongé Année 2002 332 000 km réels, moteur changé à 8 000 km.
115 CV et 290 Nm passé à 136 CV et 350 Nm avec boîtier additionnel.
Arkana full hybride 145 Engenered
ZOE R110 50 kw
Ancien
Sur la nationale
Sur la nationale
Messages : 364
Enregistré le : 25 mars 2020, 08:30
: : :
Modèle : [Grand Espace III 2.2 DCI 130]
Finition : Initiale
Année : 2001
: : :
2ème modèle : [Espace III 2.2 DCI 130]
finition : [Autre]
Année : 2001
: : :
3ème modèle : [Espace II 2.1 TD]
Finition : Alizé
Année : 1994
Localisation : Sud meuse 55000

Re: calorstat 2,2 dci 2001 help!

Message non lu par Ancien »

Possible que ce soit de l'année précédente(2001) car l"espace donneur de 2001 aussi que j'ai m'a fournis le calostat identique au miens que je viens de remonter et fonctionne bien si ce n'est ces 3/4 barrettes au TDB que je surveille de prés.
J'arrive toujours pas a mettre une photo.
Ancien
Sur la nationale
Sur la nationale
Messages : 364
Enregistré le : 25 mars 2020, 08:30
: : :
Modèle : [Grand Espace III 2.2 DCI 130]
Finition : Initiale
Année : 2001
: : :
2ème modèle : [Espace III 2.2 DCI 130]
finition : [Autre]
Année : 2001
: : :
3ème modèle : [Espace II 2.1 TD]
Finition : Alizé
Année : 1994
Localisation : Sud meuse 55000

Re: calorstat 2,2 dci 2001 help!

Message non lu par Ancien »

Suis arrivé les photos en ouvrant la page en sécurisé ah les soucis internet!
Ok houille! l’opération hanche elle me guette aussi je recule l’échéance.
IMG_3152.JPG
IMG_3153.JPG
3 - Copie - Copie.jpg
A la croix rouge: le clapet calostat alors que celui que l'on trouve chez les vendeurs ci dessous il est la dans la première photo ci dessus contre la culasse.
calostat adaptable.jpg
Modifié en dernier par Ancien le 30 mars 2024, 06:32, modifié 1 fois.
yves78
Fou (folle) du volant
Fou (folle) du volant
Messages : 3851
Enregistré le : 11 avr. 2012, 20:22
: : :
Modèle : [Grand Espace III 2.2 DCI 115]
Finition : Expression
Année : 2002
: : :
: : :
Finition :
Année : [Autre véhicule]
Localisation : 78 Yvelines

Re: calorstat 2,2 dci 2001 help!

Message non lu par yves78 »

D'un point de vue circulation eau, ça ne change rien. J'ai encore regardé, celui monté sur ton véhicule est fait pour espace IV avec un bouchon sur la sortie échangeur eau/huile.


Screenshot_20240329_182123_Chrome.jpg

Espace III

Screenshot_20240329_182528_Chrome.jpg
De dernières minutes. Sur internet on trouve les deux boîtiers montés sur l'Espace 3 DCI. Mais je reste sur mon idée.
Espace III 2.2 DCI Expression rallongé Année 2002 332 000 km réels, moteur changé à 8 000 km.
115 CV et 290 Nm passé à 136 CV et 350 Nm avec boîtier additionnel.
Arkana full hybride 145 Engenered
ZOE R110 50 kw
Ancien
Sur la nationale
Sur la nationale
Messages : 364
Enregistré le : 25 mars 2020, 08:30
: : :
Modèle : [Grand Espace III 2.2 DCI 130]
Finition : Initiale
Année : 2001
: : :
2ème modèle : [Espace III 2.2 DCI 130]
finition : [Autre]
Année : 2001
: : :
3ème modèle : [Espace II 2.1 TD]
Finition : Alizé
Année : 1994
Localisation : Sud meuse 55000

Re: calorstat 2,2 dci 2001 help!

Message non lu par Ancien »

Ok Yves merci le principal et que cela fonctionne encore un moment car il vieillis comme moi.
Juste pour info ta photo de l'espace iV il a comme le miens un bipass on l'aperçois :forme de tuyau en biais entre le haut et le bas des 2 tubes horizontaux.
yves78
Fou (folle) du volant
Fou (folle) du volant
Messages : 3851
Enregistré le : 11 avr. 2012, 20:22
: : :
Modèle : [Grand Espace III 2.2 DCI 115]
Finition : Expression
Année : 2002
: : :
: : :
Finition :
Année : [Autre véhicule]
Localisation : 78 Yvelines

Re: calorstat 2,2 dci 2001 help!

Message non lu par yves78 »

Oui, normal ça doit être une dérivation avec un ajutage pour éviter de mettre le circuit secondaire trop en pression lorsque le calorstat est fermé. La dérive permet de renvoyer vers la pompe à eau.
Si tu regardes bien le deuxième boîtier à aussi cette dérive au dessus de l'embout de droite.
Espace III 2.2 DCI Expression rallongé Année 2002 332 000 km réels, moteur changé à 8 000 km.
115 CV et 290 Nm passé à 136 CV et 350 Nm avec boîtier additionnel.
Arkana full hybride 145 Engenered
ZOE R110 50 kw
Répondre