
Depuis quelques mois, je suis le nouveau propriétaire d'un Espace II de 1993, il me reste encore à définir le model, mais vu les caractéristiques ( double toit ouvrant, climatisation ) je penche pour le model Helios, mais revenons au sujet.
Je sollicite votre aide car je penche depuis plusieurs jour sur un problème que l'ancien propriétaire n'a pas réussi à résoudre non plus.. la vitesse 3 HS.
Pour info n'ai pas de problèmes avec les vitesses 0,1,2,4
Au cours d'une intervention pour le changement du selecteur air interieur/extérieur du pulseur d'air j'en ai profité pour regarder les 3 résistances et le thermistor et ils sont bon.
La prise qui "charbonne" sur le pulseur a été remplacé par l'ancien propriétaire par 3 sucres comme il est conseiller sur le site "Espace modèle 91 appelé aussi Espace II".
A partir des 3 sucres j'ai pu constater que le courant 12v ne circulent pas sur les fils blanc-blanc/marron de la vitesse 3.
A partir de la je bloque
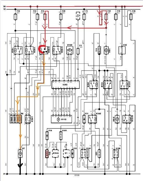
Il y a eu pas mal de sujet qui s'en rapproche sur ce forum, mais rien de concret concernant l'emplacement exacte du fameux fusible de la vitesse 3.
J'ai cru comprendre qu'en fonction des models et des années il pouvais être dans le compartiment moteur ou dans l'habitacle.
Je suis même allé jusqu'à ouvrir le tableau de bord en deux pour voir si par hasard je faisait parti des malchanceux à avoir le fusible (260) en vrac à l'intérieur,mais rien.. ( ou alors je suis myope).
Je cherche aussi l'emplacement du relais de vitesse 3.
pour ma part, dans la boîte noir au dessus de la batterie, j'ai un relais gris avec fusible incorporé de 15A (intacte) monté dessus, et un support de relais de couleur jaune mais sans relais de monté.
Pouvez-vous m'aider ?
Je met en pièce jointe quelques images que j'ai pu trouver ici sur le forum et ailleurs
Merci beaucoup