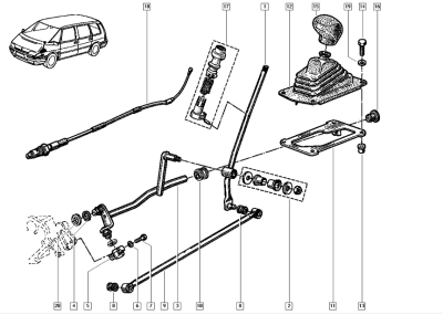
cet apres midi ,je me suis retrouvé de passer mes vitesses ; et pour cause l'espece de plastique genre silent bloc , s'est cassé
j'ai remis la tringle juste a la va-vite juste pour rentrer,('meme pas 2 kms)
j'ai retrouvé le morceau sur le chemin
et en prime quand j'ai mis les yeux sous la voiture , j'ai vu que ma durite essence souple qui va direction les injecteurs fuit
alors 2 questions;
où est ce que je peut trouver ces especes de caoutchouc qui retiennent " la tringle' aux rotules de boite ?
et cette durtite c'est quelle taille diametre extérieur et bien sûr et surtout diamètre intérieur et où en trouver ?
merci


