C'est ma boîte qui boîte...

Modérateur : Equipe du site

Règles du forum
Nous sommes sur un forum d'entraide et de passionnés, assurez-vous avant de poster de respecter ceci: Image
Le bonjour est de coutume ici pour commencer ses messages ;)
Avatar du membre
saal32
Apprenti-conducteur(trice)
Apprenti-conducteur(trice)
Messages : 78
Enregistré le : 03 déc. 2016, 18:44
: : :
Modèle : [Espace II 2.1 TD]
Finition : Base
Année : 1995
: : :
: : :
Localisation : Espace...

C'est ma boîte qui boîte...

Message non lu par saal32 »

Saalut à tous,
cela fait longtemps que je n'étais revenu parmi vous,
souvenez-vous, je vous avais raconté le périple de mon Espace 2
qui m'avait emmené en Mauritanie et m'en avait d'ailleurs également ramené...
viewtopic.php?t=39417
Mais aujourd'hui, à quelques jours du nouveau contrôle technique, ne voilà-t-il pas qu'il refuse tout mouvement ?
impossible de passer une vitesse, si ce n'est, de temps en temps, la marche arrière... pas facile d'aller au contrôle ainsi...

mais, par hasard, et par chance ?, il s'avère que j'ai une boîte sur une étagère, une boîte récupérée sur une R21, une NG 9002...

Image

alors que l'Espace est équipé d'une NG 3095

Image

Ma question est de savoir si je peux remplacer la NG 3095 par la NG 9002...

Merci d'avance...
Mais qu'est ce qu'Espace ? :lol:
Baccaronze
Sur l'autoroute
Sur l'autoroute
Messages : 855
Enregistré le : 14 avr. 2014, 21:19
: : :
Modèle : [Espace I 2.1 TD]
Finition : TurboD
Année : 1990
: : :
: : :

Re: C'est ma boîte qui boîte...

Message non lu par Baccaronze »

D'après ce sujet : viewtopic.php?p=108364#p108364

la ng3 serait remplaçable par la ng9, après, les rapports sont sûrement différents, suivant les indices.

Les rapports ne pasent plus,même moteur coupé ? Ni a la main par dessous directement en actionnant la commande de la boite? ( histoire d'éliminer un souci d embrayage ou de tringlerie).
Espace 1 TurboD 1990, 259.128 kms.
Avatar du membre
LeJeune6troeniste
Fou (folle) du volant
Fou (folle) du volant
Messages : 2822
Enregistré le : 01 juil. 2019, 18:39
: : :
Modèle : [Espace IV 2.0 T 165 BVM]
Finition : Privilège
Année : 2004
: : :
: : :

Re: C'est ma boîte qui boîte...

Message non lu par LeJeune6troeniste »

Bonjour,

+1, ça sent l'embrayage, ce qui est tout de même un soucis moins grave.
Espace IV 2.0T Privilège BVM de 04/2004 8) Bleu Orage, 262 652 km, dans la famille depuis 06/2014 et 87 898
:arrow: CT OK jusqu'en 03/2027 ! :D :D
Espace IV 2.0T Alyum Plus BVM de 01/2007 Noir Nacré, qui a servi de 07/19 à 11/21 sur 18 108 km, vendu
VW Golf III 1,8 Syncro de 10/1995 8), 301 560 km
Jaguar XJ40 3,6 BVA Sovereign de 02/1989 8), 92 607 km au total et ce depuis 2001 :cry: Soucis d'étincelle a priori trouvé, réfection du système d'alimentation en carburant en cours
Avatar du membre
saal32
Apprenti-conducteur(trice)
Apprenti-conducteur(trice)
Messages : 78
Enregistré le : 03 déc. 2016, 18:44
: : :
Modèle : [Espace II 2.1 TD]
Finition : Base
Année : 1995
: : :
: : :
Localisation : Espace...

Re: C'est ma boîte qui boîte...

Message non lu par saal32 »

En fait, je me suis mal exprimé, les vitesses passent un coup et ne passent plus l'instant d'après,
elles restent parfois coincées et il faut batailler ferme pour revenir au PM pour tenter d'en repasser une autre,
parfois on y arrive, parfois non... :roll:

Je ne pense pas que l'embrayage en soit responsable, par contre, en prise (quand elle veut), elle est très bruyante, comme des roulements HS... 8)

Dans un premier temps, je vais donc remplacer la ng3 par la 9 et disséquer la 3 pour tenter de comprendre le pb...
Je vous dirai...
Mais qu'est ce qu'Espace ? :lol:
Avatar du membre
Sigma
Fou (folle) du volant
Fou (folle) du volant
Messages : 1661
Enregistré le : 11 août 2022, 19:21
: : :
Modèle : [Espace II 2.1 TD]
Finition : Base
Année : 1994
: : :
: : :
Localisation : en dérapage

Re: C'est ma boîte qui boîte...

Message non lu par Sigma »

Salut
est-ce que les NG9 ont le même pignon de tachy également?
C'est intéressant d'avoir un plan B pour remplacer les NG3 en cas de problème...

Bon courage pour l'échange et les investigations!

edit:
j'ai regardé la MR des NG, le couple tachy sur les NG3093 (les 095 ne sont pas présentes dans cette doc) et de 6/18
Sur la NG9002 le couple tachy est noté 8/23...
Renault Espace II RN J8S 1994 290000Km (le Sapin de noël), CG véhicule collection depuis le 09/2024 :mrgreen:
Peugeot 306 Berline "Symbio" 1.9D XUD9 1997 258000Km (Farce à la Rouille)
par5
Fou (folle) du volant
Fou (folle) du volant
Messages : 1977
Enregistré le : 30 avr. 2009, 23:17

Re: C'est ma boîte qui boîte...

Message non lu par par5 »

La NG 9002 est presque similaire à la NG3095.

Sous réserve des mêmes fixations et tringles de commande de vitesse
le couple conique , la 1,2,3,4,et 5 sont les mêmes

Le couple tachymétrique est le même que sur les boites NG3 pour
les R20 essence, donc différent de la ng3095.
D'après le manuel le couple tachymétrique ne se démonte pas.
espace II 2.1td 95 limited 530000km
Avatar du membre
Sigma
Fou (folle) du volant
Fou (folle) du volant
Messages : 1661
Enregistré le : 11 août 2022, 19:21
: : :
Modèle : [Espace II 2.1 TD]
Finition : Base
Année : 1994
: : :
: : :
Localisation : en dérapage

Re: C'est ma boîte qui boîte...

Message non lu par Sigma »

Merci pour les précisions Par5!
Oui ce pignon en plastique pour le tachy semble vraiment compliqué à sortir...
Renault Espace II RN J8S 1994 290000Km (le Sapin de noël), CG véhicule collection depuis le 09/2024 :mrgreen:
Peugeot 306 Berline "Symbio" 1.9D XUD9 1997 258000Km (Farce à la Rouille)
par5
Fou (folle) du volant
Fou (folle) du volant
Messages : 1977
Enregistré le : 30 avr. 2009, 23:17

Re: C'est ma boîte qui boîte...

Message non lu par par5 »

Ça me semble étrange qu'il ne se démonte pas,
à moins que pignon en place , l'axe est inséré en force à la fabrication.

Un spécialiste me dit que le bruit d'une boîte provient en grande partie
de l'usure des roulements, mais que des points durs ou blocages
proviennent de problèmes mécaniques plus inquiétants.
espace II 2.1td 95 limited 530000km
Avatar du membre
Sigma
Fou (folle) du volant
Fou (folle) du volant
Messages : 1661
Enregistré le : 11 août 2022, 19:21
: : :
Modèle : [Espace II 2.1 TD]
Finition : Base
Année : 1994
: : :
: : :
Localisation : en dérapage

Re: C'est ma boîte qui boîte...

Message non lu par Sigma »

Voilà ce que dit la doc à ce sujet:
Capture d’écran_2024-10-12_18-29-24.png
Capture d’écran_2024-10-12_18-30-16.png
Donc oui à priori possible... mais si le pignon est mangé, il est impossible à trouver!
Pourtant j'avais trouvé pas mal de pignons refabriqués pour d'autres types de boite, donc c'est faisable. Juste que personne n'a jugé rentable de le faire pour nos NG.
Renault Espace II RN J8S 1994 290000Km (le Sapin de noël), CG véhicule collection depuis le 09/2024 :mrgreen:
Peugeot 306 Berline "Symbio" 1.9D XUD9 1997 258000Km (Farce à la Rouille)
Avatar du membre
saal32
Apprenti-conducteur(trice)
Apprenti-conducteur(trice)
Messages : 78
Enregistré le : 03 déc. 2016, 18:44
: : :
Modèle : [Espace II 2.1 TD]
Finition : Base
Année : 1995
: : :
: : :
Localisation : Espace...

Re: C'est ma boîte qui boîte...

Message non lu par saal32 »

Et donc, si j'ai bien compris, et si le couple tachymétrique n'est pas identique entre mon NG3 et mon NG9 la vitesse annoncé par le compteur sera fausse ?

Par contre, je n'ai pas bien compris comment placer l'entretoise recommandée par la RTA pour déposer les arbres de transmission, leur schéma n'est pas très clair...

Image Image

Image

et enfin, dans un autre registre, comment puis-je réparer ce petit accroc sur mon spoiler? Résine polyester de carrossier ?

Image
Mais qu'est ce qu'Espace ? :lol:
Avatar du membre
Sigma
Fou (folle) du volant
Fou (folle) du volant
Messages : 1661
Enregistré le : 11 août 2022, 19:21
: : :
Modèle : [Espace II 2.1 TD]
Finition : Base
Année : 1994
: : :
: : :
Localisation : en dérapage

Re: C'est ma boîte qui boîte...

Message non lu par Sigma »

Oui sans changer ce pignon de tachy tu n'auras pas ta vitesse "réelle"...
Un copain roule carrément sans compteur vitesse sur son Trafic depuis plus d'un an en raison de ce pignon HS. Il utilise un compteur GPS tout simple trouvé sur aliexpress...
Mais peut être que tu pourras échanger les pignons entre tes deux boites?

Marrant pour les piges sur la RTA!
La MR nomme ces piges TAV603, et voilà où ça devrait se placer:
Capture d’écran_2024-10-13_00-08-34.png
J'en ai une paire, il faudrait que les mesure... j'ai un doute sur la longueur annoncée dans la RTA.
Mais on peut tout à fait déposer les cardans sans ces piges, tout le monde fait comme ça en général...

edit: Pour le placement des piges, ça n'était pas sur les E1 qu'on trouvait un axe long entre les paliers AV et AR des triangles, comme sur le dessin de la RTA?

re- edit: je suis allé mesurer ça fait 215mm entre chaque creux des fourches... j'ai un set Facom T268 (soit 2 x TAV603)...
C'est en alu, très léger, mais épais. Section en croix 5mm x 7mm d'épaisseur tout le long et environ 30mm x 20mm de large... renforcé au niveau des fourches, mais la fourche du "haut" est tout de même plus large et fine que celle du "bas, pour mieux se prendre sur la fixation de biellette de barre stab...
Renault Espace II RN J8S 1994 290000Km (le Sapin de noël), CG véhicule collection depuis le 09/2024 :mrgreen:
Peugeot 306 Berline "Symbio" 1.9D XUD9 1997 258000Km (Farce à la Rouille)
Avatar du membre
saal32
Apprenti-conducteur(trice)
Apprenti-conducteur(trice)
Messages : 78
Enregistré le : 03 déc. 2016, 18:44
: : :
Modèle : [Espace II 2.1 TD]
Finition : Base
Année : 1995
: : :
: : :
Localisation : Espace...

Re: C'est ma boîte qui boîte...

Message non lu par saal32 »

Allons bon, le schéma de l'installation de T.Av.603 que tu proposes, Sigma, est encore différent de ceux de ma RTA... :roll:
mais tu as sans doute raison, les schémas que j'ai repris provenaient d'une RTA relative aux Espaces antérieurs à 1990, dont acte... :oops:

Je vais donc alors tenter de faire comme tout le monde, déposer tout cela sans entretoises...

et pour mon spoiler ? Résine époxy, ça marche ?
Mais qu'est ce qu'Espace ? :lol:
Avatar du membre
Sigma
Fou (folle) du volant
Fou (folle) du volant
Messages : 1661
Enregistré le : 11 août 2022, 19:21
: : :
Modèle : [Espace II 2.1 TD]
Finition : Base
Année : 1994
: : :
: : :
Localisation : en dérapage

Re: C'est ma boîte qui boîte...

Message non lu par Sigma »

Salut
Les RTA comportent déja assez d'erreurs, si en plus tu vas prendre celle des Espaces 1, tu n'es pas rendu :lol:

Tu avais déja posté dans la section "Tuto", et j'avais posté les infos de la MR au sujet de la dépose des cardans.
Peut être l'occasion d'y jeter un oeil à nouveau:
viewtopic.php?t=17691&start=25

Pour les réparations là je n'ai pas d'expérience pratique.
Voir la NT en pièce jointe qui traite des résines...
Fichiers joints
0131A.pdf
(50 Kio) Téléchargé 97 fois
Renault Espace II RN J8S 1994 290000Km (le Sapin de noël), CG véhicule collection depuis le 09/2024 :mrgreen:
Peugeot 306 Berline "Symbio" 1.9D XUD9 1997 258000Km (Farce à la Rouille)
marc06
Sur l'autoroute
Sur l'autoroute
Messages : 518
Enregistré le : 04 avr. 2016, 18:51
: : :
Modèle : [Espace II 2.1 TD]
Finition : Base
Année : 1994
: : :
2ème modèle : [Espace II 2.1 TD]
finition : RT
Année : 1995
: : :
3ème modèle : [Autre]
Localisation : NICE

Re: C'est ma boîte qui boîte...

Message non lu par marc06 »

Salutatous !

Pour changer boite ou cardans jamais eu besoin de ces entretoises ... et pour les parechocs il existe un mastic spécial pour ce genre de plastique car ce n est pas du polyester.

a+ marc
Les 640 000 kms sont passés ! Le million ! le million ! :lol:
+ 1 Suzuki 500 Gamma de 85 + 1 Kawa 750 H2 de 73
+ 1 ancetre... Le Zebre de 1912 !
Baccaronze
Sur l'autoroute
Sur l'autoroute
Messages : 855
Enregistré le : 14 avr. 2014, 21:19
: : :
Modèle : [Espace I 2.1 TD]
Finition : TurboD
Année : 1990
: : :
: : :

Re: C'est ma boîte qui boîte...

Message non lu par Baccaronze »

Sigma a écrit : 13 oct. 2024, 00:12 Oui sans changer ce pignon de tachy tu n'auras pas ta vitesse "réelle"...
Un copain roule carrément sans compteur vitesse sur son Trafic depuis plus d'un an en raison de ce pignon HS. Il utilise un compteur GPS tout simple trouvé sur aliexpress...
Mais peut être que tu pourras échanger les pignons entre tes deux boites?

Marrant pour les piges sur la RTA!
La MR nomme ces piges TAV603, et voilà où ça devrait se placer:
Capture d’écran_2024-10-13_00-08-34.png

J'en ai une paire, il faudrait que les mesure... j'ai un doute sur la longueur annoncée dans la RTA.
Mais on peut tout à fait déposer les cardans sans ces piges, tout le monde fait comme ça en général...

edit: Pour le placement des piges, ça n'était pas sur les E1 qu'on trouvait un axe long entre les paliers AV et AR des triangles, comme sur le dessin de la RTA?

re- edit: je suis allé mesurer ça fait 215mm entre chaque creux des fourches... j'ai un set Facom T268 (soit 2 x TAV603)...
C'est en alu, très léger, mais épais. Section en croix 5mm x 7mm d'épaisseur tout le long et environ 30mm x 20mm de large... renforcé au niveau des fourches, mais la fourche du "haut" est tout de même plus large et fine que celle du "bas, pour mieux se prendre sur la fixation de biellette de barre stab...

Sur le 1, il me semble aussi qu il est conseillé d utiliser des entretoises, je ne l ai jamais fait , que ce soit pour changer cardan ou rotule inférieur de suspension, peut être a tort :mrgreen:
Espace 1 TurboD 1990, 259.128 kms.
Avatar du membre
jlb
Sur la nationale
Sur la nationale
Messages : 473
Enregistré le : 03 mai 2008, 08:50
: : :
Modèle : [Espace III 2.0 16V BVM]
Finition : The Race
Année : 2001
: : :
: : :
Localisation : 52
Contact :

Re: C'est ma boîte qui boîte...

Message non lu par jlb »

Baccaronze a écrit : 13 oct. 2024, 19:16 ....
La MR nomme ces piges TAV603, et voilà où ça devrait se placer:
.....
re- edit: je suis allé mesurer ça fait 215mm entre chaque creux des fourches... j'ai un set Facom T268 (soit 2 x TAV603)...

....
Sur le 1, il me semble aussi qu il est conseillé d utiliser des entretoises, je ne l ai jamais fait , que ce soit pour changer cardan ou rotule inférieur de suspension, peut être a tort :mrgreen:
Idem, je n'ai jamais utilisé ces piges
http://elic52.free.fr/Espace/index.htm#12
et
http://elic52.free.fr/Espace/index.htm#Embrayage
Avatar du membre
saal32
Apprenti-conducteur(trice)
Apprenti-conducteur(trice)
Messages : 78
Enregistré le : 03 déc. 2016, 18:44
: : :
Modèle : [Espace II 2.1 TD]
Finition : Base
Année : 1995
: : :
: : :
Localisation : Espace...

Re: C'est ma boîte qui boîte...

Message non lu par saal32 »

Bon, effectively, j'ai déposé cet aprèm les cardans sans avoir besoin de ces entretoises et cela s'est très bien passé, les rotules sont venues à l'aise
j'ai viré commande d'embrayage, démarreur, tringlerie, la boîte est prête à tomber, seule galère étant l'impossibilité d'en dévisser le carré de vidange,
je l'ai donc laissé pleine, je la déposerai demain après avoir mis un bouchon à la sortie de la commande de MAR, je vous dirai comment est l'embrayage
Bonne nuit
PS : marc06, t'as le nom, ou les réfs, du mastic spécial et où je le trouve ?
Mais qu'est ce qu'Espace ? :lol:
marc06
Sur l'autoroute
Sur l'autoroute
Messages : 518
Enregistré le : 04 avr. 2016, 18:51
: : :
Modèle : [Espace II 2.1 TD]
Finition : Base
Année : 1994
: : :
2ème modèle : [Espace II 2.1 TD]
finition : RT
Année : 1995
: : :
3ème modèle : [Autre]
Localisation : NICE

Re: C'est ma boîte qui boîte...

Message non lu par marc06 »

Non pas de précision ,désolé ,mais on doit le trouver sur le net ou chez Feu rouge ?

a+
Les 640 000 kms sont passés ! Le million ! le million ! :lol:
+ 1 Suzuki 500 Gamma de 85 + 1 Kawa 750 H2 de 73
+ 1 ancetre... Le Zebre de 1912 !
Avatar du membre
saal32
Apprenti-conducteur(trice)
Apprenti-conducteur(trice)
Messages : 78
Enregistré le : 03 déc. 2016, 18:44
: : :
Modèle : [Espace II 2.1 TD]
Finition : Base
Année : 1995
: : :
: : :
Localisation : Espace...

Re: C'est ma boîte qui boîte...

Message non lu par saal32 »

Boîte déposée, embrayage déposé également et qui est intact mais dont le disque est bien trop usé pour ne pas être remplacé, les rivets affleurent les garnitures
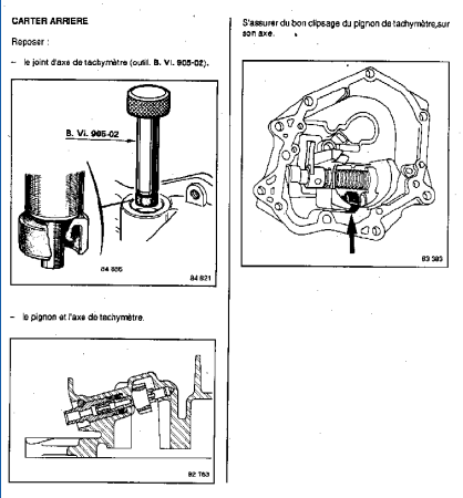
J'ai déposé le carter arrière, en veillant bien, comme préconisé dans la RTA, d'enclencher au préalable la 3ème pour ne pas laisser tomber sa bille de verrouillage dans la boîte...

Image

on a ainsi accès aux pignons du couple tachymètrique...

Image

Image

Image

et si le rose semble aisé à déposer (rondelle freinée) le jaune parait impossible sans l'outillage adapté décrit dans les schémas présentés plus haut par sigma...

Je n'ai donc pas insisté et reposé le carter arrière, tout en ayant pris le soin de veiller à laisser enclenchée la 3ème durant toute la visite...

et vous allez sans doute sourire : lorsque j'ai transvasé l'huile que j'avais soutirée de la boîte après avoir déposé le carter AR (bouchons carrés de vidange et
remplissage complètement bloqués, impossibles à défaire malgré un long temps de chauffe à la lampe gaz), devinez ce que j'ai trouvé au fond du récipient ...

Image :evil: :twisted:

Serait-ce ma bille de verrouillage de 3ème et son ressort ?

Je m'explique : cet Espace est un deuxième Espace que je viens d'acquérir en fin de semaine dernière (boîte cassée, m'annonçait son proprio, il ne pouvait plus passer que la MAR)...
Or quand je l'ai récupéré, toutes les vitesses passaient et il est monté sur ma remorque en 1ère. 350 bornes plus tard, une fois chez moi, je l'ai redescendu et suis allé faire un tour, tous les rapports passaient sans problèmes, si ce n'est que de temps en temps, la 1ère et/ou la MAR demandaient à ce que l'on s'y reprenne à plusieurs fois pour les enclencher, les autres par contre, en roulant, montaient et descendaient facilement... mais je m'appliquais à ne pas trop les brusquer non plus.
Tout cela pour dire que je ne sais pas si cette bille et son ressort proviennent de la 3ème que j'aurais mal positionnée lors de la dépose du carter AR cet aprèm, ou bien si elle était déjà dans la boîte (provenant d'où ?) lorsque l'ancien proprio n'arrivait pas à passer les vitesses et si ce n'était pas elle qui lui causait ces soucis...

On peut toujours rêver...

N'oublions toutefois pas de mentionner que tout cela se passe dans un terrible ronronnement certainement dû à quelques roulements en fin de vie...

Quelqu'un aurait-il une doc sur les boîtes et comment les réparer, plus complètes que ma RTA ?

Merci si vous avez lu jusqu'au bout...
Modifié en dernier par saal32 le 15 oct. 2024, 23:56, modifié 4 fois.
Mais qu'est ce qu'Espace ? :lol:
Avatar du membre
LeJeune6troeniste
Fou (folle) du volant
Fou (folle) du volant
Messages : 2822
Enregistré le : 01 juil. 2019, 18:39
: : :
Modèle : [Espace IV 2.0 T 165 BVM]
Finition : Privilège
Année : 2004
: : :
: : :

Re: C'est ma boîte qui boîte...

Message non lu par LeJeune6troeniste »

Bonjour,

Si tu as un éclaté, tu dois pouvoir (en désossant entièrement la boîte, chose de toute façon nécessaire pour les roulements) établir l'origine du duo bille-ressort.
Espace IV 2.0T Privilège BVM de 04/2004 8) Bleu Orage, 262 652 km, dans la famille depuis 06/2014 et 87 898
:arrow: CT OK jusqu'en 03/2027 ! :D :D
Espace IV 2.0T Alyum Plus BVM de 01/2007 Noir Nacré, qui a servi de 07/19 à 11/21 sur 18 108 km, vendu
VW Golf III 1,8 Syncro de 10/1995 8), 301 560 km
Jaguar XJ40 3,6 BVA Sovereign de 02/1989 8), 92 607 km au total et ce depuis 2001 :cry: Soucis d'étincelle a priori trouvé, réfection du système d'alimentation en carburant en cours
Avatar du membre
saal32
Apprenti-conducteur(trice)
Apprenti-conducteur(trice)
Messages : 78
Enregistré le : 03 déc. 2016, 18:44
: : :
Modèle : [Espace II 2.1 TD]
Finition : Base
Année : 1995
: : :
: : :
Localisation : Espace...

Re: C'est ma boîte qui boîte...

Message non lu par saal32 »

Il y en a un quelque part sur le forum ?
Mais qu'est ce qu'Espace ? :lol:
Avatar du membre
LeJeune6troeniste
Fou (folle) du volant
Fou (folle) du volant
Messages : 2822
Enregistré le : 01 juil. 2019, 18:39
: : :
Modèle : [Espace IV 2.0 T 165 BVM]
Finition : Privilège
Année : 2004
: : :
: : :

Re: C'est ma boîte qui boîte...

Message non lu par LeJeune6troeniste »

Je ne sais pas. Je pensais à ta RTA ou mieux, le MR.
Espace IV 2.0T Privilège BVM de 04/2004 8) Bleu Orage, 262 652 km, dans la famille depuis 06/2014 et 87 898
:arrow: CT OK jusqu'en 03/2027 ! :D :D
Espace IV 2.0T Alyum Plus BVM de 01/2007 Noir Nacré, qui a servi de 07/19 à 11/21 sur 18 108 km, vendu
VW Golf III 1,8 Syncro de 10/1995 8), 301 560 km
Jaguar XJ40 3,6 BVA Sovereign de 02/1989 8), 92 607 km au total et ce depuis 2001 :cry: Soucis d'étincelle a priori trouvé, réfection du système d'alimentation en carburant en cours
Avatar du membre
saal32
Apprenti-conducteur(trice)
Apprenti-conducteur(trice)
Messages : 78
Enregistré le : 03 déc. 2016, 18:44
: : :
Modèle : [Espace II 2.1 TD]
Finition : Base
Année : 1995
: : :
: : :
Localisation : Espace...

Re: C'est ma boîte qui boîte...

Message non lu par saal32 »

Pas d'éclaté dans ma RTA, tu parles.. MR ?
Mais qu'est ce qu'Espace ? :lol:
Avatar du membre
LeJeune6troeniste
Fou (folle) du volant
Fou (folle) du volant
Messages : 2822
Enregistré le : 01 juil. 2019, 18:39
: : :
Modèle : [Espace IV 2.0 T 165 BVM]
Finition : Privilège
Année : 2004
: : :
: : :

Re: C'est ma boîte qui boîte...

Message non lu par LeJeune6troeniste »

MR, le Manuel de Réparations, la doc Renault. Je l'ai pour le IV phase 1, c'est très complet.
Espace IV 2.0T Privilège BVM de 04/2004 8) Bleu Orage, 262 652 km, dans la famille depuis 06/2014 et 87 898
:arrow: CT OK jusqu'en 03/2027 ! :D :D
Espace IV 2.0T Alyum Plus BVM de 01/2007 Noir Nacré, qui a servi de 07/19 à 11/21 sur 18 108 km, vendu
VW Golf III 1,8 Syncro de 10/1995 8), 301 560 km
Jaguar XJ40 3,6 BVA Sovereign de 02/1989 8), 92 607 km au total et ce depuis 2001 :cry: Soucis d'étincelle a priori trouvé, réfection du système d'alimentation en carburant en cours
par5
Fou (folle) du volant
Fou (folle) du volant
Messages : 1977
Enregistré le : 30 avr. 2009, 23:17

Re: C'est ma boîte qui boîte...

Message non lu par par5 »

Avec cette bille de verrouillage absente, on ne doit plus sentir
le verrouillage sur une vitesse, sans doute la 3 ?.

Les pignons tachymétriques ne semblent avoir d'usure anormale.

Par contre le pignon derrière a déjà les méplats d'une usure avancée
à moins que ce soit l'effet de la photo
espace II 2.1td 95 limited 530000km
Répondre